Запчасти Case 800 (006) - ENGINE FRAME, MUD PAN, AND ENGINE MOUNTS (01) - ENGINE

Схема запчастей Case 800 - (006) - ENGINE FRAME, MUD PAN, AND ENGINE MOUNTS (01) - ENGINE
FIT
1:1
100%

Артикул

Название

Примечание

Количество

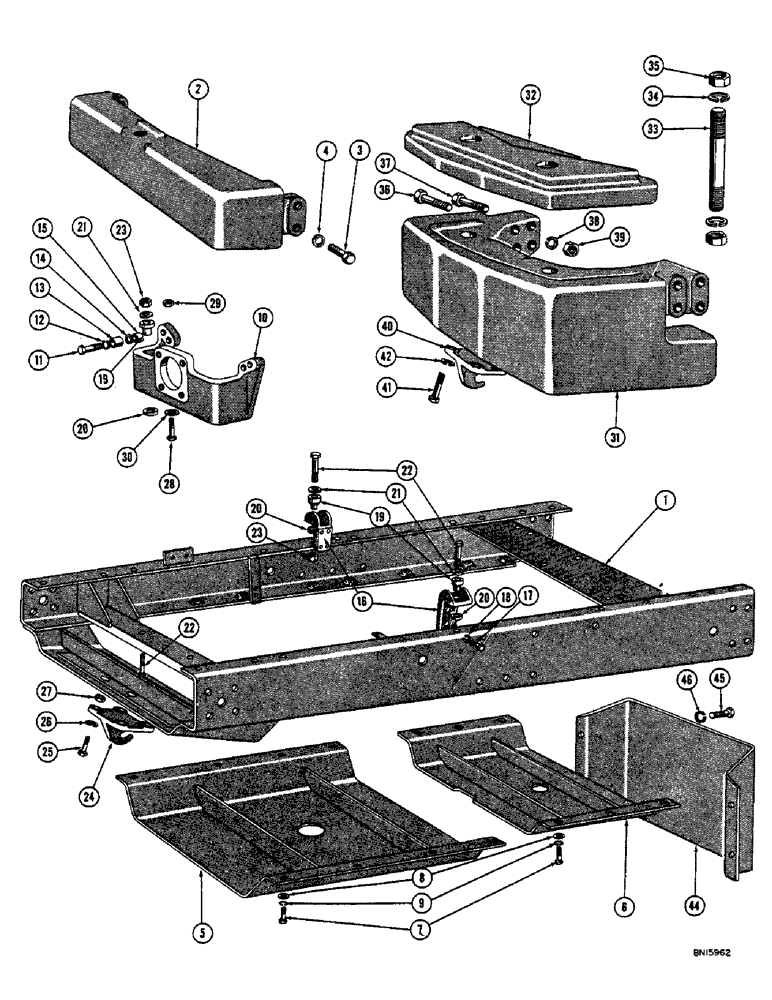
1

70163

FRAME ASS'Y - engine

1шт.

2

70963

BUMPER - front

1шт.

3

14-1224

BOLT,Hex, 3/4" - 16 x 1-1/2", Gr 5

HHCS - 3/4 - 16 NF x 1-1/2 (70963 mt'g.)

4шт.

4

87340

LOCK WASHER,Helical Spring, 0.759" ID, CST, ZND

WASHER, LOCK, 3/4"

4шт.

5

72194

GUARD ASS'Y - front bottom

1шт.

6

72192

GUARD ASS'Y - rear bottom

1шт.

7

414-828

BOLT,Hex, 1/2" - 20 x 1-3/4", Gr 5

HHCS - 1/2 - 20 NF x 1-3/4 (Bottom guard mt'g.)

14шт.

8

958-8

WASHER - plain

14шт.

9

80679

LOCK WASHER,1/20.507 CST ZND

WASHER, LOCK, 1/2"

14шт.

10

R12544

BRACKET - pump mt'g.

1шт.

11

413-644

BOLT,Hex, 3/8" - 16 x 2-3/4", Gr 5

(R12544 mt'g.) Hex, 3/8"-16 x 2 3/4", G5

2шт.

12

492-11038

LOCK WASHER,3/8"

WASHER, LOCK, 3/8"

2шт.

13

R13822

SPACER - pump bracket

2шт.

14

R12645

SHIM - pump bracket

1шт.

15

R12644

BUSHING

SPACER - pump bracket

2шт.

16

70121

MOUNT - engine rear

2шт.

17

87689

BOLT,1/2"-13 x 1.813" OAL, Gr 5

(70121 mt'g.) Hex, 1/2"-13 x 1 1/2", G5, Full Thd

8шт.

18

80679

LOCK WASHER,1/20.507 CST ZND

WASHER, LOCK, 1/2"

8шт.

19

74038

MOUNTING PARTS

MOUNT - engine, upper

4шт.

20

71948

GASKET

- vibration

4шт.

21

86511191

WASHER,0.81" ID x 2" OD x 0.15" Thk

8шт.

22

114-718

BOLT,Hex, 3/4" - 16 x 3-1/4", Gr 5

(Engine mt'g.) Hex, 3/4-16 x 3 1/4", G5

4шт.

23

7733058

LOCK NUT

NUT - lock (3/4 - 16 NF)

4шт.

610412C1

O-RING,0.139" Thk x 4.609" ID, -247, Cl 5, 75 Duro

HOOK INSTALLATION - pull (Optional equipment)

1шт.

24

71671

PLATE ASSY.

HOOK - pull

1шт.

25

114-715

BOLT,Hex, 3/4" - 16 x 2-1/2", Gr 5

Hex, 3/4"-16 x 2 1/2", G5 (71671 mt'g.)

4шт.

26

87340

LOCK WASHER,Helical Spring, 0.759" ID, CST, ZND

WASHER, LOCK, 3/4"

4шт.

27

425-1112

NUT,3/4"-16, G5

- regular SF hex. (3/4 - 16 NF)

4шт.

28

14-936

BOLT,Hex, 9/16" - 18 x 2-1/4", Gr 5

HHCS - 9/16 - 18 NF x 2-1/4 (Engine mt'g.)

2шт.

29

27293R1

LOCK NUT,9/16"-18, GC

NUT - lock (9/16 - 18 NF)

2шт.

30

40581

SPACER,1-1/2” x 1-1/2” x 1/4" Tk

SHIM - engine mt'g.

1шт.

8498

FRONT MOUNTED WEIGHT - (Optional)

1шт.

31

73431

WEIGHT - front mounted

1шт.

32

73432

COVER- front mounted weight

1шт.

33

R11489

STUD - (73432 mt'g.)

2шт.

34

492-11100

LOCK WASHER,1"

1"

4шт.

35

704775

NUT

- regular SF hex. (1 - 14 NF)

4шт.

36

14-1288

BOLT,Hex, 3/4" - 16 x 5-1/2", Gr 5

HHCS - 3/4 - 16 NF x 5-1/2 (73431 mt'g.)

4шт.

37

114-723

BOLT,Hex, 3/4" - 16 x 5", Gr 5

HHCS - 3/4 - 16 NF x 5 (73431 mt'g.)

4шт.

38

87340

LOCK WASHER,Helical Spring, 0.759" ID, CST, ZND

WASHER, LOCK, 3/4"

8шт.

39

425-1112

NUT,3/4"-16, G5

- regular SF hex. (3/4 - 16 NF)

8шт.

40

71671

PLATE ASSY.

HOOK - pull

1шт.

41

114-723

BOLT,Hex, 3/4" - 16 x 5", Gr 5

HHCS - 3/4 - 16 NF x 5 (71671 & 73431 mt'g.)

4шт.

42

87340

LOCK WASHER,Helical Spring, 0.759" ID, CST, ZND

WASHER, LOCK, 3/4"

4шт.

43

425-1112

NUT,3/4"-16, G5

- regular SF hex. (3/4 - 16 NF) (Not illustrated)

4шт.

44

R19112

GUARD - transmission rear

1шт.

45

14-1224

BOLT,Hex, 3/4" - 16 x 1-1/2", Gr 5

HHCS - 3/4 - 16 NF x 1-1/2 (R19112 mt'g.)

4шт.

46

87340

LOCK WASHER,Helical Spring, 0.759" ID, CST, ZND

WASHER, LOCK, 3/4"

4шт.

Выбрано товаров: 0