Запчасти Case 800 (242) - R12536 HYDRAULIC PUMP (07) - HYDRAULIC SYSTEM

Схема запчастей Case 800 - (242) - R12536 HYDRAULIC PUMP (07) - HYDRAULIC SYSTEM
FIT
1:1
100%

Артикул

Название

Примечание

Количество

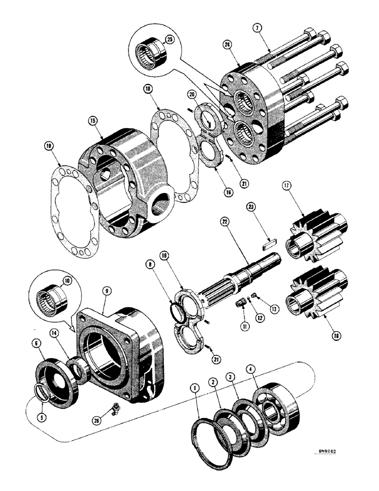
R12536

PUMP ASS'Y - hydraulic

1шт.

1

R12623

RING - retaining

1шт.

2

R12624

SHIELD - ball bearing

1шт.

3

R12625

SEAL

- bearing

1шт.

4

R12626

BEARING

- ball

1шт.

5

R12632

RING

- snap

1шт.

6

R12633

SPACER - bearing

1шт.

7

R12631

X

HHCS

10шт.

8

310959R1

O-RING,-217, 70 Duro, 1.171" ID x .139" Thk

SEAL - "O" ring

1шт.

9

R12621

COVER ASSY

COVER ASS'Y - front

1шт.

NSS

NOT SOLD SEPARAT

COVER - front

1шт.

10

71435

BEARING

- roller

2шт.

11

71430

TOOL

SEAT - check valve

2шт.

12

211-7

BALL,1/4" Dia

- check 1/4" Dia

2шт.

13

71432

TOOL

RETAINER - ball check

2шт.

14

72731

SEAL

- oil

1шт.

15

71448

RING

HOUSING - gear

1шт.

16

71442

LARGE PLATE

PLATE - thrust

2шт.

5455

KIT - gear (Matched set)

1шт.

17

NSS

NOT SOLD SEPARAT

GEAR - drive

1шт.

18

NSS

NOT SOLD SEPARAT

GEAR - driven

1шт.

19

NLS

NO LONGER SERVICED

- housing

2шт.

20

D35673

SEAL

- pocket

2шт.

21

71441

SEAL - pocket

8шт.

22

R12634

SHAFT

- drive

1шт.

23

72737

KEY - gear

1шт.

24

R12627

COVER ASS'Y - rear

1шт.

NSS

NOT SOLD SEPARAT

COVER - rear

1шт.

25

71435

BEARING

- roller

2шт.

26

219-55

LUBE NIPPLE,90 Degree Elbow, 1/8" - 27 NPTF

NIPPLE, LUBE, 90º, 1/8" NPT x .84" lg

1шт.

Выбрано товаров: 30