Запчасти Case 800 (248) - R12338 TRANSMISSION CONTROL VALVE (07) - HYDRAULIC SYSTEM

Схема запчастей Case 800 - (248) - R12338 TRANSMISSION CONTROL VALVE (07) - HYDRAULIC SYSTEM
FIT
1:1
100%

Артикул

Название

Примечание

Количество

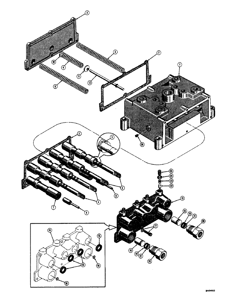
R12338

VALVE ASS'Y - transmission control

1шт.

Identify by checking part number cast in valve body

1шт.

1

R12339

BODY - control valve

1шт.

2

71113

GASKET

- cover

2шт.

3

R13938

COVER - valve rear

1шт.

4

G107659

ROD

ASS'Y - push valve shift

4шт.

5

71144

RING

- snap

1шт.

NSS

NOT SOLD SEPARAT

ROD - shift

1шт.

NSS

NOT SOLD SEPARAT

SPOOL - valve shift

1шт.

6

1986517C1

SPRING

- brake valve

4шт.

7

G106650

SPOOL

VALVE ASS'Y - brake

2шт.

8

71141

ROD

- brake valve push

2шт.

9

74917

SPRING - relief valve

1шт.

10

74792

WASHER - relief valve spacer

2шт.

11

D29572

VALVE POPPET

VALVE - relief

1шт.

12

R12340

GUIDE

1шт.

13

R13942

COVER

ASS'Y - valve front

1шт.

14

NSS

NOT SOLD SEPARAT

COVER - valve front

1шт.

15

71121

WIPER SEAL,15.88mm ID x 20.78mm OD x 2.74mm Thk

- shaft

4шт.

16

51200266

SEAL

- shaft

2шт.

17

193-511

HEX SOC SCREW,Sems, 1/4"-28 x 5/8"

SCREW & LOCKWASHER ASS'Y - (1/4 - 28 NF x 5/8)

12шт.

18

71129

X

PISTON - brake valve

2шт.

19

NLS

NO LONGER SERVICED

- quad

2шт.

20

72989

X

HOUSING ASS'Y - brake valve piston

2шт.

NSS

NOT SOLD SEPARAT

HOUSING - brake valve piston

1шт.

21

71121

WIPER SEAL,15.88mm ID x 20.78mm OD x 2.74mm Thk

- saft

1шт.

22

71120

VALVE

DETENT

4шт.

23

1542824C1

SPRING

- detent

4шт.

24

131-407

LOCK NUT,Pal, 3/8" - 16, 0.145" High

NUT - lock (3/8"-16 NC)

4шт.

25

178-653

SET SCREW,Hex Soc, 3/8"-16 x 3/8"

SHCS - 3/8 - 16 NC x 3/8

4шт.

26

221-849

PLUG,Hex Soc, 1/8"-27

- socket head pipe, 1/8" NPT

2шт.

Выбрано товаров: 31