Запчасти Case 800 (040) - EXHAUST SYSTEM AND AIR CLEANER (01) - ENGINE

Схема запчастей Case 800 - (040) - EXHAUST SYSTEM AND AIR CLEANER (01) - ENGINE
FIT
1:1
100%

Артикул

Название

Примечание

Количество

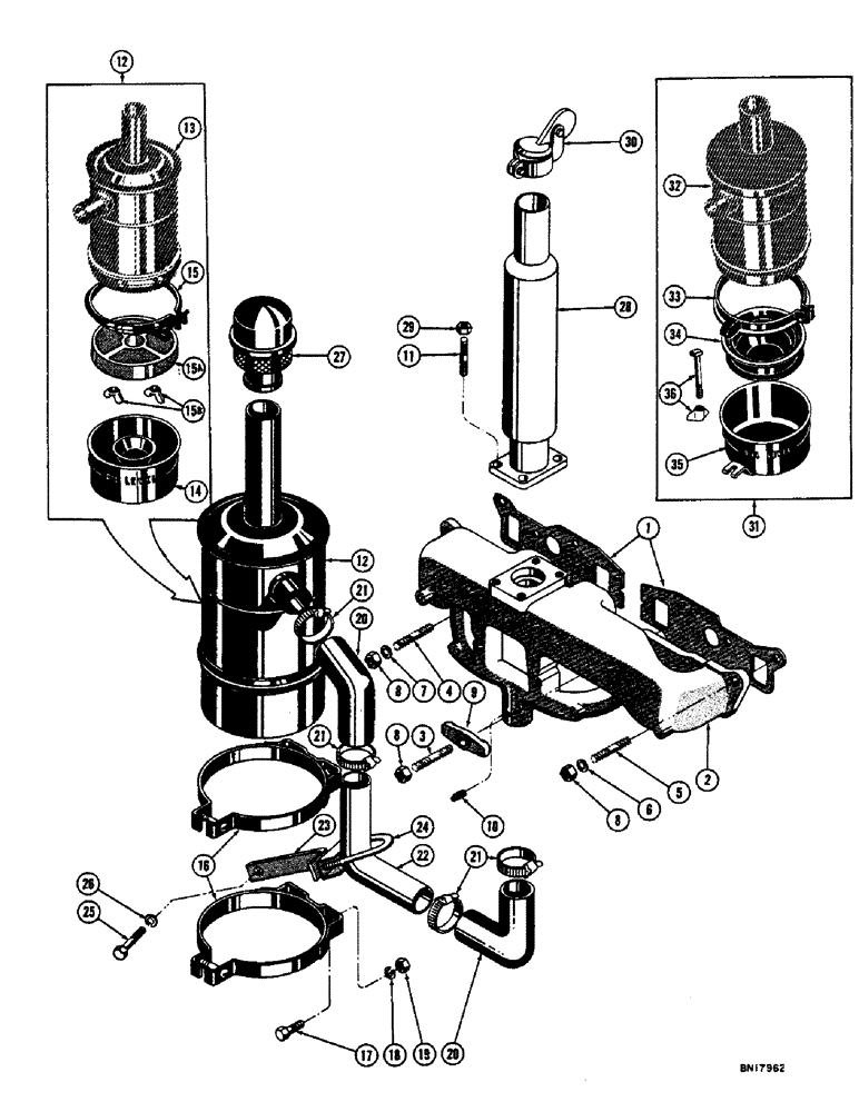
1

R19121

SPARE PART Manifold

2шт.

2

71828

CLEANER

SPARE PART MANIFOLD - intake & exhaust

1шт.

3

REF

INSTRUCTION

STUD - 3/8 - 16 NC x 2-1/4 (71828 mt'g.) (See figure 20, ref. #13)

4шт.

4

REF

INSTRUCTION

STUD - 3/8 - 16 NC x 1-7/8 (71828 mt'g.) (See figure 20, ref. #14)

3шт.

5

REF

INSTRUCTION

STUD - 3/8 - 16 NC x 1-3/4 (71828 mt'g.) (See figure 20, ref. #15)

2шт.

6

11578

CLIP

SPARE PART WASHER - plain (71828 mt'g.)

5шт.

7

11167

SPARE PART

WASHER - plain (71828 mt'g.)

2шт.

8

10452

SEALING RING

SEALRING NUT - hex., 3/8 - 16 NC (71828 mt'g.)

11шт.

9

11101

GEAR

SPARE PART CRAB - manifold (71828 mt'g.)

4шт.

10

217-433

PLUG,Hex Soc, 1/4" - 18 NPTF

Pipe, extended square head

1шт.

11

46520

BOLT AND NUT,Hex, 1/4" - 20 x 1 1/2"

STUD - flange outlet

4шт.

12

70972

SPARE PART AIR CLEANER ASSY - (See optional type for identification)

1шт.

13

NSS

NOT SOLD SEPARAT

BODY ASSY - air cleaner

1шт.

14

72571

SPARE PART CUP ASSY - oil

1шт.

15

P836994

CLAMP

ASSY - oil cup retaining

1шт.

15a

R15724

SCREEN ASSY - removable

1шт.

15b

R15725

X

NUT - wing

2шт.

16

70973

BRACKET

Air cleaner mt'g.

2шт.

17

353517X1

SCREW

5/16"-24 NF x 3/4 (70973 mt'g.)

4шт.

18

92-5

LOCK WASHER,5/16"

4шт.

19

425-115

NUT,5/16"-24, G5

4шт.

20

70970

ELBOW - hose

2шт.

21

214-262

HOSE CLAMP,#44, 2.31" - 3.25", Type F Worm

4шт.

22

70971

TUBE - air cleaner

1шт.

23

71331

PLUG

SPARE PART ANGLE - tube clamp support

1шт.

24

R11243

X

CLAMP - tube support

1шт.

25

413-610

BOLT,Hex, 3/8" - 16 x 5/8", Gr 5

(71331 mt'g.)

1шт.

26

492-11038

LOCK WASHER,3/8"

1шт.

27

70974

SPARE PART CAP - air cleaner inlet

1шт.

28

72987

SPARE PART Exhaust

1шт.

29

232-4618

LOCK NUT,1/2"-20, GC

(72987 mt'g.)

4шт.

30

999574R91

CYLINDER END CAP

Rain

1шт.

31

R22268

CLEANER

AIR, ASSY - (Optional type)

1шт.

32

NSS

NOT SOLD SEPARAT

BODY ASSY - air cleaner

1шт.

33

R22419

BAND ASSY

1шт.

34

R21392

SPARE PART ASSY - inner

1шт.

35

R22420

CUP

ASSY - oil

1шт.

36

R22421

SPARE PART (R22420 mt'g.)

2шт.

Выбрано товаров: 38