Запчасти Case 800 (084) - DRIVESHAFT AND UNIVERSAL JOINTS (TYPE I "MECHANICS") (03) - TRANSMISSION

Схема запчастей Case 800 - (084) - DRIVESHAFT AND UNIVERSAL JOINTS (TYPE I "MECHANICS") (03) - TRANSMISSION
FIT
1:1
100%

Артикул

Название

Примечание

Количество

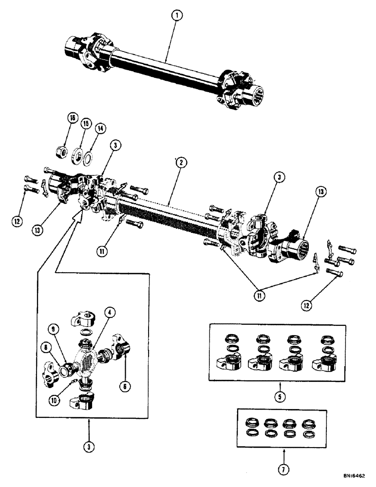
1

71180

SHAFT ASS'Y - universal (Order R12661 for service) (See figure 86 for breakdown)

1шт.

2

NSS

NOT SOLD SEPARAT

TUBE - shaft

1шт.

3

D73646

U-JOINT SPIDER

KIT - bearing and journal

2шт.

4

NSS

NOT SOLD SEPARAT

SPIDER ASS'Y - journal

1шт.

5

R2128

DIFF. SPIDER

KIT - journal repair

1шт.

6

19329

BEARING ASSY

BEARING ASS'Y - universal

4шт.

7

R2129

KIT - journal repair

1шт.

8

31719

WASHER

- cork

4шт.

9

31721

MUFFLER

SHIELD - universal dust

4шт.

10

219-8

LUBE NIPPLE,1/4" - 28 NPTF

FITTING - straight, 1/8" NPT

1шт.

11

NLS

NO LONGER SERVICED

PLATE - lock

8шт.

12

31725

HHCS - 5/16 - 24 NF x 7/8 (31729 mt'g.)

16шт.

13

31729

PRESSURE PIPE

YOKE - universal end

2шт.

14

34395

SEALING WASHER

WASHER - neoprene

1шт.

15

32601

WASHER

- yoke retaining

1шт.

16

7774870

HARDWARE

NUT - lock (3/4 - 16 NF)

1шт.

Выбрано товаров: 16