Запчасти Case 800 (132) - IDLER WHEEL (04) - UNDERCARRIAGE

Схема запчастей Case 800 - (132) - IDLER WHEEL (04) - UNDERCARRIAGE
FIT
1:1
100%

Артикул

Название

Примечание

Количество

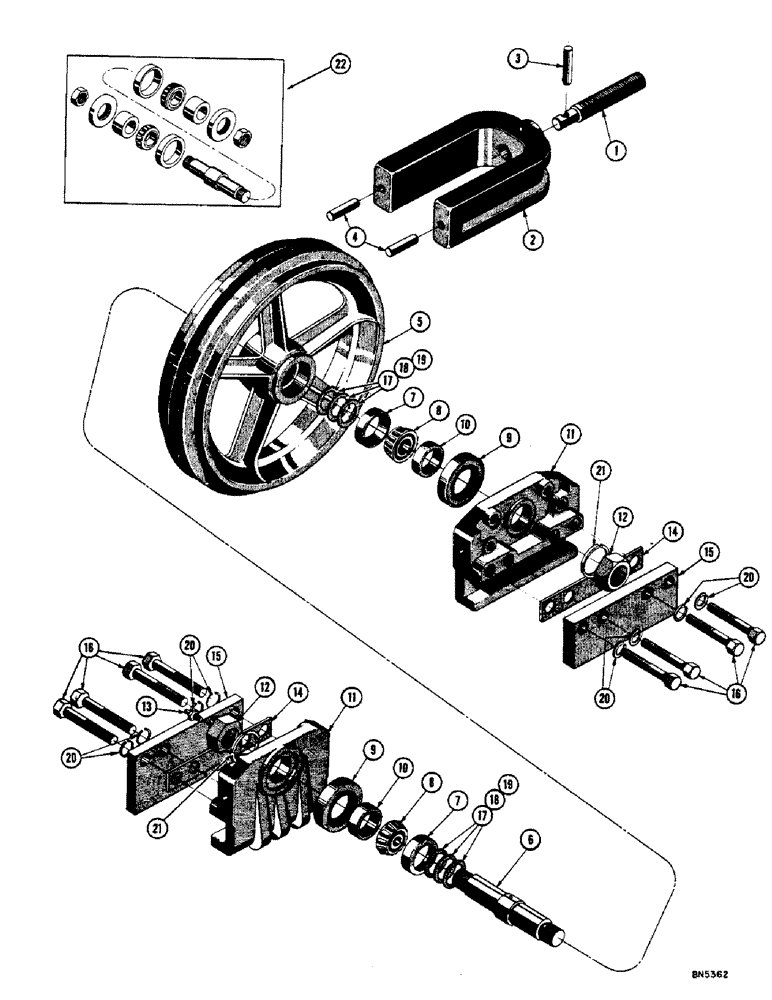
70098

YOKE ASS'Y - front idler

2шт.

1

70097

ROD - yoke adjusting

1шт.

2

NSS

NOT SOLD SEPARAT

YOKE - front idler

1шт.

3

138-182

LOCK PIN,3/8" x 3", Slotted

PIN, 3/8" x 3", Slotted

1шт.

4

S64319

CALIPER

PIN - dowel

2шт.

70004

X

IDLER & BRACKET ASS'Y - front

2шт.

5

R20847

FRONT IDLER

WHEEL - idler

1шт.

6

70085

SHAFT

- front idler

1шт.

7

360325R1

BEARING, CUP,104.775 mm OD x 23.812 mm

CUP - roller bearing

2шт.

8

40413

BEARING, CONE,2" ID x 1.2188" OD

CONE - roller bearing

2шт.

9

D31848

OIL SEAL

- oil

2шт.

10

70071

BUSHING

SPACER - front idler

2шт.

11

70033

BRACKET - front idler

2шт.

12

425-1524

JAM NUT,Jam, 1 1/2"-12, G5

- jam

2шт.

13

80710

LUBE NIPPLE,1/8” – 27 Dryseal PTF

NIPPLE, LUBE, , NPT 1/8"-27 x .66 lg

1шт.

14

70084

SHIM

- front idler (.035")

1шт.

15

70072

PLATE

- idler bracket guide

2шт.

16

414-1236

BOLT,Hex, 3/4" - 16 x 2-1/4", Gr 5

HHCS - 3/4 - 16 NF x 2-1/4 (70072 mt'g.)

8шт.

17

R13586

SHIM,.005" Thk

Front idler .005" Thk

1шт.

18

R13587

SHIM,.007" Thk

Front idler .007" Thk

1шт.

19

R13588

SHIM,.010" Thk

Front idler .010" Thk

1шт.

20

87340

LOCK WASHER,Helical Spring, 0.759" ID, CST, ZND

WASHER, LOCK, 3/4"

8шт.

21

R12826

WASHER

- lock

2шт.

22

F49684

RIVET

KIT - front idler

1шт.

70085

SHAFT

1шт.

70071

BUSHING

SPACER

2шт.

D31848

OIL SEAL

- oil

2шт.

360325R1

BEARING, CUP,104.775 mm OD x 23.812 mm

CUP - bearing

2шт.

NLS

NO LONGER SERVICED

CONE - bearing

2шт.

425-1524

JAM NUT,Jam, 1 1/2"-12, G5

- jam

2шт.

R12826

WASHER

- lock

2шт.

Выбрано товаров: 31