Запчасти Case 800 (106) - BRAKE PEDALS (05) - UPPERSTRUCTURE CHASSIS

Схема запчастей Case 800 - (106) - BRAKE PEDALS (05) - UPPERSTRUCTURE CHASSIS
FIT
1:1
100%

Артикул

Название

Примечание

Количество

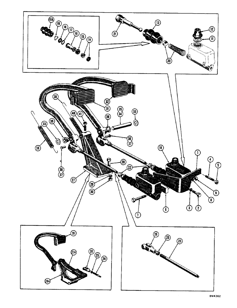
1

71223

SUPPORT ASS'Y - master cylinder

1шт.

2

354393X1

SCREW

HHCS - 1/2 - 20 NF x 1 (71223 mt'g.)

1шт.

3

80679

LOCK WASHER,1/20.507 CST ZND

WASHER, LOCK, 1/2"

1шт.

4

70967

STUD - 1/2 - 20 NF x 3-1/8 (71223 mt'g.)

2шт.

5

230-4618

LOCK NUT,1/2"-20, GA

NUT - lock (1/2 - 20 NF)

2шт.

6

70288

SPARE PART

SPACER - master cylinder

2шт.

7

14-6108

BOLT,Hex, 3/8" - 24 x 6-3/4", Gr 5, Full Thd

HHCS - 3/8 - 24 NF x 6-3/4 (31481 mt'g.)

2шт.

8

492-11038

LOCK WASHER,3/8"

WASHER, LOCK, 3/8"

2шт.

9

425-116

NUT,3/8" - 24, Gr 5

- reg. SF hex. (3/8 - 24 NF)

2шт.

10

31481

CYLINDER

ASS'Y - master

2шт.

11

33356

GASKET - filler cap

1шт.

12

33357

SPARE PART

CAP - filler

1шт.

13

33346

BOOT

- master cylinder

1шт.

5896

KIT

REPAIR KIT - master cylinder

1шт.

14

NSS

NOT SOLD SEPARAT

SEAT ASS'Y - master cylinder valve

1шт.

15

NSS

NOT SOLD SEPARAT

CUP - master cylinder

1шт.

16

NSS

NOT SOLD SEPARAT

PISTON ASS'Y - master cylinder

1шт.

17

NSS

NOT SOLD SEPARAT

SEAL - "O" ring

1шт.

18

NSS

NOT SOLD SEPARAT

WASHER - master cylinder

1шт.

19

NSS

NOT SOLD SEPARAT

STOP- master cylinder

1шт.

19a

33346

BOOT

- master cylinder

1шт.

20

33352

SPRING

& END CAP ASS'Y - master cylinder valve

1шт.

21

33345

ROD

- brake plunger

1шт.

22

9635082

NUT,5/16" - 18, Gr 5

- reg. SF hex. (5/16 - 18 NC)

2шт.

23

72171

ROD - brake push (Type I - for shoe type brakes)

2шт.

24

R13580

ROD

- brake push (Type II - for disc type brakes)

2шт.

25

425-158

JAM NUT,Jam, 1/2"-20, G5

2шт.

26

213-6

ADJUSTABLE CLEVIS,1/2"-20 x 3"

YOKE - adjustable

2шт.

27

70285

SUPPORT - brake shaft (Type I - for shoe type brakes)

1шт.

27a

R13496

SUPPORT - brake shaft (Type II - for disc type brakes)

1шт.

28

414-620

BOLT,Hex, 3/8" - 24 x 1-1/4", Gr 5

Hex, 3/8"-24 x 1 1/4", G5, Full Thd (70285 mt'g. only)

3шт.

414-624

BOLT,Hex, 3/8" - 24 x 1-1/2", Gr 5

HHCS - 3/8 - 24 NF x 1-1/2 (70285 mt'g. only)

1шт.

28a

414-624

BOLT,Hex, 3/8" - 24 x 1-1/2", Gr 5

HHCS - 3/8 - 24 NF x 1-1/2 (R13496 mt'g. only)

4шт.

29

492-11038

LOCK WASHER,3/8"

WASHER, LOCK, 3/8"

4шт.

30

425-116

NUT,3/8" - 24, Gr 5

- reg. SF hex. (3/8 - 24 NF)

4шт.

31

R14635

PEDAL ASS'Y - L.H. brake

1шт.

32

R14636

PEDAL ASS'Y - R.H. brake

1шт.

33

195-45

WASHER,3/4"

2шт.

34

72324

O-RING

PIN - brake pedal pivot

1шт.

35

432-1024

COTTER PIN,5/32" x 1 1/2"

5/32" x 1 1/2"

2шт.

36

427-8136

CLEVIS PIN,1/2" x 1.360"

PIN - yoke

2шт.

37

432-816

COTTER PIN,1/8" x 1"

PIN SPLIT (COTTER), 1/8" x 1"

2шт.

38

70264

SPRING - pedal return

2шт.

39

72323

BUSHING,19.07mm ID x 28.57mm OD x 19.05mm L

- nylon

4шт.

40

178-459

SET,Hex Soc, 3/8"-16 x 1"

SHSS - 3/8 - 16 NC x 1

1шт.

41

9419867

NUT

- hex. jam (3/8 - 16 NC)

1шт.

Выбрано товаров: 46