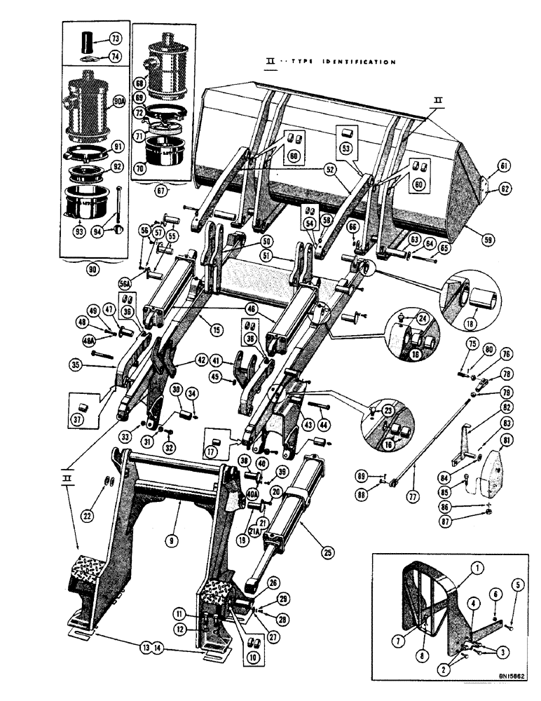
Запчасти Case 800 (170) - REAR HINGE LOADER (TYPE II) (05) - UPPERSTRUCTURE CHASSIS

Схема запчастей Case 800 - (170) - REAR HINGE LOADER (TYPE II) (05) - UPPERSTRUCTURE CHASSIS
FIT
1:1
100%

Артикул

Название

Примечание

Количество

1

R13976

GUARD ASS'Y - front

1шт.

2

414-1244

BOLT,Hex, 3/4" - 16 x 2-3/4", Gr 5

HHCS - 3/4 - 16 NF x 2-3/4 (R13976 mt'g.)

4шт.

3

19-68

BOLT,Hex, 3/4" - 16 x 3", Gr 5

HHCS - 3/4 - 16 NF x 3 (R13976 mt'g.)

4шт.

4

7733058

LOCK NUT

NUT - lock (3/4 - 16 NF)

4шт.

5

14-1644

BOLT,Hex, 1" - 14 x 2-3/4", Gr 5, Full Thd

HHCS - 1 - 14 NF x 2-3/4 (R13976 mt'g.)

2шт.

6

230-46116

LOCK NUT,1"-14, GA

NUT - lock (1 - 14 NF)

2шт.

7

14-1640

BOLT,Hex, 1" - 14 x 2-1/2", Gr 5, Full Thd

HHCS - 1 - 14 NF x 2-1/2 (R13976 mt'g.)

1шт.

8

492-11100

LOCK WASHER,1"

1"

1шт.

9

R16580

FRAME ASS'Y - upright

1шт.

10

70466

BUSHING

4шт.

11

14-1644

BOLT,Hex, 1" - 14 x 2-3/4", Gr 5, Full Thd

HHCS - 1 - 14 NF x 2-3/4 (R16580 mt'g.)

16шт.

12

492-11100

LOCK WASHER,1"

1"

16шт.

13

73169

SHIM

1шт.

14

73170

SHIM

1шт.

15

R14287

FRAME ASS'Y - lift

1шт.

16

72936

BUSHING

8шт.

17

R14259

BUSHING

2шт.

18

R13421

BUSHING

2шт.

19

R14702

PIN ASS'Y - (R14287 mt'g.)

2шт.

20

414-1028

BOLT,Hex, 5/8" - 18 x 1-3/4", Gr 5

HHCS - 5/8 - 18 NF x 1-3/4 (R14702 mt'g.)

2шт.

21

92-11062

LOCK WASHER,5/8"

WASHER, LOCK, 5/8"

2шт.

21a

495-11066

WASHER,5/8", SAE

- plain

2шт.

22

74298

WASHER

SPACER - washer

1шт.

23

219-55

LUBE NIPPLE,90 Degree Elbow, 1/8" - 27 NPTF

NIPPLE, LUBE, 90º, 1/8" NPT x .84" lg

2шт.

24

80710

LUBE NIPPLE,1/8” – 27 Dryseal PTF

NIPPLE, LUBE, , NPT 1/8"-27 x .66 lg

2шт.

25

R13564

CYLINDER ASS'Y - lift (See figure 226 for breakdown)

2шт.

26

70524

PIN

- (R13565 mt'g.)

2шт.

27

70523

WASHER,16.67mm ID x 47.63mm OD x 6.35mm Thk

- pin retaining

2шт.

28

700705743

SCREW

HHCS - 5/8 - 18 NF x 1-1/4 (70524 mt'g.)

2шт.

29

92-11062

LOCK WASHER,5/8"

WASHER, LOCK, 5/8"

2шт.

30

72972

PIN - (R13564 mt'g.)

4шт.

31

73092

WASHER - pin retaining

4шт.

32

14-1288

BOLT,Hex, 3/4" - 16 x 5-1/2", Gr 5

HHCS - 3/4 - 16 NF x 5-1/2 (72972 mt'g.)

4шт.

33

7733058

LOCK NUT

NUT - lock (3/4 - 16 NF)

4шт.

34

219-23

LUBE NIPPLE,1/4" - 18 NPTF

FITTING - straight grease, 1/4" NPT

4шт.

35

R19835

ARM ASS'Y - leveling

2шт.

36

72973

BUSHING

2шт.

37

R14259

BUSHING

1шт.

38

R14702

PIN ASS'Y - (R15291 mt'g.)

2шт.

39

414-1028

BOLT,Hex, 5/8" - 18 x 1-3/4", Gr 5

HHCS - 5/8 - 18 NF x 1-3/4 (R14702 mt'g.)

2шт.

40

92-11062

LOCK WASHER,5/8"

WASHER, LOCK, 5/8"

2шт.

40a

495-11066

WASHER,5/8", SAE

- plain

2шт.

41

R15516

LEVER ASS'Y - leveling, R.H.

1шт.

42

R15515

LEVER ASS'Y - leveling, L.H.

1шт.

43

74733

SPACER

2шт.

44

14-1696

HHCS - 1 - 14 NF x 6 (74733 mt'g.) Hex, 1"-14 x 6, G5

2шт.

45

230-46116

LOCK NUT,1"-14, GA

NUT - lock (1 - 14 NF)

2шт.

46

R12239

CYLINDER ASS'Y - dump (See figure 230 for breakdown)

2шт.

47

R15288

PIN ASS'Y - (R19835, R15516, R15515, & R12239 mt'g.)

2шт.

48

354393X1

SCREW

HHCS - 1/2 - 20 NF x 1 (R15288 mt'g.)

2шт.

48a

D23740

BUSHING

2шт.

49

80679

LOCK WASHER,1/20.507 CST ZND

WASHER, LOCK, 1/2"

2шт.

50

R13198

LEVER ASS'Y - L.H. (Order R2731 for service)

1шт.

51

R13199

LEVER ASS'Y - R.H. (Order R2731 for service)

1шт.

52

R12259

ARM ASS'Y - dump

2шт.

53

R13421

BUSHING

1шт.

54

72973

BUSHING

2шт.

55

R14705

PIN ASS'Y - (R13198 & R13199 mt'g.)

6шт.

56

354393X1

SCREW

HHCS - 1/2 - 20 NF x 1 (R14705 mt'g.)

6шт.

56a

D23740

BUSHING

6шт.

57

80679

LOCK WASHER,1/20.507 CST ZND

WASHER, LOCK, 1/2"

6шт.

58

80710

LUBE NIPPLE,1/8” – 27 Dryseal PTF

NIPPLE, LUBE, , NPT 1/8"-27 x .66 lg

2шт.

59

R12240

BUCKET ASS'Y

1шт.

60

R14220

BUSHING

8шт.

61

72855

BLADE

EDGE - cutting

1шт.

62

46-836

RIVET,Csk, 1/2" x 2 1/4"

- ctsk. head (1/2 x 2-1/4) (72855 mt'g.)

27шт.

63

R13427

PIN

- pivot (R12240 mt'g.)

4шт.

64

72915

GASKET

- pin retaining

8шт.

65

14-12120

HHCS - 3/4 - 16 NF x 7-1/2 (R13427 mt'g.)

4шт.

66

7733058

LOCK NUT

NUT - lock (3/4 - 16 NF)

4шт.

67

R11237

CLEANER ASS'Y - air (See optional type, ref. #90)

1шт.

68

NSS

NOT SOLD SEPARAT

BODY ASS'Y - air cleaner

1шт.

69

P836994

CLAMP

ASS'Y

1шт.

70

72571

CUP ASS'Y

1шт.

71

R15724

SCREEN ASS'Y - removable

1шт.

72

R15725

X

NUT - wing

2шт.

73

R11234

STACK - air cleaner

1шт.

74

R11243

X

CLAMP ASS'Y

1шт.

8875

INDICATOR - bucket (Optional)

1шт.

75

74061

STUD - (74053 mt'g.)

1шт.

76

425-118

NUT,1/2"-20, G5

- regular SF hex. (1/2 - 20 NF)

1шт.

74053

X

ROD ASS'Y - inidcator

1шт.

77

74054

ROD - indicator

1шт.

78

213-4

ADJUSTABLE CLEVIS,3/8"-24 x 2 1/2"

YOKE - adjustable

1шт.

79

425-116

NUT,3/8" - 24, Gr 5

- reg. SF hex. (3/8 - 24 NF)

1шт.

80

432-68

COTTER PIN,3/32" x 1/2"

PIN, SPLIT (COTTER), 3/32" x 1/2"

1шт.

74055

CASTING ASS'Y - indicator

1шт.

81

74056

SPARE PART

CASTING - indicator

1шт.

82

74057

POINTER ASS'Y - welded

1шт.

83

280250

COTTER PIN,3/32" OD x 3/4" L

PIN, SPLIT (COTTER), 3/32" x 3/4"

1шт.

84

395-11053

WASHER,0.53" ID x 1.06" OD x 0.1" Thk

- plain

1шт.

85

414-620

BOLT,Hex, 3/8" - 24 x 1-1/4", Gr 5

Hex, 3/8"-24 x 1 1/4", G5, Full Thd (74055 mt'g.)

2шт.

86

492-11038

LOCK WASHER,3/8"

WASHER, LOCK, 3/8"

2шт.

87

425-116

NUT,3/8" - 24, Gr 5

- reg. SF hex. (3/8 - 24 NF)

2шт.

88

427-6106

CLEVIS PIN,9.53mm OD x 26.92mm L

PIN, CLEVIS, 3/8" x 1 1/16"

1шт.

89

432-610

COTTER PIN,3/32" x 5/8"

PIN, SPLIT (COTTER), 3/32" x 5/8"

1шт.

90

R22268

CLEANER

ASS'Y - air (Optional type) (See ref. #67)

1шт.

90a

NSS

NOT SOLD SEPARAT

BODY ASS'Y - air cleaner

1шт.

91

R22419

BAND ASS'Y

1шт.

92

R21392

CUP ASS'Y - inner

1шт.

93

R22420

CUP

ASS'Y - outer

1шт.

94

R22421

BOLT ASS'Y

2шт.

Выбрано товаров: 102