Запчасти Case 800 (208) - RIPPER (05) - UPPERSTRUCTURE CHASSIS

Схема запчастей Case 800 - (208) - RIPPER (05) - UPPERSTRUCTURE CHASSIS
FIT
1:1
100%

Артикул

Название

Примечание

Количество

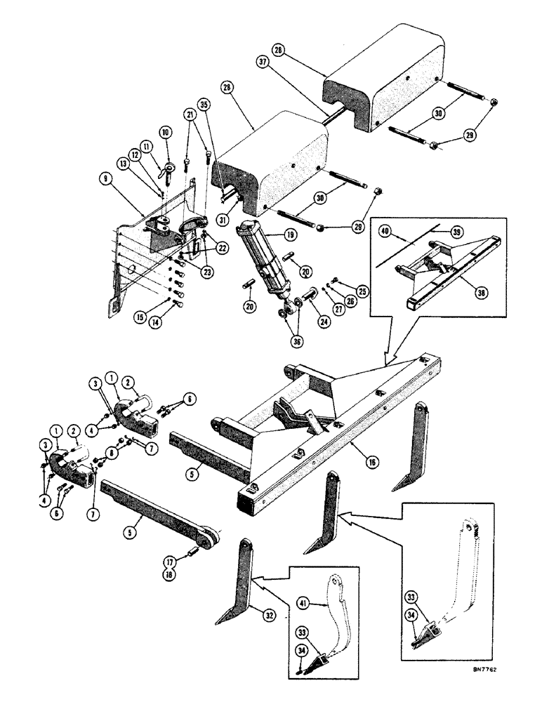
1

70795

X

BRACKET - attaching

2шт.

2

70884

BOLT

"U" BOLT - (70795 mt'g.)

2шт.

3

92-11062

LOCK WASHER,5/8"

WASHER, LOCK, 5/8"

4шт.

4

425-1110

NUT,5/8"-18, G5

- reg. SF hex. (5/8 - 18 NF)

4шт.

5

73594

X

ARM ASS'Y - attaching

2шт.

6

114-719

BOLT,Hex, 3/4" - 16 x 3-1/2", Gr 5

Hex, 3/4"-16 x 3 1/2", G5 (73594 mt'g.)

4шт.

7

87340

LOCK WASHER,Helical Spring, 0.759" ID, CST, ZND

WASHER, LOCK, 3/4"

4шт.

8

425-1112

NUT,3/4"-16, G5

- regular SF hex. (3/4 - 16 NF)

4шт.

9

74109

PLATE ASS'Y - backing

1шт.

10

72101

PIN ASS'Y

1шт.

11

35393

AXLE-SHAFT, ARTICULA

CHAIN - (72101 mt'g.)

1шт.

12

413-512

BOLT,Hex, 5/16" - 18 x 3/4", Gr 5

- 5/16 - 18 NF x 3/4 (35393 mt'g.)

1шт.

13

495-21038

WASHER,5/16"

1шт.

14

114-713

BOLT,Hex, 3/4" - 16 x 2", Gr 5, Full Thd

Hex, 3/4"-16 x 2", G5, Full Thd (74109 mt'g.)

10шт.

15

87340

LOCK WASHER,Helical Spring, 0.759" ID, CST, ZND

WASHER, LOCK, 3/4"

10шт.

16

73577

FRAME ASS'Y - ripper (Order R19058 for service)

1шт.

17

73592

AXLE PIN

PIN - (73577 mt'g.)

2шт.

18

38-12440

LOCK PIN,3/8" x 2 1/2", Slotted

PIN, LOCK, (73592 mt'g.) 3/8" x 2 1/2", Slotted

4шт.

19

G33615

CYLINDER

ASS'Y - hydraulic (See figure 236 for breakdown)

1шт.

20

70887

AXLE PIN

PIN - (R17512 mt'g.)

2шт.

21

114-616

BOLT,Hex, 5/8" - 18 x 4", Gr 5

HHCS - 5/8 - 18 NF x 4 (70887 mt'g.)

2шт.

22

92-11062

LOCK WASHER,5/8"

WASHER, LOCK, 5/8"

2шт.

23

425-1110

NUT,5/8"-18, G5

- reg. SF hex. (5/8 - 18 NF)

2шт.

24

31109

PIN ASSY.

PIN ASS'Y - (R17512 mt'g.)

1шт.

25

354393X1

SCREW

HHCS - 1/2 - 20 NF x 1 (31109 mt'g.)

1шт.

26

80679

LOCK WASHER,1/20.507 CST ZND

WASHER, LOCK, 1/2"

1шт.

27

D23740

BUSHING

1шт.

28

70885

WEIGHT

- ripper (Not required when used with dozer)

1шт.

29

230-46116

LOCK NUT,1"-14, GA

NUT - lock (1-14 NF)

4шт.

30

R11491

STUD - 1 - 14 NF x 15-1/2 (70885 mt'g.)

4шт.

31

704775

NUT

- regular SF hex. (1 - 14 NF)

4шт.

32

74170

TOOTH ASS'Y - ripper

3шт.

33

74172

TOOTH

- ripper

1шт.

34

438-13236

LOCK PIN,1/2" x 2 1/4", Slotted

Pin, 1/2" x 2 1/4", Slotted

1шт.

35

432-1628

COTTER PIN,1/4" x 1 3/4"

Pin, Split (Cotter), 1/4" x 1 3/4"

2шт.

36

74163

SPACER

- (31109 mt'g.)

2шт.

37

73591

ROD - tooth holding (Used only with 73577 frame)

1шт.

38

R19058

FRAME ASS'Y - ripper

1шт.

39

R21067

ROD

- tooth holding (Used only with R19058 frame)

1шт.

40

38-12440

LOCK PIN,3/8" x 2 1/2", Slotted

PIN, LOCK, 3/8" x 2 1/2", Slotted

1шт.

41

R18255

TOOTH

ASS'Y - ripper (Optional curved type)

3шт.

Выбрано товаров: 41