Запчасти Case 800 (100) - HYDRAULIC BRAKES (DISC TYPE) (TYPE II) (07) - HYDRAULIC SYSTEM

Схема запчастей Case 800 - (100) - HYDRAULIC BRAKES (DISC TYPE) (TYPE II) (07) - HYDRAULIC SYSTEM
FIT
1:1
100%

Артикул

Название

Примечание

Количество

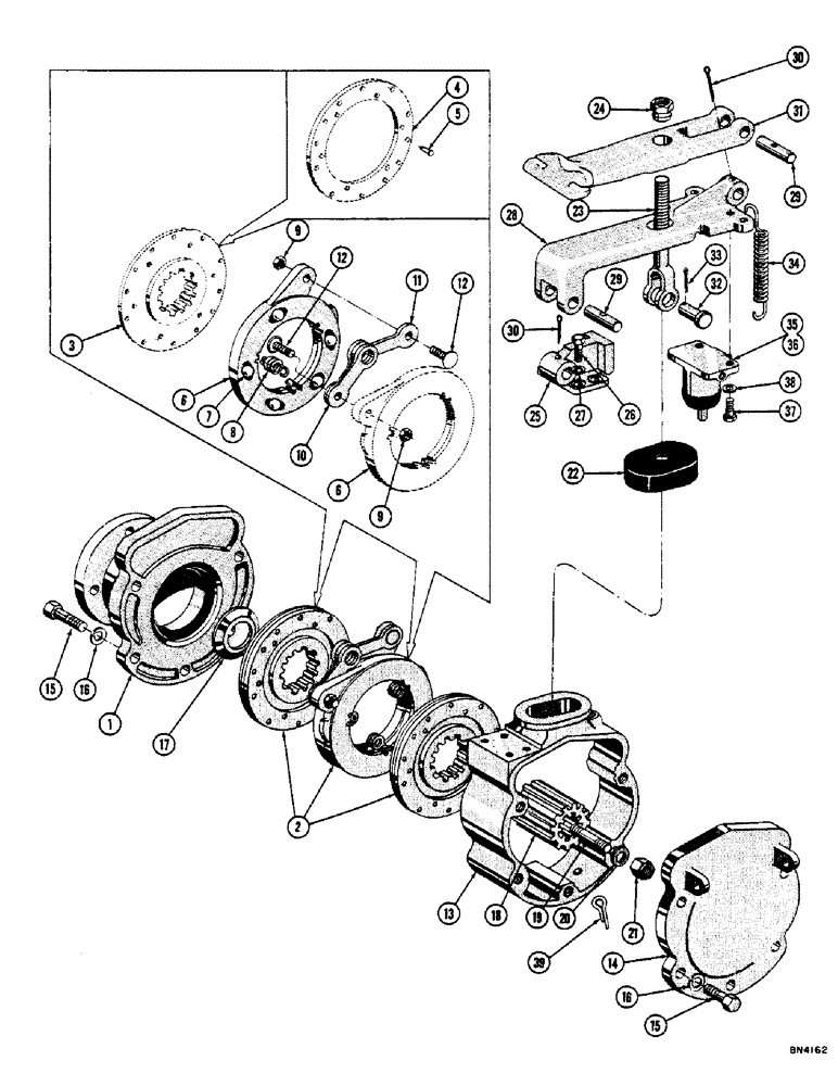
1

R13516

MOUNT - brake

2шт.

2

R13983

X

BRAKE ASS'Y - hydraulic

2шт.

1975467C2

BRAKE DISC

KIT - middle disc

1шт.

3

NSS

NOT SOLD SEPARAT

DISC ASS'Y - middle

2шт.

4

NSS

NOT SOLD SEPARAT

LINING - brake (Order kit R3004 for service)

2шт.

5

O7206AB

RIVET

- 3/16" dia. x 7/16

18шт.

R13352

BRAKE

KIT - actuating disc

1шт.

6

NSS

NOT SOLD SEPARAT

DISC - actuating

2шт.

7

211-1028

BALL,7/8" Dia

- . 7/8" Dia

5шт.

8

O8780AB

X

SPRING - extension

3шт.

9

18-252

NUT

- hex. jam (3/8 - 24 NF)

2шт.

10

O8782AB

X

LINK - yoke

1шт.

11

369237R1

LINK

- plain

1шт.

12

369238R1

BOLT,3/8" - 24 x 1 3/8", HT

STUD

2шт.

13

R14887

HOUSING - brake

2шт.

14

R13413

COVER

- brake

2шт.

15

13-820

BOLT,Hex, 1/2" - 13 x 1-1/4", Gr 5, Full Thd

20шт.

16

80679

LOCK WASHER,1/20.507 CST ZND

WASHER, LOCK, 1/2"

20шт.

17

R13614

SHIELD

SLINGER - oil

2шт.

18

R12613

ADAPTER

- brake

2шт.

19

G102110

BOLT

- 1/2 - 13 NC x 1-7/8

2шт.

20

R13347

WASHER

- special

2шт.

21

231-1408

LOCK NUT,1/2"-13, GB

NUT - lock (1/2 - 13 NC)

2шт.

22

A27465

CAP

- dust

2шт.

23

R14125

ROD

2шт.

24

R21551

LOCK NUT

- ball seat

2шт.

25

R14120

BRACKET

- brake

2шт.

26

413-614

BOLT,Hex, 3/8" - 16 x 7/8", Gr 5

(R14120 mt'g.) Hex, 3/8"-16 x 7/8", G5, Full Thd

4шт.

413-612

BOLT,Hex, 3/8" - 16 x 3/4", Gr 5

(R14120 mt'g.) Hex, 3/8"-16 x 3/4", G5, Full Thd

4шт.

27

492-11038

LOCK WASHER,3/8"

WASHER, LOCK, 3/8"

8шт.

28

R14121

LEVER

- brake

2шт.

29

R13609

AXLE PIN

PIN - brake

4шт.

30

432-1228

COTTER PIN,3/16" x 1 3/4"

3/16" x 1 3/4"

4шт.

31

R14785

LEVER - hand brake

2шт.

32

427-8136

CLEVIS PIN,1/2" x 1.360"

PIN - yoke

2шт.

33

432-816

COTTER PIN,1/8" x 1"

1/8" x 1"

2шт.

34

R14124

SPRING

4шт.

35

A50120

CYLINDER

ASS'Y - wheel

2шт.

36

R2933

BRAKE

KIT - wheel cylinder repair

1шт.

37

413-414

BOLT,Hex, 1/4" - 20 x 7/8", Gr 5

HHCS - 1/4 - 20 NC x 7/8

4шт.

38

92-4

LOCK WASHER,1/4"

WASHER, LOCK, 1/4"

4шт.

39

R14605

PIN

- cotter

4шт.

Выбрано товаров: 42