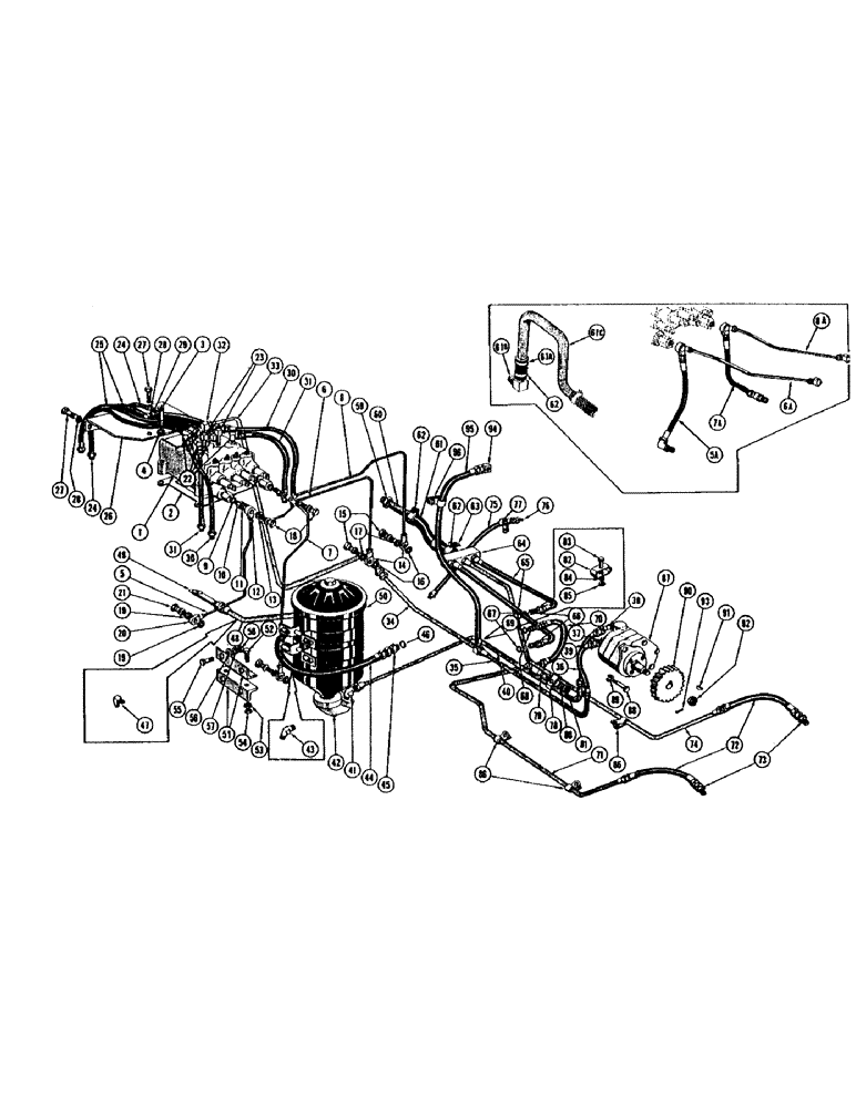
Запчасти Case 800 (114) - BASIC TRACTOR HYDRAULICS, BRAKE HYDRAULIC SYSTEM (07) - HYDRAULIC SYSTEM

Схема запчастей Case 800 - (114) - BASIC TRACTOR HYDRAULICS, BRAKE HYDRAULIC SYSTEM (07) - HYDRAULIC SYSTEM
FIT
1:1
100%

Артикул

Название

Примечание

Количество

1

74907

VALVE ASS'Y - hydraulic control (Type I) (See figure 246 for breakdown) (Order R12338 for service)

1шт.

R12338

VALVE ASS'Y - hydraulic control (Type II) (See figure 248 for breakdown)

1шт.

67

237-6006

O-RING,0.078" Thk x 0.468" ID, -906, Cl 6, 90 Duro

6-1, 90 Duro, .468" ID x .078" Thk, Seal, Transmission hydraulic system

2шт.

2

72136

GASKET - control valve

1шт.

69

237-6006

O-RING,0.078" Thk x 0.468" ID, -906, Cl 6, 90 Duro

6-1, 90 Duro, .468" ID x .078" Thk, Seal, Transmission hydraulic system

1шт.

3

62-632

SHCS - 3/8 - 24 NF x 2 (74907 or R12338 mt'g.)

4шт.

4

492-11038

LOCK WASHER,3/8"

WASHER, LOCK, 3/8"

4шт.

5

72078

TUBE ASS'Y - valve to R.H. brake (For tractors with shoe type brakes only) 9.125" Length

1шт.

5a

R13875

HOSE ASS'Y - valve to R.H. brake (For tractors with disc type brakes only)

1шт.

6

72076

TUBE ASS'Y - valve to transmission R.H. brake shaft (For tractors with shoe type brakes only) 9.437" Length

1шт.

6a

R13877

TUBE ASS'Y - valve to R.H. master cylinder (For tractors with disc type brakes only)

1шт.

7

72072

TUBE ASS'Y - valve to L.H. brake (For tractors with shoe type brakes only)

1шт.

7a

R13875

HOSE ASS'Y - valve to L.H. brake (For tractors with disc type brakes only)

1шт.

8

72074

TUBE ASS'Y - valve to transmission L.H. brake shaft (For tractors with shoe type brakes only) 0.188" OD, 7.5", 4.875" Length

1шт.

8a

R13879

TUBE ASS'Y - valve to L.H. master cylinder (For tractors with disc type brakes only)

1шт.

9

237-6008

O-RING,0.087" Thk x 0.644" ID, -908, Cl 6, 90 Duro

8-1, 90 Duro, .644" ID x .087" Thk, Seal

2шт.

10

72125

ADAPTER

- brake tube

2шт.

11

51200242

SEAL,15.24mm ID x 20.64mm OD x 0.81mm Thk

- inlet connection

2шт.

12

51200243

FITTING

- brake line

2шт.

13

NLS

NO LONGER SERVICED

- inlet connection

2шт.

14

50861

FITTING

- 3/16" tube

2шт.

15

A12864

BOLT

- connection, brake line fitting

2шт.

16

51200242

SEAL,15.24mm ID x 20.64mm OD x 0.81mm Thk

- inlet connection

2шт.

17

NLS

NO LONGER SERVICED

- inlet connection

2шт.

18

A12864

BOLT

- connection, brake line fitting

2шт.

19

33257

SPACER

GASKET - copper, special (For tractors with shoe type brakes only)

4шт.

20

33259

FITTING - brake (For tractors with shoe type brakes only)

2шт.

21

33258

KNIFE

BOLT - brake fitting (For tractors with shoe type brakes only)

2шт.

22

218-483

ELBOW,90 Degree Elbow, 9/16" - 18 Male JIC x 1/4" - 18 Male NPTF

- 90 degree male, 1/4" NPT to 3/8" JIC, transmission hydraulic system

6шт.

23

218-508

ELBOW - 90 degree extra long male, 1/4" NPT to 3/8" JIC, transmission hydraulic system

2шт.

24

73762

HOSE ASS'Y - valve to transmission clutch shaft, hydraulic system

2шт.

25

A50297

HYDRAULIC HOSE,6.35 mm ID x 704.80 mm, SAE100R1

6.35 mm ID x 704.80 mm, SAE 100R1, Assy - Valve to transmission clutch shaft, Hydraulic system

2шт.

26

73773

BRACKET - hose support, transmission hydraulic system

1шт.

27

414-612

BOLT,Hex, 3/8" - 24 x 3/4", Gr 5

(73773 mt'g.), Transmission hydraulic system Hex, 3/8"-24 x 3/4", G5, Full Thd

4шт.

28

492-11038

LOCK WASHER,3/8"

WASHER, LOCK, , Transmission hydraulic system 3/8"

4шт.

29

515-23127

CLAMP,1/2", Insul, 3/8" Bolt

Hose mtg, Transmission hydraulic system 1/2", Insul, 3/8" Bolt

4шт.

30

73756

HOSE ASS'Y - valve to transmission clutch shaft, hydraulic system

2шт.

31

73758

COIL

HOSE ASS'Y - valve to transmission clutch shaft, hydraulic system

2шт.

32

218-498

ELBOW - 90 degree extra long male, 1/2" NPT to 5/8" JIC, hydraulic system 90º, 7/8"-14, 37º x 1/2"-14, NPTF, XLG

1шт.

33

72208

TUBE ASS'Y - valve to pump, transmission hydraulic system

1шт.

34

72130

TUBE ASS'Y - valve to pump, transmission hydraulic system

1шт.

35

71109

CONNECTING LINK,19.625" Length

TUBE ASS'Y - valve to pump, transmission hydraulic system

1шт.

36

71175

FLEXIBLE HOSE

HOSE ASS'Y - valve to pump, transmission hydraulic system

1шт.

37

218-545

ELBOW,45 Degree, 7/8-14" NPTF x 3/4"-14, 37 Degree

- 45 degree male, 3/4" NPT to 5/8" JIC, transmission hydraulic system

1шт.

38

218-536

ELBOW,45 Degree, 1 1/1"6-12, 37 Degree x 3/4"-14, NPTF

- 45 degree male, 3/4" NPT to 3/4" JIC, transmission hydraulic system

1шт.

39

74785

HOSE ASSY.

HOSE ASS'Y - pump to filter, transmission hydraulic system

1шт.

40

74775

TUBE ASS'Y - pump to filter, transmission hydraulic system

1шт.

41

86513002

ELBOW,45 Degree, 7/8"-14, 37 Degree x 7/8"-14, NPTF

- 45 degree male, 1/2" NPT to 5/8" JIC, transmission hydraulic system

1шт.

42

34630

MANIFOLD - oil filter, transmission hydraulic system

1шт.

43

218-546

ELBOW,45 Degree, 1 1/16-12" 37 Degree x 1/2"-14, NPTF

- 45 degree male, 1/2" NPT to 3/4" JIC, transmission hydraulic system

1шт.

44

71188

HOSE ASS'Y - filter to torque converter, transmission hydraulic system

1шт.

45

218-5062

HYD CONNECTOR,7/8"-14, 37 Degree x 7/8"-14, O-Ring

CONNECTOR - male, special, transmission hydraulic system

1шт.

46

237-6010

O-RING,0.097" Thk x 0.755" ID, -910, Cl 6, 90 Duro

10-1, 90 Duro, .755" ID x .097" Thk, Transmission hydraulic system

1шт.

47

218-488

ELBOW,90 Degree Elbow, 1-5/16" - 12 Male JIC x 1" - 11-1/2 Male NPTF

- 90 degree male, 1" NPT to 1" JIC, transmission hydraulic system

1шт.

48

71107

TUBE ASS'Y - filter to transmission, hydraulic system

1шт.

49

71238

ELBOW

EXTENSION ASS'Y - suction line, transmission hydraulic system

1шт.

50

34634

FILTER ASS'Y - hydraulic oil (See figure 118 for breakdown), transmission system

1шт.

51

71187

COVER

BRACKET - oil filter mt'g., transmission hydraulic system

2шт.

52

414-624

BOLT,Hex, 3/8" - 24 x 1-1/2", Gr 5

HHCS - 3/8 - 24 NF x 1-1/2 (71187 mt'g.), transmission hydraulic system

2шт.

53

492-11038

LOCK WASHER,3/8"

WASHER, LOCK, , Transmission hydraulic system 3/8"

2шт.

54

425-116

NUT,3/8" - 24, Gr 5

- reg. SF hex. (3/8 - 24 NF), Transmission hydraulic system

2шт.

55

414-616

BOLT,Hex, 3/8" - 24 x 1", Gr 5

HHCS - 3/8 - 24 NF x 1 (34634 mt'g.), transmission hydraulic system

4шт.

56

195-25

WASHER,3/8"

Transmission hydraulic system 3/8"

4шт.

57

492-11038

LOCK WASHER,3/8"

WASHER, LOCK, , Transmission hydraulic system 3/8"

4шт.

58

425-116

NUT,3/8" - 24, Gr 5

- reg. SF hex. (3/8 - 24 NF), Transmission hydraulic system

4шт.

59

24175R1

BUSHING,1" NPT Male x 3/4" NPT Fem

- 3/4" NPT to 1" NPT (For tractors with shoe type brakes only), transmission hydraulic system

1шт.

60

75032

NIPPLE - pipe, special (For tractors with shoe type brakes only), transmission hydraulic system

1шт.

61

R10861

HOSE - low pressure, transmission hydraulic system

1шт.

61a

R13874

HOSE - low pressure (For tractors with disc type brakes only), transmission hydraulic system

1шт.

61b

R13872

ELBOW AND TUBE ASS'Y - (For tractors with disc type brakes only), transmission hydraulic system

1шт.

61c

R14725

TUBE - (For tractors with disc type brakes only), transmission hydraulic system

1шт.

62

214-256

HOSE CLAMP,#20, 0.81" - 1.75", Type F Worm

CLAMP - hose, transmission hydraulic system

4шт.

63

49773

CLAMP

- hose, transmission hydraulic system

1шт.

64

R10987

BLOCK - junction, transmission hydraulic system

1шт.

65

74072

HOSE ASS'Y - tee to torque converter, transmission hydraulic system

2шт.

66

218-5057

HYD CONNECTOR,9/16" - 18 JIC x 9/16" - 18 ORB

CONNECTOR - male, special, transmission hydraulic system

2шт.

68

218-5351

HYD CONNECTOR,3/4"-16, 37 Degree x 9/16"-18, O-Ring

CONNECTOR - male, special, transmission hydraulic system

1шт.

70

74086

HOSE ASS'Y - converter to sump, transmission hydraulic system

1шт.

71

425-1014

NUT,7/8"-9, G5

TUBE ASS'Y - converter to sump, transmission hydraulic system

1шт.

72

71499

PIN

HOSE ASS'Y - to sump, transmission hydraulic system

2шт.

73

218-456

HYD CONNECTOR,3/4" - 16 Male JIC x 1/2" - 14 Male NPTF

CONNECTOR - male, 1/2" NPT to 1/2" JIC, transmission hydraulic system

2шт.

74

74065

TUBE ASS'Y - sump to tee, transmission hydraulic system

1шт.

75

19275

HOSE ASS'Y - converter pressure check, transmission hydraulic system

1шт.

76

217-433

PLUG,Hex Soc, 1/4" - 18 NPTF

- pipe, extended square head, 1/4" NPT, transmission hydraulic system

1шт.

77

49774

CLAMP

- hose (19275 mt'g.), transmission hydraulic system

1шт.

78

32978

PLATE ASSY.

CLAMP - tube (74775 & 71495 mt'g.), transmission hydraulic system

2шт.

79

414-524

BOLT,Hex, 5/16" - 24 x 1-1/2", Gr 5

HHCS - 5/16 - 24 NF x 1-1/2 (32978 mt'g.), transmission hydraulic system

1шт.

80

92-5

LOCK WASHER,5/16"

transmission hydraulic system 5/16"

1шт.

81

425-115

NUT,5/16"-24, G5

- reg. SF hex. (5/16 - 24 NF), Transmission hydraulic system

1шт.

82

32978

PLATE ASSY.

CLAMP - tube (74775 & 72130 mt'g.), transmission hydraulic system

2шт.

83

414-524

BOLT,Hex, 5/16" - 24 x 1-1/2", Gr 5

HHCS - 5/16 - 24 NF x 1-1/2 (32978 mt'g.)

1шт.

84

92-5

LOCK WASHER,5/16"

transmission hydraulic system 5/16"

1шт.

85

425-115

NUT,5/16"-24, G5

- reg. SF hex. (5/16 - 24 NF), Transmission hydraulic system

1шт.

86

49774

CLAMP

- tube (74065 & 74088 mt'g.), transmission hydraulic system

4шт.

87

32655

PUMP ASS'Y - hydraulic (See figure 244 for breakdown), transmission hydraulic system

1шт.

88

413-616

BOLT,Hex, 3/8" - 16 x 1", Gr 5

(32655 mt'g.), Transmission hydraulic system Hex, 3/8"-16 x 1", G5, Full Thd

2шт.

89

492-11038

LOCK WASHER,3/8"

WASHER, LOCK, , Transmission hydraulic system 3/8"

2шт.

90

70291

SPARE PART

GEAR - pump drive, transmission hydraulic system

1шт.

91

126-16

WOODRUFF KEY,#9, 3/16" x 3/4"

Transmission hydraulic system #9, 3/16" x 3/4"

1шт.

92

425-1310

SLOTTED NUT,5/8"-18, G5

NUT - slotted hex. (5/8 - 18 NF), transmission hydraulic system

1шт.

93

432-624

COTTER PIN,3/32" x 1 1/2"

transmission hydraulic system 3/32" x 1 1/2"

1шт.

94

222-851

ELBOW,90 Degree, 7/16"-20, 45 Degree Fl x 1/8" NPT, Fem

- 90 degree female, 1/8" NPT to 1/4" JIC, transmission hydraulic system

1шт.

95

33727

HOSE

ASS'Y - tee to oil pressure gauge, transmission hydraulic system

1шт.

96

49836

CLAMP

- hose (33727 mt'g.), transmission hydraulic system

1шт.

Выбрано товаров: 104