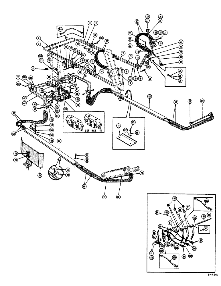
Запчасти Case 800 (188) - HYDRAULIC CROWN TILT BULLDOZER HYDRAULICS (07) - HYDRAULIC SYSTEM

Схема запчастей Case 800 - (188) - HYDRAULIC CROWN TILT BULLDOZER HYDRAULICS (07) - HYDRAULIC SYSTEM
FIT
1:1
100%

Артикул

Название

Примечание

Количество

1

71561

TOOL BOX

TUBE ASS'Y - valve to R.H. lift cylinder

1шт.

2

71549

TUBE ASS'Y - valve to R.H. lift cylinder

1шт.

3

71559

COIL

TUBE ASS'Y - valve to R.H. lift cylinder

1шт.

4

71555

ARM

TUBE ASS'Y - valve to R.H. lift cylinder

1шт.

5

72119

TEE - special

2шт.

6

72519

TUBE ASS'Y - valve to L.H. lift cylinder

1шт.

7

71565

TUBE ASS'Y - valve to L.H. lift cylinder

1шт.

8

72295

EXHAUST MANIFOLD

TUBE ASS'Y - valve to L.H. lift cylinder (For tractors with shoe type brakes only)

1шт.

8a

R14628

TUBE ASS'Y - valve to L.H. lift cylinder (For tractors with disc type brakes only)

1шт.

9

71563

TUBE ASS'Y - valve to L.H. lift cylinder

1шт.

10

71534

BRACKET

1шт.

11

414-516

BOLT,Hex, 5/16" - 24 x 1", Gr 5

HHCS - 5/16 24 NF x 1 (71534 mt'g.)

1шт.

12

92-5

LOCK WASHER,5/16"

1шт.

13

425-115

NUT,5/16"-24, G5

- reg. SF hex. (5/16 - 24 NF)

1шт.

14

32978

PLATE ASSY.

PLATE - clamp

5шт.

15

414-524

BOLT,Hex, 5/16" - 24 x 1-1/2", Gr 5

HHCS - 5/16 - 24 NF x 1-1/2 (32978 mt'g.)

2шт.

16

92-5

LOCK WASHER,5/16"

2шт.

17

425-115

NUT,5/16"-24, G5

- reg. SF hex. (5/16 - 24 NF)

2шт.

18

71603

SPACER

1шт.

19

D33316

CLAMP

PLATE - clamp

9шт.

20

7884729

HARDWARE

HHCS - 5/16 - 24 NF x 1-3/4 (71603 & 31665 mt'g.)

1шт.

21

92-5

LOCK WASHER,5/16"

1шт.

22

425-115

NUT,5/16"-24, G5

- reg. SF hex. (5/16 - 24 NF)

1шт.

23

71573

BRACKET - support

2шт.

24

414-520

BOLT,Hex, 5/16" - 24 x 1-1/4", Gr 5

HHCS - 5/16 - 24 NF x 1-1/4 (71573 mt'g.)

2шт.

25

92-5

LOCK WASHER,5/16"

2шт.

26

425-115

NUT,5/16"-24, G5

- reg. SF hex. (5/16 - 24 NF)

2шт.

27

414-524

BOLT,Hex, 5/16" - 24 x 1-1/2", Gr 5

HHCS - 5/16 - 24 NF x 1-1/2 (32978 mt'g.)

2шт.

28

92-5

LOCK WASHER,5/16"

2шт.

29

425-115

NUT,5/16"-24, G5

- reg. SF hex. (5/16 - 24 NF)

2шт.

30

35582

HOSE

ASS'Y - tube to lift cylinders

4шт.

31

414-532

BOLT,Hex, 5/16" - 24 x 2", Gr 5

HHCS - 5/16 - 24 NF x 2 (31665 mt'g.)

4шт.

32

92-5

LOCK WASHER,5/16"

4шт.

33

425-115

NUT,5/16"-24, G5

- reg. SF hex. (5/16 - 24 NF)

4шт.

34

71571

BAND,16.875" Length

TUBE ASS'Y - valve to lift cylinder, front ports

2шт.

35

71568

BEARING ASSY,95mm ID x 145mm OD x 32mm W

TUBE ASS'Y - valve to lift cylinder, L.H. rear ports

1шт.

36

71569

TUBE ASS'Y - valve to lift cylinder, R.H. rear ports

1шт.

37

218-485

ELBOW,90 Degree Elbow, 7/8" - 14 Male JIC x 1/2" - 14 Male NPTF

- 90 degree male, 1/2" NPT to 5/8" JIC

3шт.

38

R14845

ELBOW - special (R.H. only)

1шт.

217-433

PLUG,Hex Soc, 1/4" - 18 NPTF

- pipe, extended square head (Used with R14845)

1шт.

39

218-504

ELBOW,90 Degree Elbow, 7/8" - 14 Male JIC x 3/4" - 14 Male NPTF

- special, 3/4" NPT to 5/8" JIC

1шт.

40

72358

SET OF RINGS,0.625" OD, 10.125" Length

TUBE ASS'Y - valve to R.H. push beam cylinder, upper

1шт.

41

71473

TUBE ASS'Y - valve to R.H. push beam cylinder, upper

1шт.

R14401

TUBE ASS'Y - valve to R.H. push beam cylinder (Used on bull dozer pull behind combination)

1шт.

42

281077C1

ELBOW UNION,90 Degree, 7/8"-14, 37 Degree x 3/4"-14, NPTF

ELBOW - 90 degree male, 3/4" NPT to 5/8" JIC

1шт.

43

71609

TUBE ASS'Y - valve to R.H. push beam cylinder, lower

1шт.

44

71471

COVER

TUBE ASS'Y - valve to R.H. push beam cylinder, lower

1шт.

R14395

TUBE ASS'Y - valve to R.H. push beam cylinder, lower (Used with bull dozer pull behind combination)

1шт.

45

218-504

ELBOW,90 Degree Elbow, 7/8" - 14 Male JIC x 3/4" - 14 Male NPTF

- special, 3/4" NPT to 5/8" JIC

1шт.

46

71623

WASHER

TUBE ASS'Y - valve to L.H push beam cylinder, upper

1шт.

47

71619

TUBE ASS'Y - valve to L.H. push beam cylinder, upper

1шт.

48

281077C1

ELBOW UNION,90 Degree, 7/8"-14, 37 Degree x 3/4"-14, NPTF

ELBOW - 90 degree male, 3/4" NPT to 5/8" JIC

1шт.

49

71621

TUBE ASS'Y - valve to L.H. push beam cylinder, lower

1шт.

50

71617

TUBE ASS'Y - valve to L.H. push beam cylinder, lower

1шт.

51

D33316

CLAMP

PLATE - clamp

2шт.

52

414-532

BOLT,Hex, 5/16" - 24 x 2", Gr 5

HHCS - 5/16 - 24 NF x 2 (31665 & 74104 mt'g.)

2шт.

53

74104

SPACER

2шт.

54

92-5

LOCK WASHER,5/16"

2шт.

55

425-115

NUT,5/16"-24, G5

- reg. SF hex. (5/16 - 24 NF)

2шт.

56

74262

SUPPORT - hose clamp

2шт.

57

414-520

BOLT,Hex, 5/16" - 24 x 1-1/4", Gr 5

HHCS - 5/16 - 24 NF x 1-1/4 (74262 mt'g.)

2шт.

58

95-11034

WASHER,1/4"

- plain

2шт.

59

131-149

LOCK NUT,5/16"-24, GA

NUT - lock (5/16 - 24 NF)

2шт.

60

74724

HOSE ASS'Y

4шт.

61

414-520

BOLT,Hex, 5/16" - 24 x 1-1/4", Gr 5

HHCS - 5/16 - 24 NF x 1-1/4

2шт.

62

74748

TUBE ASS'Y

4шт.

63

74755

GUARD ASS'Y - tube, L.H.

1шт.

64

74756

GUARD ASS'Y - tube, R.H.

1шт.

65

414-828

BOLT,Hex, 1/2" - 20 x 1-3/4", Gr 5

HHCS - 1/2 - 20 NF x 1-3/4

8шт.

66

80679

LOCK WASHER,1/20.507 CST ZND

WASHER, LOCK, 1/2"

8шт.

67

95-8

WASHER,1/2"

- plain 1/2"

4шт.

68

39882

FLEXIBLE HOSE

HOSE ASS'Y

4шт.

69

39897

TUBE ASS'Y

2шт.

70

17179

CLAMP - tube

2шт.

71

114-105

BOLT,Hex, 5/16" - 24 x 5/8", Gr 5

2шт.

72

D20168

RESTRICTOR ASS'Y - flow

2шт.

73

218-445

HYD CONNECTOR,7/8" - 14 Male JIC x 1/2" - 14 Male NPTF

CONNECTOR - male

2шт.

74

R11325

GUARD ASS'Y - L.H.

1шт.

R11372

GUARD ASS'Y - R.H.

1шт.

75

14-1632

BOLT,Hex, 1" - 14 x 2", Gr 5, Full Thd

HHCS - 1 - 14 NF x 2

2шт.

76

492-11100

LOCK WASHER,1"

1"

4шт.

77

74751

PLATE - step

2шт.

78

D33316

CLAMP

PLATE - clamp

2шт.

79

35335

SPACER

1шт.

80

114-410

BOLT,Hex, 1/2" - 20 x 2", Gr 5

1шт.

81

80679

LOCK WASHER,1/20.507 CST ZND

WASHER, LOCK, 1/2"

1шт.

82

425-118

NUT,1/2"-20, G5

- regular SF hex. (1/2 - 20 NF)

1шт.

83

71343

BRACKET

VALVE ASS'Y - hydraulic (Type I - round seal mt'g. between sections - see illustration) (See figure 252 for breakdown) (Order R14052 for service), lever system

1шт.

83

71343

BRACKET

VALVE ASS'Y - hydraulic (Type I - round seal mt'g. between sections - see illustration) (See figure 252 for breakdown) (Order R14052 for service), lever system

1шт.

84

414-840

BOLT,Hex, 1/2" - 20 x 2-1/2", Gr 5

HHCS - 1/2 - 20 NF x 2-1/2 (71343 or R14052 mt'g.), lever & valve system

2шт.

85

80679

LOCK WASHER,1/20.507 CST ZND

WASHER, LOCK, , Lever & valve system 1/2"

2шт.

86

425-118

NUT,1/2"-20, G5

- regular SF hex. (1/2 - 20 NF), lever & valve system

2шт.

87

114-410

BOLT,Hex, 1/2" - 20 x 2", Gr 5

(71343 or R14052 mt'g.), lever & valve system Hex, 1/2"-20 x 2", G5

1шт.

88

80679

LOCK WASHER,1/20.507 CST ZND

WASHER, LOCK, , Lever & valve system 1/2"

1шт.

89

R22755

LINK

- hydraulic valve, lever system

6шт.

89a

R22755

LINK

- control valve, used with R22671 spring guide (See figure 266 for identification) (See illustration), lever system

2шт.

90

71301

LEVER - hydraulic valve, sysetm

3шт.

91

427-6106

CLEVIS PIN,9.53mm OD x 26.92mm L

PIN, CLEVIS, , Yoke, Lever & valve system 3/8" x 1 1/16"

12шт.

92

71303

PIN - yoke, lever & valve system

3шт.

93

280250

COTTER PIN,3/32" OD x 3/4" L

PIN, SPLIT (COTTER), , Lever & valve system 3/32" x 3/4"

15шт.

94

NSS

NOT SOLD SEPARAT

SPACER - control lever (Order (1) 74849 & (2) 74898 for service) (For use without ref. #101 bushings), valve system

1шт.

95

NSS

NOT SOLD SEPARAT

LEVER ASS'Y - hydraulic control, dozer (Order (1) 74888 & (2) 74898 for service) (For use without ref. #101 bushings), valve system

1шт.

74888

LEVER ASS'Y - hydraulic control, dozer (For use with ref. #101 bushings), valve system

1шт.

96

NSS

NOT SOLD SEPARAT

LEVER ASS'Y - hydraulic control, right tilt (Order (1) 74887 & (2) 74898 for service) (For use without ref. #101 bushings), valve system

1шт.

74887

LEVER ASS'Y - hydraulic control, right tilt (For use with ref. #101 bushings), valve system

1шт.

NSS

NOT SOLD SEPARAT

LEVER ASS'Y - hydraulic control, left tilt (Order (1) 74892 & (2) 74898 for service) (For use without ref. #101 bushings), valve system

1шт.

74892

LEVER ASS'Y - hydraulic control, left tilt (For use with ref. #101 bushings), valve system

1шт.

376959R2

KNOB

BALL - grip, lever & valve system

3шт.

Выбрано товаров: 108