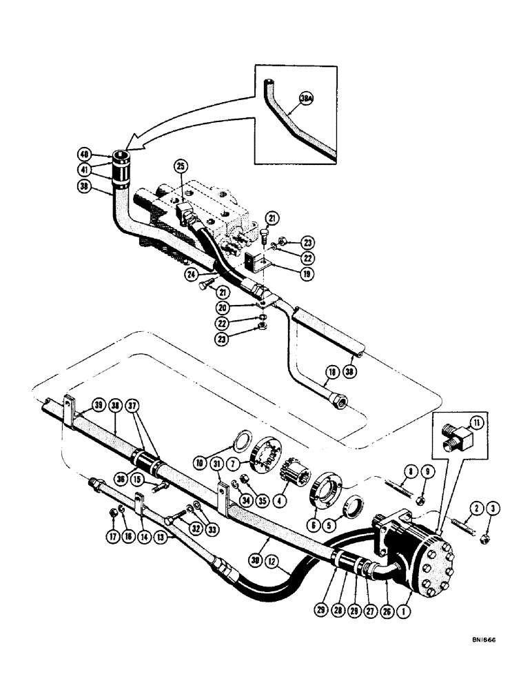
Запчасти Case 800 (204) - DOZER PRIMARY HYDRAULICS (07) - HYDRAULIC SYSTEM

Схема запчастей Case 800 - (204) - DOZER PRIMARY HYDRAULICS (07) - HYDRAULIC SYSTEM
FIT
1:1
100%

Артикул

Название

Примечание

Количество

1

R12536

PUMP ASS'Y - hydraulic (See figure 242 for breakdown)

1шт.

2

46522

SLEEVE

STUD - 1/2 - 20 NF to 1/2 - 13 NC x 2-1/8 (R12536 mt'g.)

4шт.

3

230-4618

LOCK NUT,1/2"-20, GA

NUT - lock (1/2 - 20 NF)

4шт.

4

R13927

QUICK MALE COUPLING

COUPLING - male

1шт.

5

A12929

OIL SEAL

- oil

1шт.

6

72991

RETAINER - seal

1шт.

7

R13928

COUPLING

- female

1шт.

8

46521

SHEAR BOLT,1/4" - 20 x 1-1/2"

STUD - 7/16 - 29 NF to 7/16 - 14 NC x 2-5/8 (72991 & R13928 mt'g.)

4шт.

9

131-1119

LOCK NUT,7/16"-24, GA

NUT - lock (7/16 - 20 NF)

4шт.

10

R10830

WASHER

- special

1шт.

11

218-488

ELBOW,90 Degree Elbow, 1-5/16" - 12 Male JIC x 1" - 11-1/2 Male NPTF

- 90 degree male, 1" NPT x 1" JIC

1шт.

12

70568

HOSE ASS'Y

1шт.

13

74507

TUBE ASS'Y

1шт.

14

R11405

CLAMP

- tube (74507 mt'g.)

1шт.

15

114-7

BOLT,Hex, 1/4" - 28 x 7/8", Gr 5, Full Thd

(R11405 mt'g.) Hex, 1/4"-28 x 7/8", G5, Full Thd

1шт.

16

92-4

LOCK WASHER,1/4"

WASHER, LOCK, 1/4"

1шт.

17

704668

NUT

- reg. SF hex. (1/4 - 28 NF)

1шт.

18

R12722

TUBE ASS'Y

1шт.

19

71534

BRACKET - tube mt'g.

1шт.

20

R13049

CLAMP - tube (R12722 mt'g.)

1шт.

21

353517X1

SCREW

HHCS - 5/16 - 24 NF x 3/4 (71534 & R13049 mt'g.)

2шт.

22

92-5

LOCK WASHER,5/16"

2шт.

23

425-115

NUT,5/16"-24, G5

- reg. SF hex. (5/16 - 24 NF)

2шт.

24

R13206

HOSE ASS'Y

1шт.

25

218-488

ELBOW,90 Degree Elbow, 1-5/16" - 12 Male JIC x 1" - 11-1/2 Male NPTF

- 90 degree male, 1" NPT x 1" JIC

1шт.

26

80445020

FITTING

ELBOW - 45 degree street, 1-1/4 NPT

1шт.

27

71374

YOKE

NIPPLE - special

1шт.

28

R14169

HOSE

- low pressure

1шт.

29

214-258

HOSE CLAMP,#28, 1.31" - 2.25", Type F Worm

2шт.

30

71327

TUBE - front

1шт.

31

49773

CLAMP

- tube (71327 mt'g.)

1шт.

32

354393X1

SCREW

HHCS - 1/2 - 20 NF x 1 (49773 mt'g.)

1шт.

33

395-11053

WASHER,0.53" ID x 1.06" OD x 0.1" Thk

- plain

2шт.

34

80679

LOCK WASHER,1/20.507 CST ZND

WASHER, LOCK, 1/2"

1шт.

35

425-118

NUT,1/2"-20, G5

- ref. SF hex. (1/2 - 20 NF)

1шт.

36

R14169

HOSE

- low pressure

1шт.

37

214-258

HOSE CLAMP,#28, 1.31" - 2.25", Type F Worm

2шт.

38

R14672

TUBE - suction, rear (For use on tractors with disc type brakes only)

1шт.

38a

70576

TUBE - suction, rear (For use on tractors with shoe type brakes only)

1шт.

39

49773

CLAMP

- tube

1шт.

40

R14169

HOSE

- low pressure

1шт.

41

214-258

HOSE CLAMP,#28, 1.31" - 2.25", Type F Worm

2шт.

Выбрано товаров: 42