Запчасти Case 850 (H10-1) - EQUIPMENT PRIMARY HYDRAULICS (07) - HYDRAULIC SYSTEM

Схема запчастей Case 850 - (H10-1) - EQUIPMENT PRIMARY HYDRAULICS (07) - HYDRAULIC SYSTEM
1
2
11
30
7
28
25
3
16
20
8
13
3
18
21
26
24
5
23
2
27
6
15
17
29
14
12
22
19
2
27
9
4
10
2
FIT
1:1
100%

Артикул

Название

Примечание

Количество

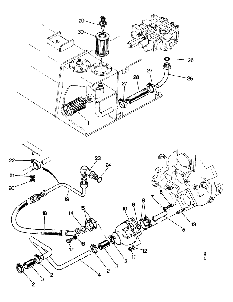
1

D33557

FILTER, ELEMENT

FILTER - hydraulic tank, suction line

1шт.

2

214-257

HOSE CLAMP,#24, 1.06" - 2", Type F Worm

4шт.

3

71335

X

HOSE - low pressure

2шт.

4

D39764

TUBE

- tank to pump, suction

1шт.

5

D35993

FITTING

STEM - hose, 90degree

1шт.

6

13-820

BOLT,Hex, 1/2" - 13 x 1-1/4", Gr 5, Full Thd

4шт.

7

92-8

LOCK WASHER,1/2"

4шт.

8

A14157

FLANGE

- split

2шт.

9

A14515

O-RING,0.139" Thk x 1.859" ID, -225, Cl 5, 75 Duro

'O' RING

1шт.

10

E81039

PUMP

- hydraulic

1шт.

11

25-108

NUT,1/2"-13, G5

- 1/2 UNC

4шт.

12

92-8

LOCK WASHER,1/2"

4шт.

13

D32386

STUD

- 1/2 UNC x 3.1/8 in

4шт.

14

A12139

O-RING

'O' RING

1шт.

15

A12301

CLAMP,Half

- split

2шт.

16

92-7

LOCK WASHER,7/16"

4шт.

17

13-724

BOLT,Hex, 7/16" - 14 x 1-1/2", Gr 5

- 7/16 UNC x 2 in

4шт.

18

R21782

HOSE

- special, pump to valve, 34.1/2 in

1шт.

19

D46842

TUBE

-, Serial Range: pump-valve

1шт.

20

131-4

LOCK NUT,5/16"-18, GB

NUT - lock, 5/16 UNC

1шт.

21

195-21

WASHER,5/16"

1шт.

22

515-22254

CLAMP,1", Insul, 5/16" Bolt

- tube

1шт.

23

R20720

FITTING

ELBOW - adjustable 90degree

1шт.

24

218-5011

O-RING,0.118" Thk x 1.475" ID, -920, Cl 6, 90 Duro

'O' RING

1шт.

25

D39762

TUBE - valve to hydraulic tank

1шт.

26

218-5011

O-RING,0.118" Thk x 1.475" ID, -920, Cl 6, 90 Duro

'O' RING

1шт.

27

214-256

HOSE CLAMP,#20, 0.81" - 1.75", Type F Worm

CLAMP - hose

2шт.

28

D40107

HOSE

- low pressure

1шт.

29

L51620

VALVE

- pressure relief

1шт.

30

D35995

STRAINER ELEMENT

FILTER - hydraulic tank, return line

1шт.

31

D48678

DEFLECTOR

- hydraulic tank return line, not shown

1шт.

Выбрано товаров: 0