Запчасти Case 850 (J15-1) - 3 SPOOL CONTROL VALVES AND LEVERS (07) - HYDRAULIC SYSTEM

Схема запчастей Case 850 - (J15-1) - 3 SPOOL CONTROL VALVES AND LEVERS (07) - HYDRAULIC SYSTEM
30
29
13
19
14
32
6
31
23
39
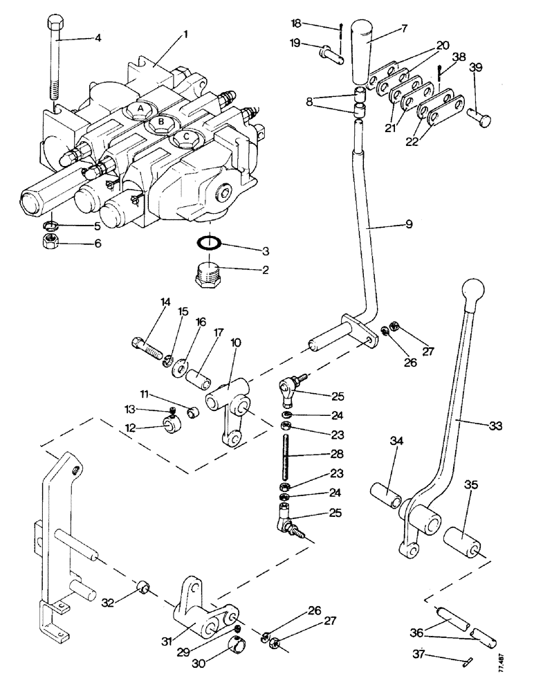
1
17
26
25
11
27
12
33
38
20
24
34
10
8
5
21
15
9
3
23
35
36
16
37
2
28
7
22
24
4
25
27
18
26
FIT
1:1
100%

Артикул

Название

Примечание

Количество

1

R33072

VALVE

- Angle Tilt Pitch Dozer, see Figure H13-1

1шт.

R33068

VALVE

- Loader, see Figure J18-1

1шт.

2

273916

PLUG,Hex, 1-5/16" - 12 ORB

Hydraulic, if fitted Hex Hd, 1 5/16"-12 ORB

2шт.

3

218-5010

O-RING,0.116" Thk x 1.171" ID, -916, Cl 6, 90 Duro

'O'RING

1шт.

4

13-872

BOLT,Hex, 1/2" - 13 x 4-1/2", Gr 5

3шт.

5

92-8

LOCK WASHER,1/2"

3шт.

6

25-108

NUT,1/2"-13, G5

- 1/2 UNC

3шт.

7

R38654

KNOB

- control lever

1шт.

8

R38655

RING

- spacer

2шт.

9

E81468

LEVER

- control, lift and tilt

1шт.

10

R33282

PIVOT

LEVER - pivot

1шт.

11

R30880

BUSHING

BUSH - lever

2шт.

12

D43620

COLLAR

- control lever

1шт.

13

83-54

SET SCREW,Hex Soc, 5/16"-18 x 1/4", Cup Pt

1шт.

14

14-836

BOLT,Hex, 1/2" - 20 x 2-1/4", Gr 5

- 1/2 UNF x 2.1/4 in

1шт.

15

92-8

LOCK WASHER,1/2"

1шт.

16

195-33

WASHER,1/2"

- 1/2 in

1шт.

17

R33281

BUSHING

BUSH - lever

1шт.

18

132-48

COTTER PIN,1/8" x 1"

Pin, Split (Cotter), 1/8" x 1"

4шт.

19

141-6

CLEVIS PIN,1/2" x 1.360"

PIN - clevis

4шт.

20

R22269

LINK

- spool A, Loader and Dozer

2шт.

21

R22269

LINK

- spool B, Dozer

2шт.

D45513

LINK

- spool B, Loader

2шт.

22

D36230

LEVER

LINK - spool C, if fitted

2шт.

23

25-116

NUT,Hex, 3/8"-24, G5

- 3/8 UNF

2шт.

24

92-6

LOCK WASHER,3/8"

2шт.

25

D40908

BALL JOINT

2шт.

26

92-6

LOCK WASHER,3/8"

2шт.

27

25-116

NUT,Hex, 3/8"-24, G5

- 3/8 UNF

2шт.

28

D40917

STUD

1шт.

29

83-54

SET SCREW,Hex Soc, 5/16"-18 x 1/4", Cup Pt

1шт.

30

D43620

COLLAR

- control lever

1шт.

31

R33283

DIPPER

LEVER - bell crank

1шт.

32

R30880

BUSHING

BUSH - lever

2шт.

33

D40875

LEVER

- angling control

1шт.

34

D40392

BUSHING

BUSH - lever

1шт.

35

D41078

BUSHING

SPACER - lever

1шт.

36

NLS

NO LONGER SERVICED

- lever mounting

1шт.

37

138-100

LOCK PIN,3/16" x 1 1/2", Slotted

PIN, 3/16" x 1 1/2", Slotted

1шт.

38

132-48

COTTER PIN,1/8" x 1"

Pin, Split (Cotter), 1/8" x 1"

2шт.

39

141-6

CLEVIS PIN,1/2" x 1.360"

PIN - clevis

2шт.

Выбрано товаров: 0