Запчасти Case 850 (J20-1) - LOADER LIFT SECTION (07) - HYDRAULIC SYSTEM

Схема запчастей Case 850 - (J20-1) - LOADER LIFT SECTION (07) - HYDRAULIC SYSTEM
26
29
32
23
25
10
16
3
13
28
6
12
4
17
30
13
2
12
15
31
19
27
11
14
21
20
9
24
24
14
7
22
5
8
18
1
9
10
FIT
1:1
100%

Артикул

Название

Примечание

Количество

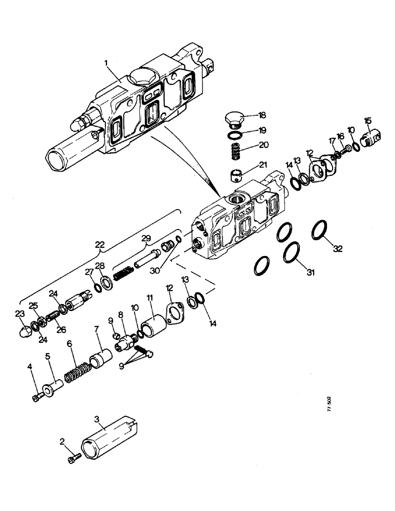
1

D66224

KNIFE SECTION

LIFT SECTION - control valve, Loader 3 or 4 spool

1шт.

2

71-514

SCREW,Slotted Fil Hd, 5/16"-18 x 7/8"

- 5/16 UNC x 7/8 in

2шт.

3

D32459

CAP

- valve section

1шт.

4

D39711

SCREW - special

1шт.

5

D32452

RETAINER - spring, inner

1шт.

6

D66219

VALVE SPRING

SPRING - centering

1шт.

7

D32454

RETAINER

- spring, outer

1шт.

8

D32455

RETAINER

- poppet

1шт.

9

D66220

DETENT

ASSEMBLY

1шт.

10

D38813

O-RING

'O'RING

2шт.

11

D32225

SLEEVE - poppet

1шт.

12

D32456

PLATE

- retaining

3шт.

13

D66218

RING

- back up

2шт.

14

D66217

SEAL

- wiper

2шт.

15

D32223

LUG

- spool

1шт.

16

71-58

SCREW - 5/16 UNC x 1/2 in

2шт.

17

92-5

LOCK WASHER,5/16"

2шт.

18

39007

CAP

- check valve

1шт.

19

A27342

O-RING,1.109" ID x 1.387" OD x 0.139"

'O'RING

1шт.

20

R15308

VALVE SPRING

SPRING - check valve

1шт.

21

D45694

SPOOL

POPPET - check valve

1шт.

22

D42866

VALVE

CARTRIDGE - secondary relief, not preset

1шт.

23

129-526

CROWN NUT,Low, 3/8" - 24

- acorn, 3/8 UNF

1шт.

24

23150

WASHER

GASKET - copper

2шт.

25

25-156

JAM NUT,Jam, 3/8"-24, G5

- lock, 3/8 UNF

1шт.

26

D38814

ADJUSTMENT SCREW,3/8" - 24

SETSCREW - special

1шт.

27

D26872

O-RING

'O'RING

1шт.

28

D31450

WASHER

- gasket

1шт.

29

D42865

VALVE POPPET

KIT - seat and poppet

1шт.

30

D31411

O-RING,0.07" Thk x 0.239" ID, -10, Cl 6, 90 Duro

-010, 90 Duro, .239" ID x .070" Thk

1шт.

31

L32985

GASKET

- quad ring

1шт.

32

905952R1

COTTER PIN,M3.2 x 50

SEAL - quad ring

3шт.

Выбрано товаров: 0