Запчасти Case 850 (A03-1) - VALVE MECHANISM AND TIMING GEARS (01) - ENGINE

Схема запчастей Case 850 - (A03-1) - VALVE MECHANISM AND TIMING GEARS (01) - ENGINE
41
3
44
32
12
31
19
14
21
29
11
30
8
23
25
35
15
19
38
6
39
24
37
5
9
13
16
22
28
4
2
40
10
17
1
20
42
43
34
44
26
33
36
7
18
27
FIT
1:1
100%

Артикул

Название

Примечание

Количество

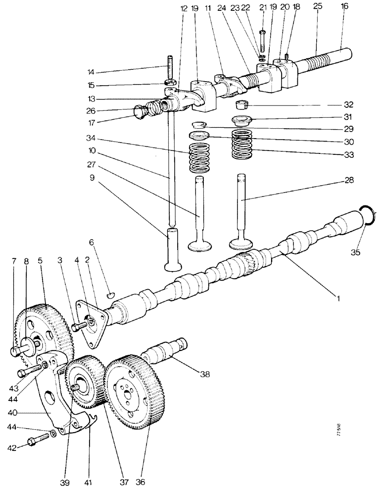
1

K921769

CAMSHAFT

1шт.

2

K902015

PLATE

LOCATING PLATE

1шт.

3

26-516

BOLT,Hex, 5/16" - 18 x 1", Gr 8

SETSCREW - 5/16 UNC x 1 in

3шт.

4

92-5

LOCK WASHER,5/16"

3шт.

5

K945097

GEAR

- camshaft, 68 teeth

1шт.

6

126-15

WOODRUFF KEY,#8, 5/32" x 3/4"

(No. 506) #8, 5/32" x 3/4"

1шт.

7

K600700

BOLT

- 7/16 UNC x 2 in

1шт.

8

K66382

WASHER

- 7/16 in

1шт.

9

K901137

TAPPET

8шт.

10

K902035

ROD

PUSH ROD

8шт.

11

K961052

ROCKER

VALVE ROCKER - right hand with bush, No. 2 from front

4шт.

12

K961053

ROCKER

VALVE ROCKER - left hand with bush, No. 1 from front

4шт.

13

K11060

BUSHING

BUSH - valve rocker

8шт.

14

K900413

ADJUSTMENT SCREW,3/8" - 16 x 1 1/8"

- adjusting

8шт.

15

25-146

JAM NUT,Jam, 3/8"-16, G5

LOCKNUT - 3/8 UNC

8шт.

16

K909622

SHAFT

- rocker

1шт.

17

K19590

PLUG

- 3/8 BSP

2шт.

18

K606051

SET SCREW,5/16" - 18 x 1/2"

LOCATING SCREW - 5/16 UNC

1шт.

19

K921431

BRACKET

- rocker shaft, Nos. 1, 2 and 3

3шт.

20

K921432

BRACKET

- rocker shaft, rear

1шт.

21

13-742

BOLT,Hex, 7/16" - 14 x 2-5/8", Gr 5

4шт.

22

92-7

LOCK WASHER,7/16"

4шт.

23

95-7

WASHER,7/16"

- 7/16 in

4шт.

24

K11017

SPRING

LOCATING SPRING - intermediate

2шт.

25

K11034

SPRING

LOCATING SPRING - centre

1шт.

26

K11018

SPRING

LOCATING SPRING - ends

2шт.

27

K950100

STD EXHAUST VALVE

VALVE - exhaust, standard stem

4шт.

28

K928622

STD INLET VALVE

VALVE - inlet, standard stem

4шт.

29

K928623

COLLAR

- inner exhaust valve

4шт.

30

K928624

COLLAR

- outer exhaust valve

4шт.

31

K921437

COLLAR

- inlet valve

4шт.

32

K943439

LOCKING DEVICE

COTTAR - inlet and exhaust valves

16шт.

33

K921435

SPRING

- inlet valve

4шт.

34

K921436

VALVE SPRING

SPRING - exhaust valve

4шт.

35

K623523

O-RING,1.802" OD x 0.143" Width

'O'RING

1шт.

36

K945096

GEAR

DRIVE GEAR - injection pump, 68 teeth

1шт.

37

K946144

GEAR

AND BUSH - intermediate

1шт.

K945095

GEAR

- intermediate, 47 teeth

1шт.

K628751

BUSHING

BUSH

1шт.

38

K944136

GEAR SHAFT

SHAFT - intermediate gear with plugs

1шт.

39

K606021

SCREW

PLUG - 5/16 UNC

2шт.

40

K904073

SUPPORT

BRACKET - intermediate gear support

1шт.

41

K902113

SHIM,.003" Thk

1шт.

K902114

SHIM,.010" Thk

1шт.

K908713

SHIM,.020" Thk

1шт.

42

K600324

BOLT

- 5/16 UNC x 1.3/4 in support bracket

2шт.

43

K600325

BOLT

- 5/16 UNC x 2 in support bracket

2шт.

44

92-5

LOCK WASHER,5/16"

support bracket 5/16"

4шт.

Выбрано товаров: 48