Запчасти Case 850 (A05-1) - INJECTION PUMP AND FUEL SYSTEM (01) - ENGINE

Схема запчастей Case 850 - (A05-1) - INJECTION PUMP AND FUEL SYSTEM (01) - ENGINE
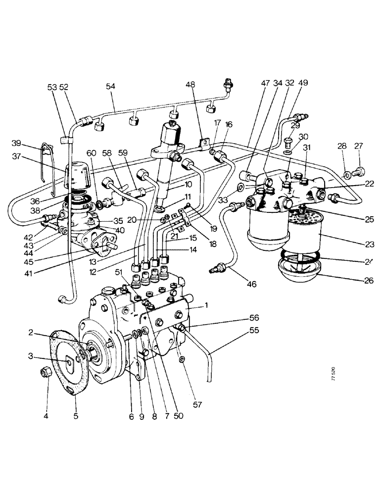
10
49
16
45
5
1
27
53
31
24
9
36
54
59
25
20
21
38
15
26
11
19
52
12
46
47
48
58
7
51
3
22
29
32
43
8
37
35
14
28
2
33
56
50
34
13
42
23
60
40
6
41
57
30
55
17
4
39
44
18
FIT
1:1
100%

Артикул

Название

Примечание

Количество

1

K955570

PUMP

INJECTION PUMP - Simms P5169/2AA

1шт.

2

126-12

WOODRUFF KEY,#6, 5/32" x 5/8"

(No. 505), Pump gear #6, 5/32" x 5/8"

1шт.

3

K626429

WASHER

TABWASHER pump gear

1шт.

4

25-158

JAM NUT,Jam, 1/2"-20, G5

LOCKNUT - 1/2 UNF pump gear

1шт.

5

K912485

GASKET

1шт.

6

K608137

STUD

- 5/16 UNC x 1.7/8 in

3шт.

7

9635082

NUT,5/16" - 18, Gr 5

3шт.

8

92-5

LOCK WASHER,5/16"

3шт.

9

95-5

WASHER,3/8" x 7/8" x .083"

- 5/16 in

3шт.

10

K950626

NOZZLE CAP

INJECTOR -> A

4шт.

K955224

NOZZLE CAP

INJECTOR A ->

4шт.

K904261

NOZZLE CAP

HOLDER -> A

1шт.

K954827

NOZZLE INJECTION

HOLDER A ->

1шт.

K950627

NOZZLE CAP

NOZZLE

1шт.

K620460

ADAPTER

ADAPTOR - leak off, 1/8 BSP to 8 mm A

4шт.

K36374

WASHER

- copper, 8 mm A

4шт.

11

K901092

WASHER

COPPER WASHER

1шт.

12

K914624

PIPE

FUEL PIPE - injection pump to No. 1 cylinder

1шт.

13

K914626

PIPE

FUEL PIPE - injection pump to No. 2 cylinder

1шт.

14

K914628

PIPE

FUEL PIPE - injection pump to No. 3 cylinder

1шт.

15

K914630

PIPE

FUEL PIPE - injection pump to No. 4 cylinder

1шт.

16

K900845

NUT

UNION NUT injector pipes

8шт.

17

K947203

FERRULE

OLIVE injector pipes

8шт.

18

K14673

CLIP

injector pipes

4шт.

19

K12217

SCREW,0.185" x 5/8"

- 2 BA x 5/8 in injector pipes

4шт.

20

K11109

NUT

- 2 BA injector pipes

4шт.

21

92-3

LOCK WASHER,#10

WASHER, LOCK, #10

4шт.

22

K906708

FILTER

FUEL FILTER ASSEMBLY - complete

1шт.

23

K960911

FUEL FILTER,Single pkg qty. For multi pkg [qty.10] order K960911MP

ELEMENT alternatives

2шт.

K915319

ELEMENT

- A.C. Delco D-51 alternatives

2шт.

24

K960936

RING

SEALING WASHER - supplied with element

4шт.

25

K960937

O-RING

'O'RING

2шт.

26

K962264

COVER

BASE

2шт.

27

K691541

PIN

PLUG - 1/2 UNF

1шт.

28

95-8

WASHER,1/2"

1шт.

29

K962348

SCREW

VENT PLUG

1шт.

30

K626850

WASHER

- copper

1шт.

31

13-576

BOLT,Hex, 5/16" - 18 x 4-3/4", Gr 5

Fuel filter retainer Hex, 5/16"-18 x 4 3/4", G5

2шт.

K963409

RING

SEAL - use under bolt head 13-576

2шт.

32

13-628

BOLT,Hex, 3/8" - 16 x 1-3/4", Gr 5

2шт.

33

92-6

LOCK WASHER,3/8"

2шт.

34

K627042

BUSHING

DISTANCE PIECE

2шт.

35

K944997

PUMP

FUEL FEED PUMP - A.C. Delco No. E/FP63154/A

1шт.

36

K961675

FILTER SCREEN

1шт.

37

K66442

FILTER BOWL

1шт.

38

K961674

SEAL

GASKET

1шт.

39

K961676

BAIL

STIRRUP AND SCREW

1шт.

40

K911917

DIAPHRAGM

1шт.

41

K902136

GASKET

1шт.

42

13-520

BOLT,Hex, 5/16" - 18 x 1-1/4", Gr 5

SETSCREW - 5/16 UNC x 1.1/4 in feed pump to cylinder block

2шт.

43

K14998

WASHER - copper asbestos, 5/16 in feed pump to cylinder block

2шт.

44

95-5

WASHER,3/8" x 7/8" x .083"

- 5/16 in feed pump to cylinder block

2шт.

45

K911928

PUSH ROD,9.51mm OD x 35.99mm L

PUSH ROD - feed pump

1шт.

46

K912488

PIPE

FUEL PIPE - filter to injection pump

1шт.

47

K944999

FUEL TUBE,0.25" OD x 14.531, 6.562" L

FUEL PIPE - feed pump to filter

1шт.

48

K621603

CLIP

- fuel pipe to manifold stud

1шт.

49

K944998

PIPE

FUEL PIPE - tank to feed pump

1шт.

50

K626068

FITTING

UNION - 1/8 BSP to 8 mm, injection pump

1шт.

51

95-5

WASHER,3/8" x 7/8" x .083"

- 5/16 in

1шт.

52

K947871

PIPE

FUEL PIPE - pump leak off to injector leak off

1шт.

53

K621707

CLIP

- fuel, Serial Range: pipe-manifold

1шт.

54

K947870

PIPE

LEAK OFF PIPE - injectors

1шт.

55

K915350

PIPE

LEAK OFF PIPE - pump

1шт.

56

K921095

BANJO BOLT

BANJO BOLT - 5/16 UNF

1шт.

57

K36374

WASHER

SEALING WASHER - 5/16 in

2шт.

58

K622061

VALVE

FUEL TAP optional equipment

1шт.

59

K626076

FITTING

UNION - 1/2 UNF optional equipment

1шт.

60

K626950

WASHER

FIBRE WASHER optional equipment

1шт.

Выбрано товаров: 68