Запчасти Case 850 (A14-1) - RADIATOR AND OIL COOLERS (01) - ENGINE

Схема запчастей Case 850 - (A14-1) - RADIATOR AND OIL COOLERS (01) - ENGINE
36
2
41
44
37
38
28
15
43
8
39
26
18
11
14
10
37
41
16
27
42
3
37
7
32
12
45
22
37
29
23
35
28
27
33
13
20
17
30
19
9
34
11
28
5
4
25
6
21
40
24
31
FIT
1:1
100%

Артикул

Название

Примечание

Количество

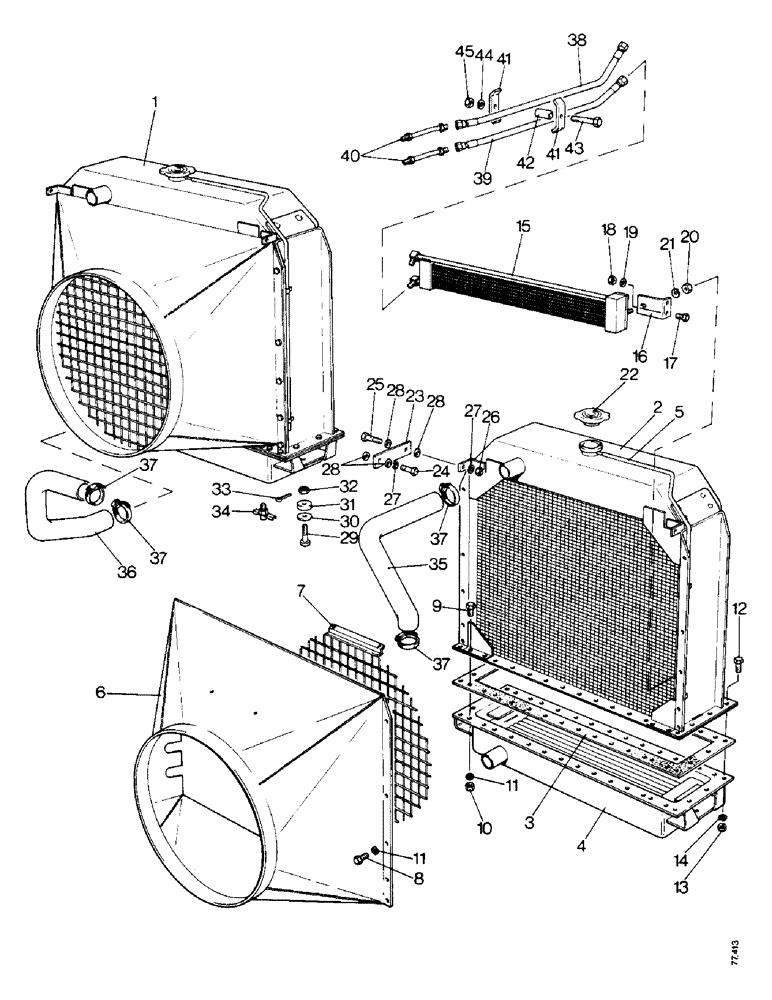
1

E81052

RADIATOR

ASSEMBLY

1шт.

2

E81659

TOP TANK ASSEMBLY

1шт.

3

E81664

GASKET

- bottom tank

1шт.

4

E81665

SPARE PART

BOTTOM TANK ASSEMBLY - transmission oil cooler

1шт.

5

E81660

HOSE - overflow

1шт.

6

E81663

FAN

CASE ASSEMBLY

1шт.

7

E81054

FILTER SCREEN

SCREEN - anti sandblast

1шт.

E81182

FILTER SCREEN

+ SCREEN - anti sandblast for France only

1шт.

8

14-510

SCREW,Hex, 5/16" - 24 x 5/8", Gr 5, Full Thd

BOLT, Hex, 5/16"-24 x 5/8", G5, Full Thd

10шт.

9

14-512

BOLT,Hex, 5/16" - 24 x 3/4", Gr 5, Full Thd

32шт.

10

25-115

NUT,5/16"-24, G5

32шт.

11

92-5

LOCK WASHER,5/16"

42шт.

12

14-416

SCREW,Hex, 1/4" - 28 x 1", Gr 5

BOLT, Hex, 1/4"-28 x 1, G5, Full Thd

8шт.

13

25-114

NUT,1/4"-28, G5

- 1/4 UNF

8шт.

14

92-4

LOCK WASHER,1/4"

WASHER, LOCK, 1/4"

8шт.

15

E81066

COOLER

OIL COOLER - engine

1шт.

16

E81067

BRACKET - oil cooler support

2шт.

17

13-412

BOLT,Hex, 1/4" - 20 x 3/4", Gr 5, Full Thd

SETSCREW - 1/4 UNC x 3/4 in

4шт.

18

131-2

NUT,1/4"-20, GB

UNC 1/4"-20, GB

4шт.

19

95-4

WASHER,1/4"

- 1/4 in

4шт.

20

25-114

NUT,1/4"-28, G5

- 1/4 in

2шт.

21

92-4

LOCK WASHER,1/4"

WASHER, LOCK, 1/4"

2шт.

22

E85682

CAP

- radiator

1шт.

23

D35108

STRAP

- radiator support

2шт.

24

13-616

BOLT,Hex, 3/8" - 16 x 1", Gr 5, Full Thd

2шт.

25

13-620

BOLT,Hex, 3/8" - 16 x 1-1/4", Gr 5, Full Thd

2шт.

26

25-106

NUT,3/8"-16, G5

- 3/8 UNC

2шт.

27

92-6

LOCK WASHER,3/8"

4шт.

28

39519

WASHER,10.31mm ID x 34.9mm OD x 3.57mm Thk

- 3/8 in

8шт.

29

D40254

BOLT

- 1/2 UNC x 2.1/2 in, special

2шт.

30

51200247

WASHER

- 1/2 in

2шт.

31

70198

WASHER

- vibration

2шт.

32

25-128

NUT

- 1/2 UNC, slotted

2шт.

33

132-49

COTTER PIN,1/8" x 1 1/8"

Pin, Split (Cotter), 1/8" x 1 1/8"

2шт.

34

217-92

COCK

DRAIN COCK - 1/4 NPT

1шт.

35

E81073

HOSE

- radiator inlet

1шт.

36

E81072

HOSE

- radiator outlet

1шт.

37

214-257

HOSE CLAMP,#24, 1.06" - 2", Type F Worm

4шт.

38

E81395

HOSE

ASSEMBLY - engine oil cooler, upper

1шт.

39

E81396

HOSE

ASSEMBLY - engine oil cooler, lower

1шт.

40

E81241

TUBE

ASSEMBLY - engine oil cooler

2шт.

41

D40236

CLAMP

2шт.

42

D33554

BUSHING

SPACER

1шт.

43

13-636

BOLT,Hex, 3/8" - 16 x 2-1/4", Gr 5

1шт.

44

92-6

LOCK WASHER,3/8"

1шт.

45

25-106

NUT,3/8"-16, G5

- 3/8 UNC

1шт.

Выбрано товаров: 46