Запчасти Case 850 (B04-1) - TRANSMISSION HOUSING REAR COVERS (03) - TRANSMISSION

Схема запчастей Case 850 - (B04-1) - TRANSMISSION HOUSING REAR COVERS (03) - TRANSMISSION
7
6
12
2
13
12
11
10
14
1
5
8
13
4
11
1
3
14
9
FIT
1:1
100%

Артикул

Название

Примечание

Количество

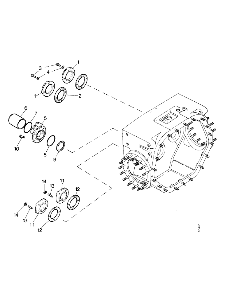
1

A50060

COVER

- high, low clutch shafts

2шт.

2

A50058

GASKET

- high, low clutch covers

2шт.

3

13-624

BOLT,Hex, 3/8" - 16 x 1-1/2", Gr 5

- 3/8 UNC x 1.1/2 in

8шт.

4

A22317

WASHER

- 25/64 x 11/16 x 5/64 in

8шт.

5

A50578

COVER

- forward, reverse and PTO shaft, 1/4 NPT ports

1шт.

A54106

X

COVER - forward, reverse and PTO shaft with 1/8 NPT nipple and coupling

1шт.

6

A54111

COVER

- PTO shaft

1шт.

7

A28318

O-RING,0.139" Thk x 2.484" ID, -230, Cl 5, 75 Duro

'O'-RING - use with winch

1шт.

8

A50055

SEALING RING

'O'-RING - cover

1шт.

9

A50053

SHIM,.003" Thk

Cover .003" Thk

1шт.

40590

SHIM

- cover, 0.005 in

1шт.

40591

SHIM

- cover, 0.010 in

1шт.

10

13-616

BOLT,Hex, 3/8" - 16 x 1", Gr 5, Full Thd

6шт.

11

A50271

COVER

- pinion shaft

2шт.

12

A50348

SHIM,.003" Thk

Cover .003" Thk

1шт.

A50272

SHIM,.005" Thk

Cover .005" Thk

1шт.

CASA50347

SHIM

- cover, 0.010 in

1шт.

13

A50019

NO LONGER SERVICED

STUD - 3/8 UNC x 1.1/2 in

8шт.

14

25-106

NUT,3/8"-16, G5

- 3/8 UNC

8шт.

Выбрано товаров: 19