Запчасти Case 850 (B05-1) - MECHANICAL RANGE SHIFT (03) - TRANSMISSION

Схема запчастей Case 850 - (B05-1) - MECHANICAL RANGE SHIFT (03) - TRANSMISSION
27
3
10
34
20
28
11
17
17
31
9
8
1
30
36
26
5
14
21
32
33
23
15
2
25
6
16
24
4
22
12
29
19
13
18
35
17
7
FIT
1:1
100%

Артикул

Название

Примечание

Количество

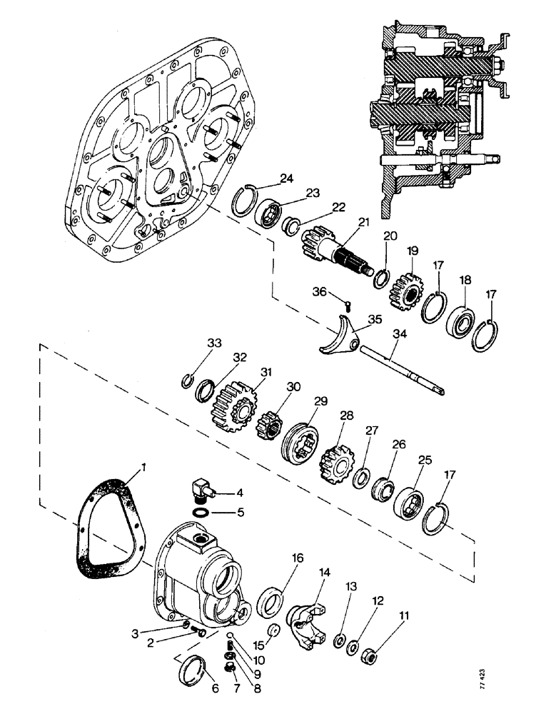
1

A50269

GASKET

- shift housing to front cover

1шт.

2

166-46

12 PT SCREW,Flg, 3/8" - 16 x 1 1/4", Gr 8

SCREW - 3/8 UNC x 1.1/4 in

9шт.

3

A22317

WASHER

- 25/64 x 11/16 x 5/64 in

9шт.

4

R20916

FITTING

ELBOW - oil return, 90degree

1шт.

5

218-5008

O-RING,0.116" Thk x 0.924" ID, -912, Cl 6, 90 Duro

'O'-RING

1шт.

6

A50268

PLUG

- shift housing

1шт.

7

A50094

PLUG,Screw, 5/8" - 18 x 0.377"

SCREW - range selector detent

1шт.

8

A50093

SEALING WASHER

WASHER - detent screw

1шт.

9

A50092

SPRING

- selector detent

1шт.

10

211-13

BALL,1/2" Dia

- detent, steel 1/2" Dia

1шт.

11

131-37

LOCK NUT,3/4"-16

NUT - lock, 3/4 UNF

1шт.

12

32601

WASHER

- flange retaining

1шт.

13

34395

SEALING WASHER

WASHER - flange seal

1шт.

14

A50580

YOKE

FLANGE - universal shaft

1шт.

15

A50421

OIL SEAL,19.05mm ID x 31.95mm OD x 6.73mm Thk

- 3/4 x 1.1/4 x 1/4 in, selector shaft

1шт.

16

A50420

SEAL

- 2.1/8 x 3.5/32 x 3/8 in, range housing

1шт.

17

R13804

RING

- snap

3шт.

18

A26537

BALL BEARING,34.99mm ID x 80mm OD x 21mm W

BEARING - ball, drive gear shaft front

1шт.

19

A50499

GEAR

- driving, input shaft 20 teeth

1шт.

20

R15364

SNAP RING,#152, 1.527", Ext

RING - snap, driving gear

1шт.

21

A50306

SHAFT

- range drive gear

1шт.

22

A50077

BEARING CONE,1.1811" ID x 0.748"

RING - inner, roller bearing

1шт.

23

A50255

BEARING, ROLLER, CYL,2.8359" OD x 0.748"

BEARING - roller, outer ring and rollers

1шт.

24

A27417

RING

- snap, roller bearing retaining

1шт.

25

A50258

ROLLER BEARING,3.1510" OD x 0.8268"

BEARING - roller, outer ring and rollers

1шт.

26

A50332

BEARING CONE,1.25" ID x 0.8268"

RING - inner, roller bearing

1шт.

27

A50333

WASHER

- thrust, range gear

1шт.

28

A50501

GEAR

- driven, front clutch shaft 20 and 23 teeth

1шт.

29

A51806

COLLAR

SLEEVE - range selector

1шт.

30

A50502

COLLAR

- range selector

1шт.

31

A50504

GEAR

- rear driven shift range, 20 and 27 teeth

1шт.

32

A50071

WASHER

- thrust, rear driven gear

1шт.

33

A26946

RING

- snap, rear driven gear retainer

1шт.

34

A51886

SHAFT

- range selector

1шт.

This shaft is no longer available. order G107672 shaft and fork.

1шт.

35

A51469

FORK

- range selector shaft

1шт.

this fork is no longer available. order G107672 shaft and fork.

1шт.

36

A7044

SET SCREW,3/8" - 16 x 7/8"

- selector fork

1шт.

Выбрано товаров: 38