Запчасти Case 850 (B09-1) - BEVEL PINION AND SHAFT (03) - TRANSMISSION

Схема запчастей Case 850 - (B09-1) - BEVEL PINION AND SHAFT (03) - TRANSMISSION
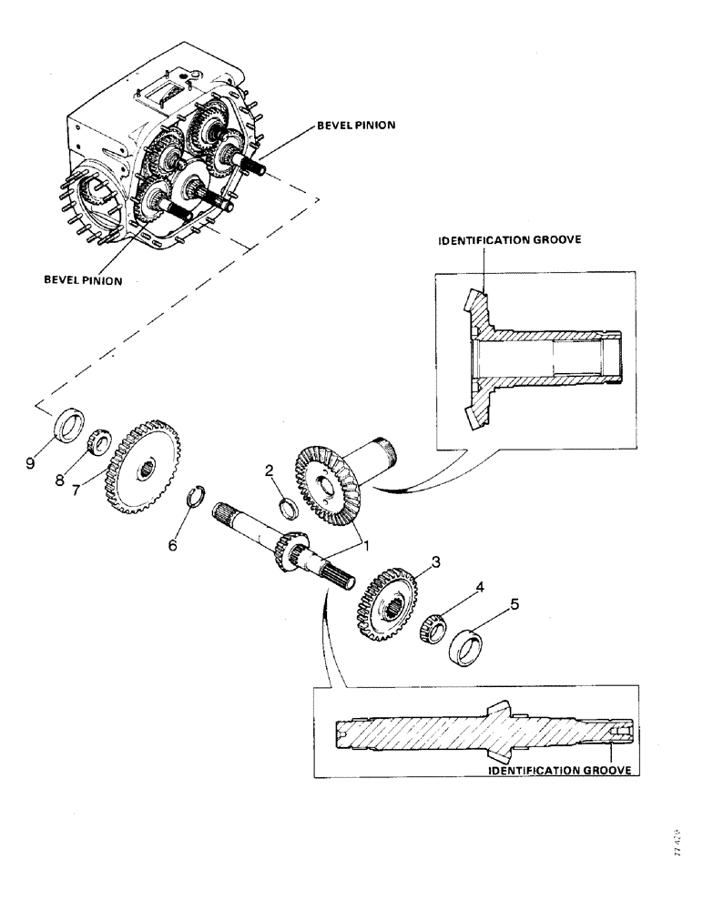
2
9
5
3
4
7
8
1
6
FIT
1:1
100%

Артикул

Название

Примечание

Количество

1

A50338

GEAR, BEVEL

PINION AND GEAR SET - matched set without identification groove, Loader models only

2шт.

A51161

GEAR

PINION AND GEAR SET - matched set with identification groove (see inset), Dozer models only

2шт.

2

A50099

PLUG

- bevel pinion

2шт.

3

A50512

GEAR

- driven, high clutch 40 teeth

2шт.

4

R17219

ROLLER BEARING

CONE - pinion shaft front bearing

2шт.

5

F62007

CUP

- pinion shaft front bearing

2шт.

6

A27085

RING

- snap

2шт.

7

A50575

GEAR

- driven, low clutch 51 teeth

2шт.

8

A26719

ROLLER BEARING,38.1mm ID x 20.64mm W

CONE - high-low clutch rear bearing

2шт.

9

A50264

BEARING CUP,72mm OD x 14.2mm W

CUP - high-low clutch rear bearing

2шт.

Выбрано товаров: 10