Запчасти Case 850 (B15-1) - BASIC TRACTOR HYDRAULICS, COOLING CIRCUIT (03) - TRANSMISSION

Схема запчастей Case 850 - (B15-1) - BASIC TRACTOR HYDRAULICS, COOLING CIRCUIT (03) - TRANSMISSION
12
9
11
8
7
3
10
10
14
12
5
6
13
5
4
13
2
5
9
1
3
11
FIT
1:1
100%

Артикул

Название

Примечание

Количество

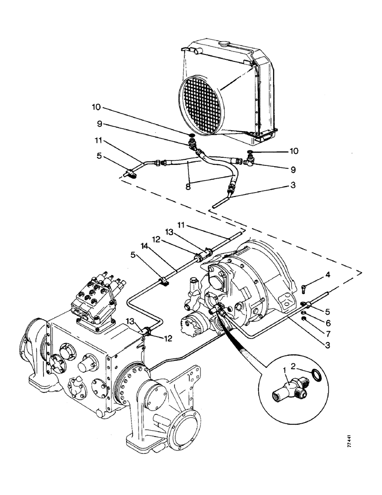
1

D44004

FITTING

TEE - special

1шт.

2

218-5008

O-RING,0.116" Thk x 0.924" ID, -912, Cl 6, 90 Duro

'O' RING

1шт.

3

D39858

TUBE

- torque, Serial Range: converter-radiator

1шт.

4

13-514

BOLT,Hex, 5/16" - 18 x 7/8", Gr 5

3шт.

5

49855

CLAMP

- tube

3шт.

6

195-21

WASHER,5/16"

3шт.

7

131-4

LOCK NUT,5/16"-18, GB

NUT - 5/16 UNC

3шт.

8

D42374

HOSE

- radiator inlet and outlet, 26.1/2 in

2шт.

9

218-5108

ELBOW,90 Degree Elbow, 1-1/16" - 12 Male JIC x 1-1/16" - 12 Male ORB

Adjustable 90º, 1 1/16"-12, 37º x 1 1/16"-12, O-Ring

2шт.

10

218-5008

O-RING,0.116" Thk x 0.924" ID, -912, Cl 6, 90 Duro

'O' RING

2шт.

11

D39853

TUBE

- radiator to transmission, front

1шт.

12

214-253

HOSE CLAMP,#10, 0.56" - 1.06", Type F Worm

CLAMP - hose

4шт.

13

D24728

HOSE

- low pressure

2шт.

14

D39851

TUBE

- radiator to transmission, rear

1шт.

Выбрано товаров: 14