Запчасти Case 850 (C01-1) - FINAL DRIVE AND HOUSING (03) - TRANSMISSION

Схема запчастей Case 850 - (C01-1) - FINAL DRIVE AND HOUSING (03) - TRANSMISSION
13
7
19
15
17
1
22
26
8
20
18
2
5
9
14
23
3
10
11
24
8
6
25
16
21
4
9
12
FIT
1:1
100%

Артикул

Название

Примечание

Количество

A50548

DRIVE ASSY.

DRIVE ASSEMBLY - right hand

1шт.

A50549

DRIVE ASSY.

DRIVE ASSEMBLY - left hand

1шт.

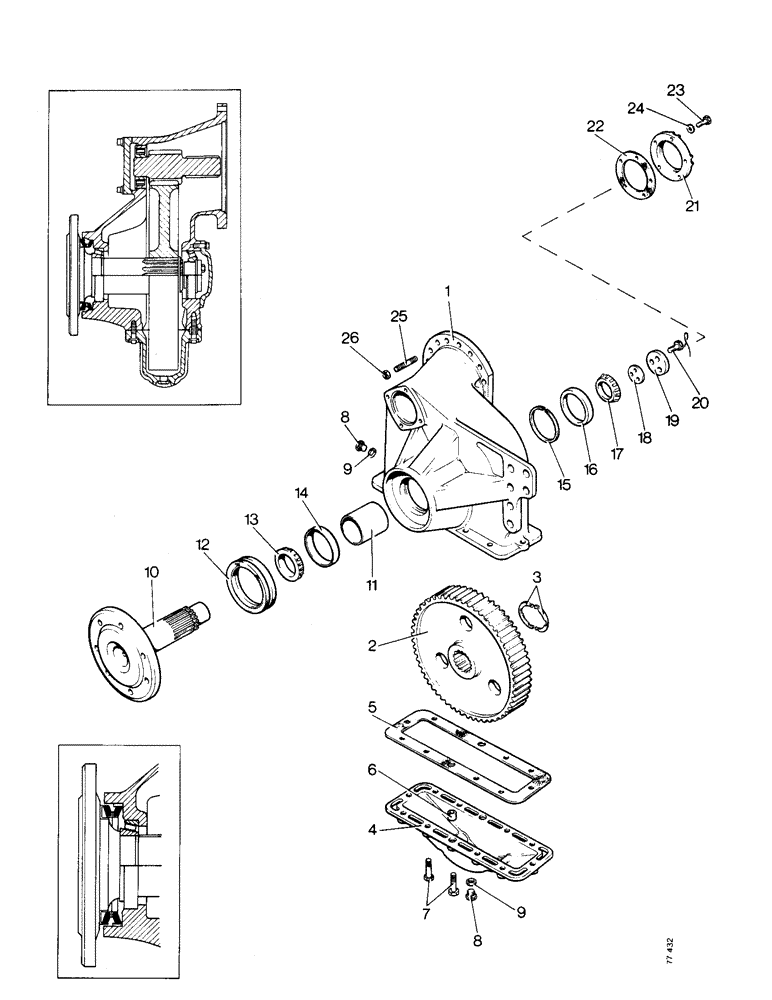
1

A50550

HOUSING

- final drive, right hand

1шт.

A50551

HOUSING

- final drive, left hand

1шт.

2

A50134

GEAR

- final drive

1шт.

3

CASA50163

RING

Snap, #325, Ext

2шт.

4

A50142

COVER

- drop

1шт.

5

A50141

GASKET

- drop cover

1шт.

6

A50011

SLEEVE

- dowel

2шт.

7

166-87

BOLT,Flg, 1/2" - 13 x 1 1/2", Gr 8

- 1/2 UNC x 1.1/2 in

10шт.

166-88

12 PT SCREW,Flg, 1/2" - 13 x 1 3/4", Gr 8

BOLT - 1/2 UNC x 1.3/4 in

2шт.

8

A50014

PLUG

- housing, drain and fill

2шт.

9

A58608

GASKET

- drain and fill plug

2шт.

10

A51504

SHAFT

- sprocket

1шт.

11

NLS

NO LONGER SERVICED

- final drive shaft

1шт.

12

A50552

SEAL

KIT - final drive

1шт.

13

T30649

ROLLER BEARING,3.25" ID x 1.3125"

Cone - outer bearing

1шт.

14

A15434

CUP

- outer bearing

1шт.

15

A50132

RING

- snap

1шт.

16

A26744

BEARING CUP,110.025 mm OD x 18.875 mm

CUP - inner bearing

1шт.

17

A26847

ROLLER BEARING,2.5" ID x 0.866"

CONE - inner bearing

1шт.

18

R21741

SHIM,.005" Thk

Lock plate .005" Thk

1шт.

R21742

SHIM,.007" Thk

Lock plate .007" Thk

1шт.

R21743

SHIM,.020" Thk

Lock plate .020" Thk

1шт.

19

R19889

PLATE

- lock

1шт.

20

R19888

SCREW

BOLT -, Serial Range: plate-shaft

3шт.

21

A50140

COVER

- final drive shaft

1шт.

22

A50139

GASKET

- shaft cover

1шт.

23

13-620

BOLT,Hex, 3/8" - 16 x 1-1/4", Gr 5, Full Thd

5шт.

24

92-6

LOCK WASHER,3/8"

5шт.

25

A50021

STUD

- 1/2 UNC x 3 in

30шт.

26

88871

NUT,1/2"-13, GC

NUT, LOCK, 1/2"-13, GC

30шт.

Выбрано товаров: 32