Запчасти Case 850 (K01-1) - ALTERNATOR, BATTERY AND STARTER (06) - ELECTRICAL SYSTEMS

Схема запчастей Case 850 - (K01-1) - ALTERNATOR, BATTERY AND STARTER (06) - ELECTRICAL SYSTEMS
6
10
11
3
7
9
18
29
32
19
13
28
12
27
24
16
7
21
14
4
26
5
34
35
23
15
22
2
31
36
30
20
8
25
1
35
17
33
FIT
1:1
100%

Артикул

Название

Примечание

Количество

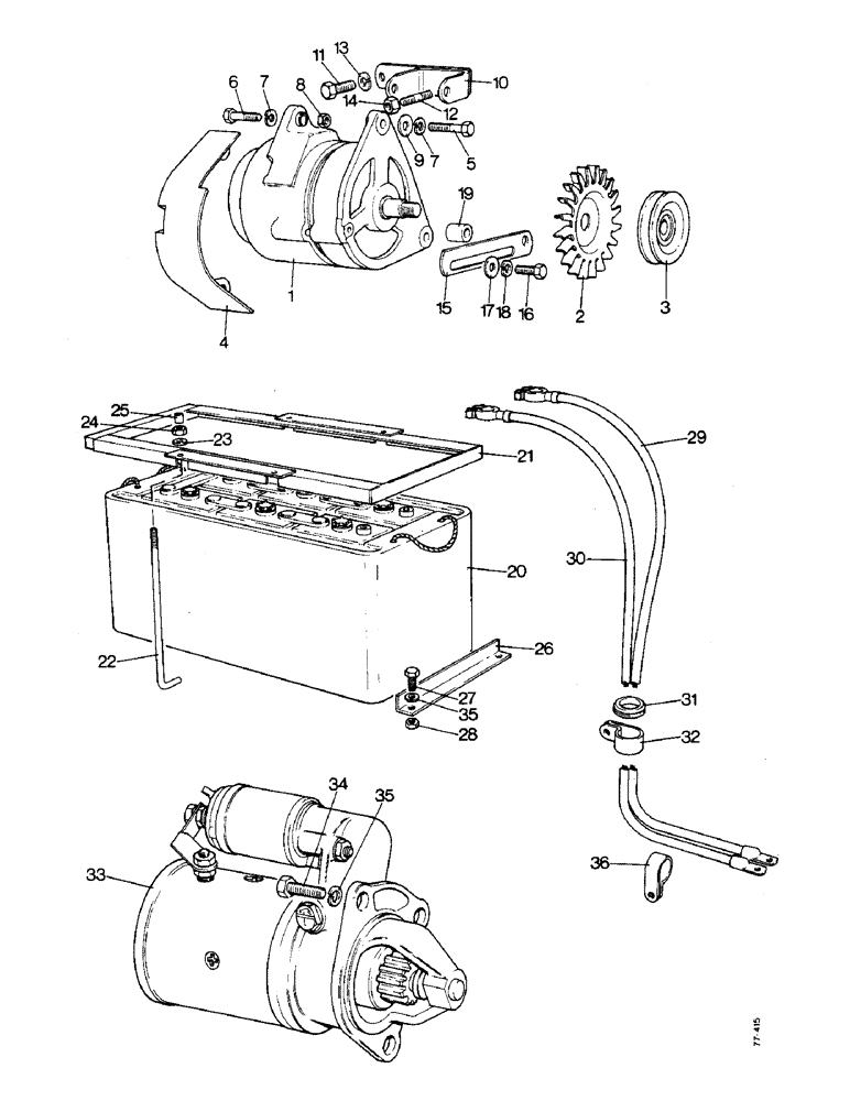
1

K925009

ALTERNATOR

- Lucas 23700 type 15ACR if fitted

1шт.

2

K942129

FAN

- alternator if fitted

1шт.

3

K952702

PULLEY

- alternator if fitted

1шт.

4

K950496

FAN

GUARD - fan if fitted

1шт.

1

K953785

ALTERNATOR

- A.C. Delco No. 7982952 if fitted

1шт.

2

K953786

FAN

- alternator if fitted

1шт.

3

K953787

PULLEY

- alternator if fitted

1шт.

4

K950496

FAN

GUARD - fan if fitted

1шт.

5

113-122

BOLT,Hex, 5/16" - 18 x 1-1/2", Gr 5

1шт.

6

113-104

BOLT,Hex, 5/16" - 18 x 1-1/4", Gr 5

1шт.

7

92-5

LOCK WASHER,5/16"

2шт.

8

25-104

NUT,1/4"-20, G5

- 5/16 UNC

2шт.

9

K626916

WASHER

- 5/16 in, special

1шт.

10

K947375

SUPPORT

BRACKET - alternator

1шт.

11

13-616

BOLT,Hex, 3/8" - 16 x 1", Gr 5, Full Thd

SETSCREW - 3/8 UNC x 1 in

1шт.

12

K608235

STUD

- 3/8 UNC x 1.1/4 in

1шт.

13

92-6

LOCK WASHER,3/8"

2шт.

14

25-106

NUT,3/8"-16, G5

- 3/8 UNC

1шт.

15

K950495

ADJUSTER

STRAP

1шт.

16

13-514

BOLT,Hex, 5/16" - 18 x 7/8", Gr 5

SETSCREW - 5/16 UNC x 7/8 in

1шт.

17

K626916

WASHER

- 5/16 in, special

1шт.

18

92-5

LOCK WASHER,5/16"

1шт.

19

K627028

BUSHING

DISTANCE PIECE - adjuster strap

1шт.

20

E88780

BATTERY

- 12 volt

1шт.

21

E81466

ROD

FRAME - battery hold down

1шт.

22

E81502

ROD

- battery hold down

4шт.

23

195-21

WASHER,5/16"

4шт.

24

131-4

LOCK NUT,5/16"-18, GB

LOCKNUT

4шт.

25

G46096

RETAINER

- rubber

4шт.

26

D44203

RETAINER

- battery

1шт.

27

13-614

BOLT,Hex, 3/8" - 16 x 7/8", Gr 5, Full Thd

2шт.

28

25-106

NUT,3/8"-16, G5

- 3/8 UNC

2шт.

29

E89336

ELECTRICAL WIRE

CABLE - battery, positive

1шт.

30

E81460

CABLE

- battery, negative

1шт.

31

D35078

GROMMET,1 1/2" ID x 1 3/4" Groove Dia

1шт.

32

49891

CLAMP

CLIP

3шт.

33

K919752

STARTING MOTOR

STARTER MOTOR - Lucas 26379A

1шт.

34

13-618

BOLT,Hex, 3/8" - 16 x 1-1/8", Gr 5

3шт.

35

92-6

LOCK WASHER,3/8"

3шт.

36

49838

CLAMP

CLIP

2шт.

Выбрано товаров: 0