Запчасти Case 850 (144) - BASIC TRACTOR HYDRAULICS, COOLING CIRCUIT (07) - HYDRAULIC SYSTEM

Схема запчастей Case 850 - (144) - BASIC TRACTOR HYDRAULICS, COOLING CIRCUIT (07) - HYDRAULIC SYSTEM
6
10
14
6
15
10
13
14
9
4
2
15
13
16
8
5
11
4
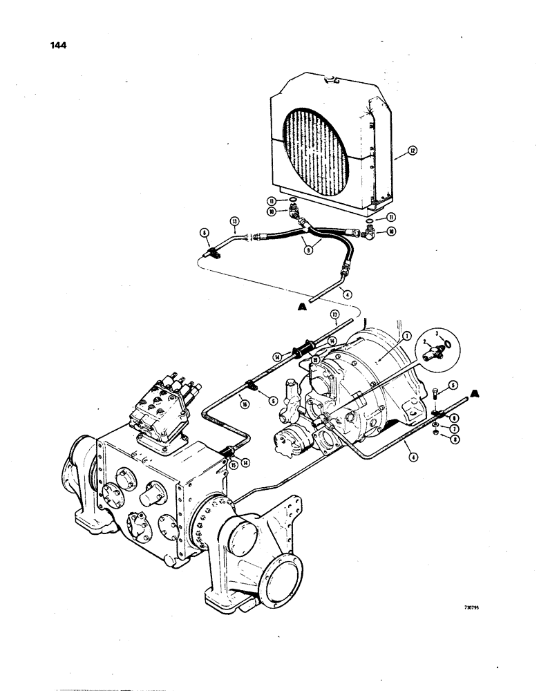
1
6
14
7
3
11
12
FIT
1:1
100%

Артикул

Название

Примечание

Количество

1

REF

INSTRUCTION

TORQUE CONVERTER - See figure 102 for proper converter

1шт.

2

D44004

FITTING

TEE - special, Includes: Ref. 3

1шт.

3

218-5008

O-RING,0.116" Thk x 0.924" ID, -912, Cl 6, 90 Duro

SEAL - "O" ring

1шт.

4

D39858

TUBE

- torque, Serial Range: converter-radiator

1шт.

5

13-514

BOLT,Hex, 5/16" - 18 x 7/8", Gr 5

3шт.

6

49855

CLAMP

- tube

3шт.

7

195-21

WASHER,5/16"

- plain () 5/16"

3шт.

8

131-4

LOCK NUT,5/16"-18, GB

NUT - hex., lock (5/16" - 18 NC)

3шт.

9

D42374

HOSE

- radiator inlet and outlet (26-1/2" long)

2шт.

10

218-5108

ELBOW,90 Degree Elbow, 1-1/16" - 12 Male JIC x 1-1/16" - 12 Male ORB

adjustable, Incl. Ref. 11 90º, 1 1/16"-12, 37º x 1 1/16"-12, O-Ring

2шт.

11

218-5008

O-RING,0.116" Thk x 0.924" ID, -912, Cl 6, 90 Duro

SEAL - "O" ring

1шт.

12

D40255

RADIATOR

- engine cooling (Parts list figures 74 and 76)

1шт.

13

D39853

TUBE

- radiator to transmission, rear

1шт.

14

214-256

HOSE CLAMP,#20, 0.81" - 1.75", Type F Worm

CLAMP - hose

4шт.

15

D24728

HOSE

- low pressure

2шт.

16

D39851

TUBE

- radiator to transmission, rear

1шт.

Выбрано товаров: 16