Запчасти Case 850 (012) - MANIFOLDS, (301B) DIESEL ENGINE, INTAKE MANIFOLD (01) - ENGINE

Схема запчастей Case 850 - (012) - MANIFOLDS, (301B) DIESEL ENGINE, INTAKE MANIFOLD (01) - ENGINE
6
7
12
21
8
25
23
13
11
10
14
5
2
15
22
3
24
16
9
1
4
20
FIT
1:1
100%

Артикул

Название

Примечание

Количество

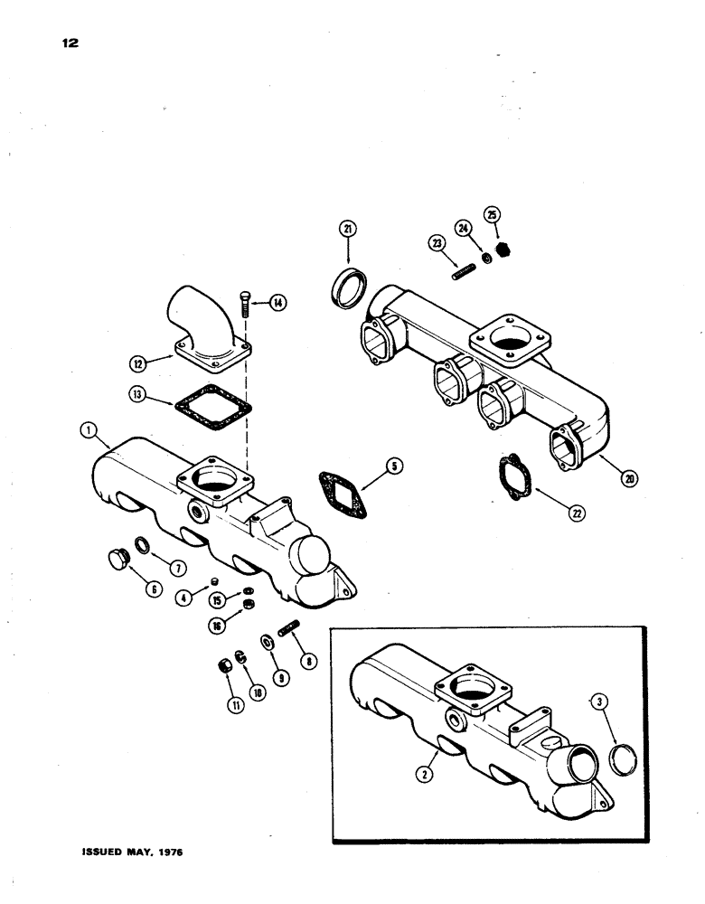
1

A140120

MANIFOLD

- intake (aluminum) (Repl. A59225) (1st used eng. ser. no. 2575274)

1шт.

2

A59225

MANIFOLD

ASSY. - intake (cast iron) (Order A140120) (Used prior to eng. ser. no. 2575274), Includes: Ref. 3

1шт.

3

41-1042

PLUG,Cup, 2 5/8"

- (2-5/8" cup type)

1шт.

4

221-1011

DRAIN PLUG,Sq Hd, 1/8"-27 NPTF

PLUG - (1/8" P.T., sq. hd.)

1шт.

5

A58662

MANIFOLD GASKET

- intake manifold

4шт.

6

A20917

PLUG

- intake manifold heater hole

1шт.

7

A20916

MANIFOLD GASKET

GASKET - intake manifold heater hole plug

1шт.

8

A59077

STUD

- intake manifold (3/8" N.C. x 1-3/4")

8шт.

9

195-25

WASHER,3/8"

- 3/8 x 13/16 x 1/16"

4шт.

10

92-6

LOCK WASHER,3/8"

8шт.

11

25-106

NUT,3/8"-16, G5

- 3/8" N.C. hex

8шт.

12

A60458

ELBOW

- intake manifold

1шт.

13

A58910

GASKET

- intake manifold elbow

1шт.

14

13-626

BOLT,Hex, 3/8" - 16 x 1-5/8", Gr 5

4шт.

15

92-6

LOCK WASHER,3/8"

4шт.

16

25-166

NUT,3/8"-16, G5, Hvy

- 3/8" N.C. hex

4шт.

20

A64967

MANIFOLD

ASSY. - exhaust (Replaces A62290), Includes: Ref. 21

1шт.

21

A58750

PLUG,Cup, 3 1/4", Stainless

- (3-1/4" cup type), exhaust manifold

1шт.

22

A58666

MANIFOLD GASKET

- exhaust manifold

4шт.

23

A59077

STUD

- exhaust manifold (3/8" N.C. x 1-3/4")

8шт.

24

92-6

LOCK WASHER,3/8"

exhaust manifold 3/8"

8шт.

25

131-903

NUT,3/8"-16

NUT - (3/8" N.C. Seez-Pruf), exhaust manifold

8шт.

A142482

GASKET

head, exhaust manifold

1шт.

If ordered, it has two piston rings molded in the gasket.

1шт.

Выбрано товаров: 24