Запчасти Case 850 (414) - D42432 DOZER ANGLE AND TILT SECTION, (CS&S # A35-WDA1372-3-2 (07) - HYDRAULIC SYSTEM

Схема запчастей Case 850 - (414) - D42432 DOZER ANGLE AND TILT SECTION, (CS&S # A35-WDA1372-3-2 (07) - HYDRAULIC SYSTEM
17
1
8
19
7
9
27
27
2
10
22
23
13
9
11
25
5
18
20
5
3
12
16
24
16
14
15
26
6
4
FIT
1:1
100%

Артикул

Название

Примечание

Количество

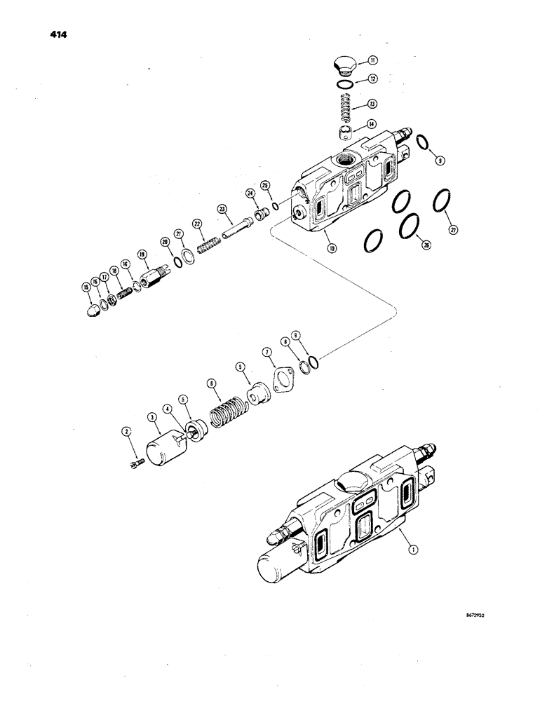
1

D42432

NO LONGER SERVICED

ANGLING OR TILT SECTION - dozer control valve, Includes: Ref. 2 - 27

1шт.

2

71-512

SCREW,Slotted Fil Hd, 5/16"-18 x 3/4"

FHMS - 5/16" - 18 NC x 3/4"

2шт.

3

D32221

COVER

CAP - angling section

1шт.

4

D32128

BOLT (SPREADER)

BOLT - stripper

1шт.

5

D32130

GUIDE

- spring

2шт.

6

D32129

SPRING

- centering

1шт.

7

D32456

PLATE

- retaining

1шт.

8

D32215

RING

- backup

1шт.

9

A27352

O-RING,0.859" ID x 1.137" OD x 0.139"

SEAL - "O" ring, 7/8" I.D. x 1-1/8" O.D.

2шт.

10

NSS

NOT SOLD SEPARAT

HOUSING AND SPOOL - valve section

1шт.

11

39007

CAP

- check valve

1шт.

12

A27342

O-RING,1.109" ID x 1.387" OD x 0.139"

SEAL - "O" ring, 1" I.D. x 1-3/8" O.D.

1шт.

13

R15308

VALVE SPRING

SPRING - check valve

1шт.

14

D45694

SPOOL

POPPET - check valve

1шт.

D42866

VALVE

CARTRIDGE - secondary relief (Not preset) Must be set to correct pressure when installed on valve, Includes: Ref. 15 - 25

2шт.

15

129-526

CROWN NUT,Low, 3/8" - 24

- acorn (3/8" - 24 NF)

1шт.

16

23150

WASHER

GASKET - copper

2шт.

17

25-156

JAM NUT,Jam, 3/8"-24, G5

- hex., lock (3/8" - 24 NF)

1шт.

18

D38814

ADJUSTMENT SCREW,3/8" - 24

SCREW - set, special

1шт.

19

NSS

NOT SOLD SEPARAT

BODY - cartridge

1шт.

20

D26872

O-RING

SEAL - "O" ring, 1/2" I.D. x 5/8" O.D.

1шт.

21

D31450

WASHER

- gasket

1шт.

D42865

VALVE POPPET

KIT - seat and poppet, Includes: Ref. 22 - 25

1шт.

22

NSS

NOT SOLD SEPARAT

SPRING - relief valve

1шт.

23

NSS

NOT SOLD SEPARAT

POPPET - relief valve

1шт.

24

NSS

NOT SOLD SEPARAT

SEAT - relief valve

1шт.

25

D31411

O-RING,0.07" Thk x 0.239" ID, -10, Cl 6, 90 Duro

-010, 90 Duro, .239" ID x .070" Thk, Seal (1/4" ID x 3/8" OD)

1шт.

26

L32985

GASKET

- quad ring, 1-13/16" I.D. x 3/8" O.D.

1шт.

27

CASL35522

SEAL

- quad ring, 1-9/16" I.D. x 1-3/4" O.D.

3шт.

Выбрано товаров: 29