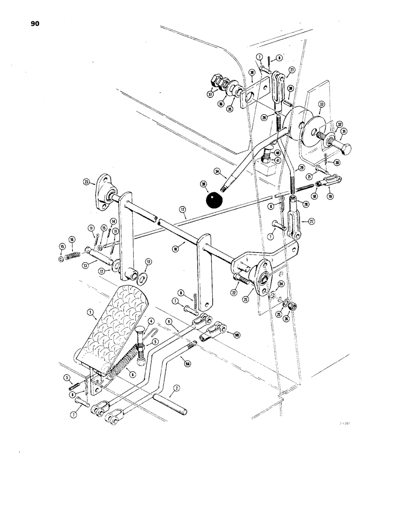
Запчасти Case 850 (090) - THROTTLE CONTROL LINKAGE (01) - ENGINE

Схема запчастей Case 850 - (090) - THROTTLE CONTROL LINKAGE (01) - ENGINE
41
6
14
39
7
15
22
8
33
9a
12
18
16
4
35
7
27
38
8
26
8
5
28
30
40
17
9
24
15
20
32
29
11
28
27
1
12
10
31
23
7
2
34
11
13
37
19
21
7
3
25
9b
8
23
36
FIT
1:1
100%

Артикул

Название

Примечание

Количество

1

D47682

PEDAL

- accelerator

1шт.

2

R17364

SHAFT

- pedal

1шт.

3

135-737

GROOVED PIN,5/32" x 1", Type E

PIN, GROOVED, 5/32" x 1", Type E

1шт.

4

11-844

BOLT

- round head, sq. neck (1/2" - 13 NC x 2-3/4") Used before tractor sn. 7074130

1шт.

4

11-836

BOLT

BELT - round head sq. neck (1/2" - 13 NC x 2-1/4") Used on tractor sn. 7074130 and after

1шт.

5

25-148

JAM NUT,Jam, 1/2"-13, G5

- hex, jam (1/2"-13 NC)

1шт.

6

11469

SPRING

- pedal return, D27675 rod

1шт.

6

R29849

SPRING

- pedal return, R24022 rod

1шт.

7

141-3

CLEVIS PIN,5/16" x .940"

PIN, CLEVIS, , Yoke 5/16" x .940"

4шт.

8

132-24

COTTER PIN,3/32" x 1/2"

PIN, SPLIT (COTTER), 3/32" x 1/2"

4шт.

9

D47675

ROD - pedal to link (Used before tractor sn. 7074130)

1шт.

9a

R24022

ROD

- pedal to link (Used on tractor sn. 7074130 and after)

1шт.

9b

213-3

ADJUSTABLE CLEVIS,5/16"-24

YOKE - adjustable

1шт.

10

D47680

LINK - throttle

1шт.

11

132-26

COTTER PIN

Pin, Split (Cotter), 3/32" x 3/4"

2шт.

12

195-33

WASHER,1/2"

- plain () 1/2"

2шт.

13

D47686

SHAFT

- override

1шт.

14

132-5

COTTER PIN,1/16" x 1/2"

Pin, Split (Cotter), 1/16" x 1/2"

2шт.

15

195-18

WASHER,1/4"

- plain () 1/4"

2шт.

16

F62245

SPRING

- override

1шт.

17

D47685

ROD

- accelerator

1шт.

18

25-114

NUT,1/4"-28, G5

- hex. (1/4" - 28 NF)

1шт.

19

213-2

ADJUSTABLE CLEVIS,1/4"-28 x 2"

YOKE - adjustable

1шт.

20

132-5

COTTER PIN,1/16" x 1/2"

Pin, Split (Cotter), 1/16" x 1/2"

1шт.

21

141-2

CLEVIS PIN,1/4" x .770"

PIN - clevis

1шт.

22

13-616

BOLT,Hex, 3/8" - 16 x 1", Gr 5, Full Thd

4шт.

22

13-410

BOLT,Hex, 1/4" - 20 x 5/8", Gr 5, Full Thd

(R29593 bearing) Hex, 1/4"-20 x 5/8", G5, Full Thd

4шт.

22

13-616

BOLT,Hex, 3/8" - 16 x 1", Gr 5, Full Thd

(D33219 bearing) Hex, 3/8"-16 x 1", G5, Full Thd

4шт.

23

D33219

FLANGE

BEARING - pivot shaft (Use 3/8" hardware)

2шт.

23

R29593

FLANGED BEARING,1.125" OD x 0.562"

BEARING - pivot shaft (Use 1/4" hardware)

2шт.

24

195-25

WASHER,3/8"

- plain () 3/8"

4шт.

24

195-14

WASHER,#12

- plain (1/4")

4шт.

25

92-6

LOCK WASHER,3/8"

4шт.

25

92-4

LOCK WASHER,1/4"

WASHER, LOCK, 1/4"

4шт.

26

25-106

NUT,3/8"-16, G5

- hex. (3/8" - 16 NC)

4шт.

26

25-104

NUT,1/4"-20, G5

4шт.

27

213-3

ADJUSTABLE CLEVIS,5/16"-24

YOKE - adjustable

2шт.

28

25-115

NUT,5/16"-24, G5

- hex (5/16"-24 NF)

2шт.

29

D47683

ROD

- throttle connecting

1шт.

30

D47684

LINK

- hand throttle

1шт.

31

13-844

BOLT,Hex, 1/2" - 13 x 2-3/4", Gr 5

Hex, 1/2"-13 x 2 3/4", G5

1шт.

32

R14771

WASHER

- Belleville

1шт.

33

R15071

DISC

- friction

1шт.

34

D47672

LEVER

THROTTLE - control (3/8" - 24 NF thread)

1шт.

34

D50246

PLATE

CONTROL - throttle (1/2" - 20 NF thread)

1шт.

35

D35859

SPACER

- throttle

1шт.

36

95-8

WASHER,1/2"

- plain 1/2"

1шт.

37

25-108

NUT,1/2"-13, G5

- hex. (1/2" - 13 NC)

2шт.

38

138-132

LOCK PIN,1/4" x 7/8", Slotted

PIN, 1/4" x 7/8", Slotted

1шт.

39

70213

KNOB

- D47672 throttle (3/8" - 24 NF thread)

1шт.

39

D49996

KNOB

- D50246 throttle (1/2" - 20 NF thread)

1шт.

40

111-354

BOLT

HHCS - 3/8" - 24 NF x 1/4" (Zinc plated)

1шт.

41

129-123

NUT,3/8"-24, G5

1шт.

Выбрано товаров: 53