Запчасти Case 850 (112) - *TRANSMISSION HOUSING AND FRONT COVERS (03) - TRANSMISSION

Схема запчастей Case 850 - (112) - *TRANSMISSION HOUSING AND FRONT COVERS (03) - TRANSMISSION
6
33
33
35
27
23
11
24
4
5
22
17
3
34
2
6
32
18
16
28
10
14
13
26
15
32
25
12
FIT
1:1
100%

Артикул

Название

Примечание

Количество

A54117

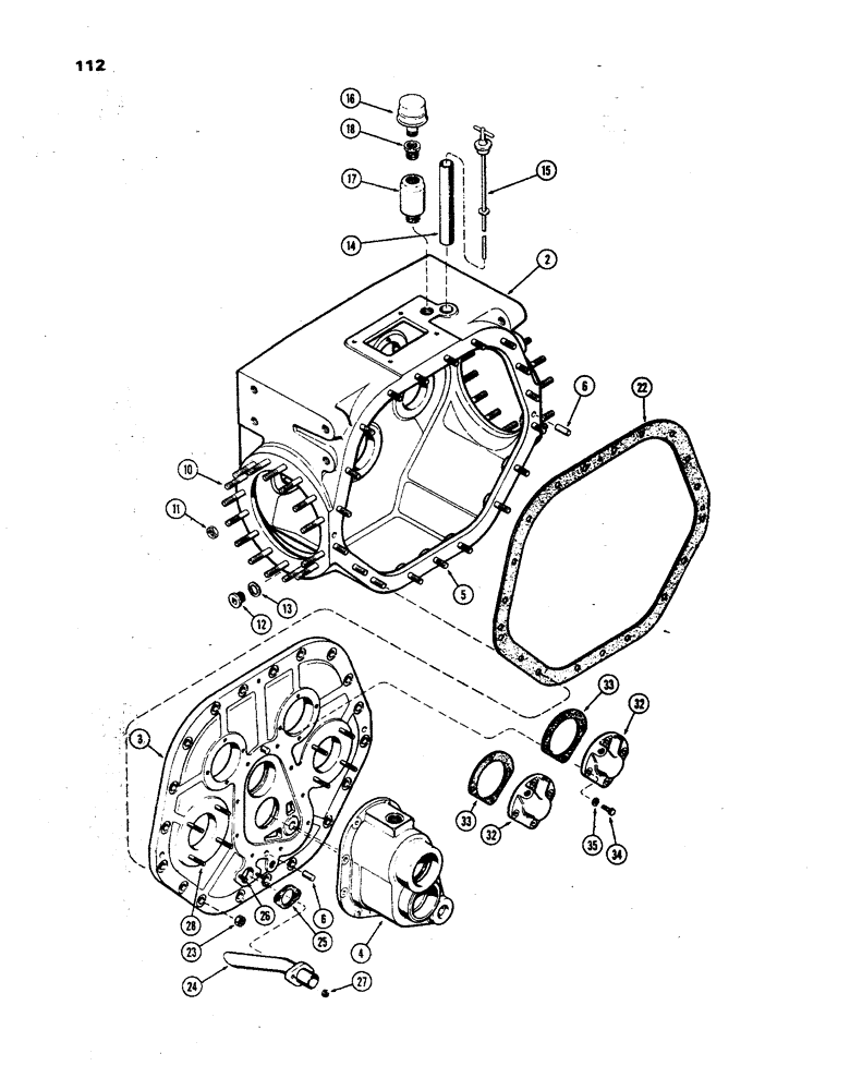
TRANSMISSION - with constant running P.T.O. (Used Loader Models, transmission Sn. 2697154 and after or tractor Sn. 7074053 and after) (Used Dozer Models, transmission Sn. 2697154 thru 2713748 or tractor Sn. 7074053 thru 7074618), Includes: Ref. 2 - 35

1шт.

A51164

NO LONGER SERVICED

TRANSMISSION - with constant running P.T.O. (Dozer Models with transmission Sn. 2713749 and after or tractor Sn. 7074619 and after), Includes: Ref. 2 - 35

1шт.

A50388

NO LONGER SERVICED

TRANSMISSION - without constant running P.T.O. (Used on all models before transmission Sn. 2697154 or before tractor Sn. 7074053), Includes: Ref. 2 - 35

1шт.

1

G35213

HOUSING

ASSEMBLY - A454117 AND A51164 transmissions (Not shown), Includes: Ref. 2 - 35

1шт.

1

A57372

HOUSING

ASSEMBLY - A50388 transmission (Not shown) Use G35213 housing, Includes: Ref. 2 - 35

1шт.

2

NSS

NOT SOLD SEPARAT

HOUSING - transmission

1шт.

3

NSS

NOT SOLD SEPARAT

COVER - housing, front

1шт.

4

NSS

NOT SOLD SEPARAT

HOUSING - two speed shift (See Figure 116 for internal parts)

1шт.

5

A50249

STUD

- cover, front (9/16" N.C. x 2-3/8")

19шт.

6

A50247

DOWEL

PIN - dowel, cover locating (1/2 x 1-1/4")

4шт.

10

A50021

STUD

- L.H. & R.H. final drive (1/2" N.C. x 3")

30шт.

11

88871

NUT,1/2"-13, GC

NUT, LOCK, 1/2"-13, GC

30шт.

12

R14777

PLUG

- drain, transmission hsg.

1шт.

13

A58613

SEALING WASHER

WASHER - drain plug (Nylon)

1шт.

14

A50018

TUBE

- oil level gauge

1шт.

15

A50225

DIPSTICK

- oil level gauge

1шт.

16

A27173

BREATHER

ASSY. - transmission

1шт.

17

A50116

BAFFLE

- breather

1шт.

18

221-58

BUSHING,Hex, 3/4" x 1/4" NPT

- reducer (3/4" to 1/4")

1шт.

22

G35334

GASKET

- front, Serial Range: cover-housing

1шт.

23

232-4119

LOCK NUT,9/16"-12, GC

NUT - hex., lock (9/16" - 12 NC)

19шт.

24

A50110

TUBE

SNORKEL - transmission oil suction

1шт.

25

A50109

GASKET

- snorkel tube

1шт.

26

A50362

STUD

- snorkel mounting (3/8" N.C. x 1-3/8")

2шт.

27

25-106

NUT,3/8"-16, G5

- hex., 3/8" - 16 NC

2шт.

28

A50241

STUD

- brake plate mtg. (1/2" N.C. x 2-1/8")

8шт.

32

A50057

COVER

- oil inlet, front (high-low clutch)

2шт.

33

A50056

GASKET

- front inlet cover

2шт.

34

13-618

BOLT,Hex, 3/8" - 16 x 1-1/8", Gr 5

HHCS - 3/8" - 16 NC x 1-1/4"

8шт.

35

A22317

WASHER

- mtg. bolt (3/8 x 11/16 x 1/16" copper)

8шт.

Выбрано товаров: 30