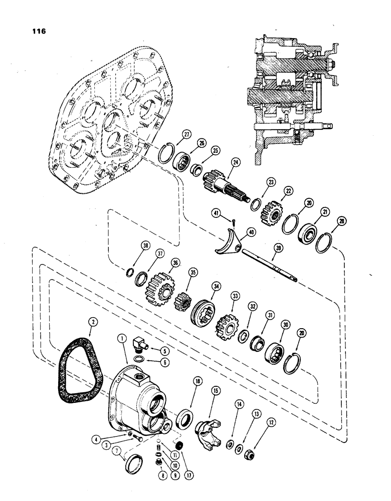
Запчасти Case 850 (116) - TRANSMISSION MECHANICAL RANGE SHIFT (03) - TRANSMISSION

Схема запчастей Case 850 - (116) - TRANSMISSION MECHANICAL RANGE SHIFT (03) - TRANSMISSION
3
5
25
20
39
6
40
12
30
18
23
36
38
37
2
32
24
22
11
17
20
20
31
13
10
26
27
7
34
41
4
35
9
8
15
21
33
14
1
FIT
1:1
100%

Артикул

Название

Примечание

Количество

1

NSS

NOT SOLD SEPARAT

HOUSING - two speed shift (See Figure 112 for service)

1шт.

2

A50269

GASKET

- shift housing to front cover

1шт.

3

166-46

12 PT SCREW,Flg, 3/8" - 16 x 1 1/4", Gr 8

SCREW - ferry head, 12 pt. (3/8" - 16 NC x 1-1/4")

9шт.

4

A22317

WASHER

- cap screw (3/8 x 11/16 x 1/16" copper)

9шт.

5

R20916

FITTING

ELBOW - oil return, 90deg.

1шт.

6

218-5008

O-RING,0.116" Thk x 0.924" ID, -912, Cl 6, 90 Duro

"O" RING - elbow (15/16 x 3/4 x 1/8")

1шт.

7

A50268

PLUG

- shift housing (3-1

1шт.

8

A50094

PLUG,Screw, 5/8" - 18 x 0.377"

SCREW - cap, range selector detent

1шт.

9

A50093

SEALING WASHER

WASHER - detent screw

1шт.

10

A50092

SPRING

- selector detent

1шт.

11

211-13

BALL,1/2" Dia

- detent, steel 1/2" Dia

1шт.

12

131-37

LOCK NUT,3/4"-16

NUT - hex., lock (3/4" - 16 NF)

1шт.

13

32601

WASHER

- flange retaining

1шт.

14

34395

SEALING WASHER

WASHER - flange seal

1шт.

15

A50580

YOKE

FLANGE - universal shaft (Replaces A50090)

1шт.

17

A50421

OIL SEAL,19.05mm ID x 31.95mm OD x 6.73mm Thk

- oil, selector shaft (3/4 x 1-1/4 x 1/4")

1шт.

18

A50420

SEAL

- oil, range housing (2-1/8 x 3-1/8 x 3/8")

1шт.

20

R13804

RING

- snap, bearing retainer

3шт.

21

A26537

BALL BEARING,34.99mm ID x 80mm OD x 21mm W

BEARING - ball, drive gear shaft, front

1шт.

22

A50499

GEAR

- driver, input shaft (20 teeth)

1шт.

23

R15364

SNAP RING,#152, 1.527", Ext

RING - snap, driver gear

1шт.

24

A50306

SHAFT

- range drive gear

1шт.

25

A50077

BEARING CONE,1.1811" ID x 0.748"

RING - inner, roller bearing

1шт.

26

A50255

BEARING, ROLLER, CYL,2.8359" OD x 0.748"

BEARING - roller, outer ring & rollers

1шт.

27

A27417

RING

- snap, roller bearing retainer

1шт.

30

A50258

ROLLER BEARING,3.1510" OD x 0.8268"

BEARING ASSY. - roller, outer ring & rollers

1шт.

31

A50332

BEARING CONE,1.25" ID x 0.8268"

RING - inner, roller bearing

1шт.

32

A50333

WASHER

- thrust, range gear

1шт.

33

A50501

GEAR

- driven, front clutch shaft (20 & 23 teeth)

1шт.

34

A51806

COLLAR

SLEEVE - range selector (Replaces A50503)

1шт.

35

A50502

COLLAR

- range selector

1шт.

36

A50504

GEAR

- rear driven shift range (20 & 27 teeth)

1шт.

37

A50071

WASHER

- thrust, rear driven gear

1шт.

38

A26946

RING

- snap, rear driven gear retainer

1шт.

39

G107672

SHAFT

- range selector

1шт.

40

A51469

FORK

- range selector shaft (Replaces A50080)

1шт.

A51469 - fork - this fork is no longer available. order G107672 shaft and fork.

1шт.

41

A7044

SET SCREW,3/8" - 16 x 7/8"

- retaining, selector fork

1шт.

Выбрано товаров: 38