Запчасти Case 850 (124) - BEVEL PINION & SHAFT (03) - TRANSMISSION

Схема запчастей Case 850 - (124) - BEVEL PINION & SHAFT (03) - TRANSMISSION
3
4
7
5
2
9
1
6
8
FIT
1:1
100%

Артикул

Название

Примечание

Количество

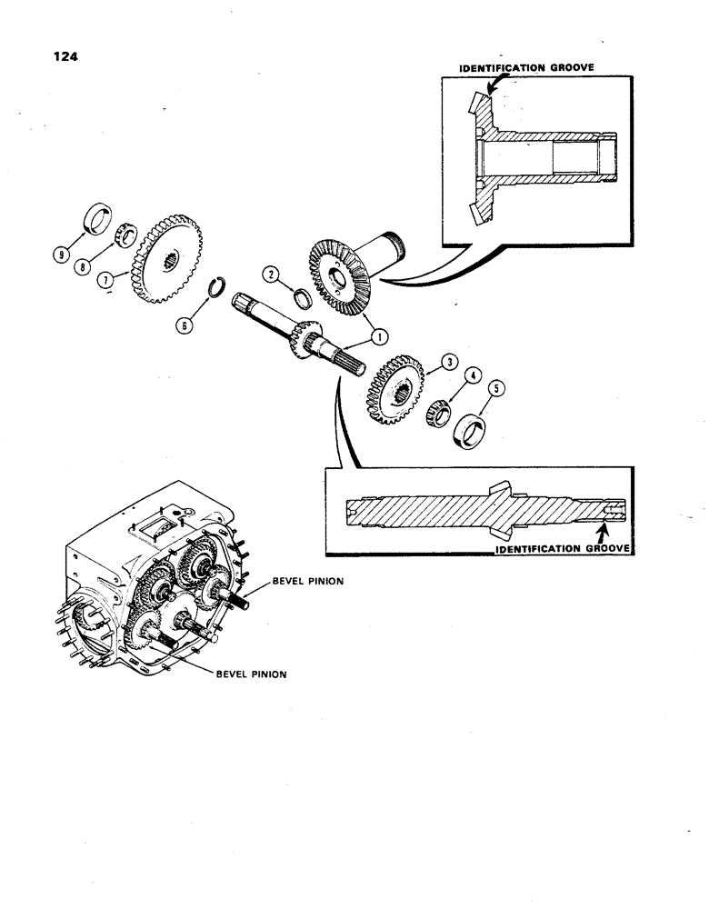
1

A50338

GEAR, BEVEL

PINION & GEAR SET - matched (w/out identification grooves) (used all Loader Models) (Used Dozer Models prior to trans. ser. no. 2713749 and trans. ser. no. 7074619)

2шт.

Loader models w/ trans. ser. no. 2732200 has letter "L" stamped on trans. ser. no. plate Dozer models w/ trans. ser. co. 2732199 has letter "D" stamped on trans.ser.csble

1шт.

1

A51161

GEAR

PINION & GEAR SET - matched (Used Dozer Models) (w/identification grooves) (See Inset) (1st used trans. ser. no. 2713749 and trac. ser. no. 7074619)

2шт.

Loader models w/ trans. ser. no. 2732200 has letter "L" stamped on trans. ser. no. plate Dozer models w/ trans. ser. co. 2732199 has letter "D" stamped on trans.ser.csble

1шт.

2

A50099

PLUG

- bevel pinion (2-17/64" cup type)

2шт.

3

A50512

GEAR

- driven, high clutch (40 teeth)

2шт.

4

R17219

ROLLER BEARING

CONE - pinion shaft front brg. (1-5/8" I.D.)

2шт.

5

F62007

CUP

- pinion shaft front brg. (3-1/8" O.D.)

2шт.

6

A27085

RING

- snap, low clutch driven gear

2шт.

7

A50575

GEAR

- driven, low clutch (51 teeth) (Replaces A50513)

2шт.

8

A26719

ROLLER BEARING,38.1mm ID x 20.64mm W

CONE - high-low clutch rear brg. (1-1/2" I.D.)

2шт.

9

A50264

BEARING CUP,72mm OD x 14.2mm W

CUP - high-low clutch rear brg. (2-27/32" O.D.)

2шт.

Выбрано товаров: 12