Запчасти Case 850 (132) - FINAL DRIVE AND HOUSING, 1ST USED TRANS. S/N 2697154, 1ST USED TRAC. S/N 7074053 (03) - TRANSMISSION

Схема запчастей Case 850 - (132) - FINAL DRIVE AND HOUSING, 1ST USED TRANS. S/N 2697154, 1ST USED TRAC. S/N 7074053 (03) - TRANSMISSION
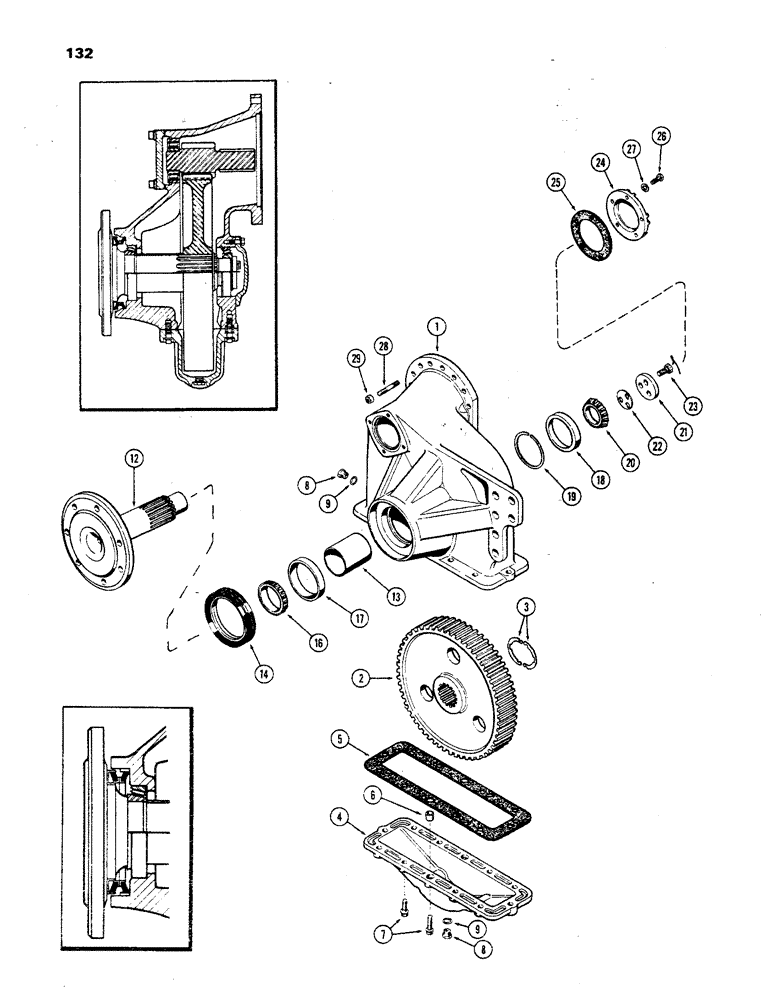
9
17
3
8
13
29
14
28
9
23
21
18
18
27
25
20
24
5
7
2
22
26
8
6
16
1
4
12
FIT
1:1
100%

Артикул

Название

Примечание

Количество

A50548

DRIVE ASSY.

- final, right hand, Includes: Ref. 1 - 27

1шт.

A50549

DRIVE ASSY.

- final, left hand, Includes: Ref. 1 - 27

1шт.

1

A50550

HOUSING

- final drive, right hand

1шт.

1

A50551

HOUSING

- final drive, left hand

1шт.

2

A50134

GEAR

- final drive

1шт.

3

CASA50163

RING

Snap, #325, Ext, final drive inter-locking

2шт.

4

A50142

COVER

- drop, final drive

1шт.

5

A50141

GASKET

- drop cover

1шт.

6

A50011

SLEEVE

- dowel, drop cover locating

2шт.

7

166-87

BOLT,Flg, 1/2" - 13 x 1 1/2", Gr 8

- cover to hsg. (1/2 x 1-1/2" N.C., 12 pt. head)

10шт.

7

166-88

12 PT SCREW,Flg, 1/2" - 13 x 1 3/4", Gr 8

BOLT - cover to hsg. (1/2 x 1-3/4" N.C., 12 pt. head)

2шт.

8

A50014

PLUG

- housing, drain & fill

2шт.

9

A58608

GASKET

- fill & drain plug

2шт.

12

A51504

SHAFT

- sprocket, final drive (Replaces A50475)

1шт.

13

NLS

NO LONGER SERVICED

SPACER - final drive shaft, Bushing

1шт.

14

A50552

SEAL

KIT - oil, final drive

1шт.

16

T30649

ROLLER BEARING,3.25" ID x 1.3125"

CONE - bearing, outer (3-1/4" I.D.)

1шт.

17

A15434

CUP

- bearing, outer (5-1/4" O.D.)

1шт.

18

A26744

BEARING CUP,110.025 mm OD x 18.875 mm

CUP - bearing, inner (4-11/32" O.D.)

1шт.

19

A50132

RING

- snap, inner cup retaining

1шт.

20

A26847

ROLLER BEARING,2.5" ID x 0.866"

CONE - bearing, inner (2-1/2" I.D.)

1шт.

21

R19889

PLATE

- lock

1шт.

22

R21741

SHIM,.005" Thk

Lock plate .005" Thk

1шт.

22

R21742

SHIM,.007" Thk

Lock plate .007" Thk

1шт.

22

R21743

SHIM,.020" Thk

Lock plate .020" Thk

1шт.

23

R19888

SCREW

BOLT - plate to shaft (9/16 x 1-1/4" N.F., spec.)

3шт.

24

A50140

COVER

- final drive shaft

1шт.

25

A50139

GASKET

- shaft cover

1шт.

26

13-620

BOLT,Hex, 3/8" - 16 x 1-1/4", Gr 5, Full Thd

Cover to housing Hex, 3/8"-16 x 1 1/4", G5, Full Thd

5шт.

27

92-6

LOCK WASHER,3/8"

5шт.

28

A50021

STUD

- drive hsg. to trans. case (1/2" N.C. x 3")

30шт.

29

88871

NUT,1/2"-13, GC

NUT, LOCK, 1/2"-13, GC

30шт.

Выбрано товаров: 32