Запчасти Case 850 (210[1]) - LOADER BUCKET 1-3/8 CUBIC YARD BUCKET (MACHINERY ITEM) (05) - UPPERSTRUCTURE CHASSIS

Схема запчастей Case 850 - (210[1]) - LOADER BUCKET 1-3/8 CUBIC YARD BUCKET (MACHINERY ITEM) (05) - UPPERSTRUCTURE CHASSIS
3
8
1a
10
9
1
4
11
12
5
2
6
7
FIT
1:1
100%

Артикул

Название

Примечание

Количество

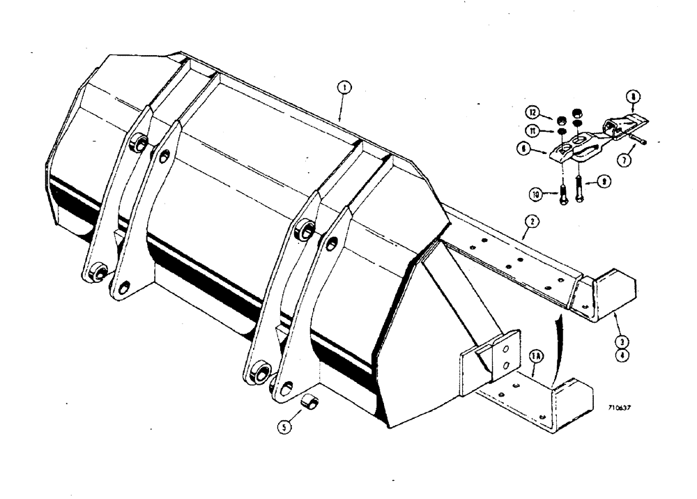
1

D49232

BUCKET ASSEMBLY - loader 1-3/8 cu. yd., Includes: Ref. 1A - 5

1шт.

1a

D51888

BLADE

CUTTING EDGE - one piece

1шт.

2

D49231

CUTTING EDGE

CUTTING EDGE - three piece, center (64-5/8")

1шт.

3

D49200

BLADE

CUTTING EDGE - three piece, end (R.H.)

1шт.

4

D49201

BLADE

CUTTING EDGE - three piece, end (L.H.)

1шт.

5

D31142

BUSHING,51.02mm ID x 63.5mm OD x 38.1mm L

BUSHING - bucket mounting

8шт.

D49545

TOOTH

ASSEMBLY - bucket, Includes: Ref. 6 - 8

8шт.

6

NSS

NOT SOLD SEPARAT

SHANK - tooth

1шт.

7

L32090

PIN

FLEX PIN - tooth

1шт.

8

L32089

POINT

POINT - tooth

1шт.

9

26-1056

BOLT,Hex, 5/8" - 11 x 3-1/2", Gr 8

HHCS - 5/8" - 11 NC x 3-1/2" (Grade 8)

8шт.

10

26-1044

BOLT,Hex, 5/8" - 11 x 2-3/4", Gr 8

HHCS - 5/8" - 11 NC x 2-3/4" (Grade 8)

8шт.

11

92-10

LOCK WASHER,5/8"

16шт.

12

25-1010

NUT,5/8"-11, G5

16шт.

Выбрано товаров: 0