Запчасти Case 850 (090) - BASIC TRACTOR HYDRAULICS (07) - HYDRAULIC SYSTEM

Схема запчастей Case 850 - (090) - BASIC TRACTOR HYDRAULICS (07) - HYDRAULIC SYSTEM
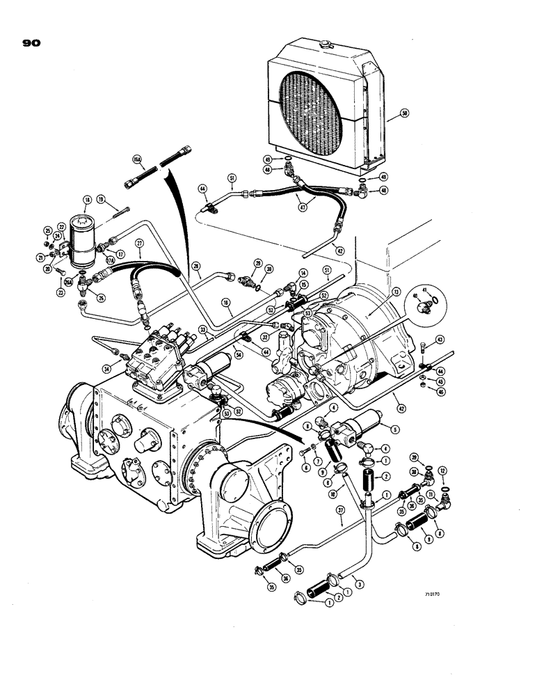
52
48
8
41
3
22
37
46
40
35
48
17
25
5
13
36
33
35
35
8
1
14
7
38
19
1
10
4
20
30
29
34
42
18
47
42
27
52
54
2
26
16a
50
51
9
32
15
35
44
52
8
28
6
8
49
53
45
4
16
53
51
1
36
1
17a
21
44
9
23
49
39
44
2
2
26a
43
11
12
FIT
1:1
100%

Артикул

Название

Примечание

Количество

1

214-258

HOSE CLAMP,#28, 1.31" - 2.25", Type F Worm

4шт.

2

R13911

HOSE,31.80 mm ID x 101.60 mm ID, SAE 100R3

- low pressure 31.80 mm ID x 101.60 mm ID, SAE 100R3

2шт.

3

D39846

TUBE

-, Serial Range: transmission-filter

1шт.

4

D38132

STEM

- hose, 90 deg.

2шт.

5

D43639

FILTER, ENGINE OIL

FILTER - transmission hydraulic oil (Parts list Figure 92)

1шт.

6

13-824

BOLT,Hex, 1/2" - 13 x 1-1/2", Gr 5, Full Thd

2шт.

7

92-8

LOCK WASHER,1/2"

2шт.

8

214-258

HOSE CLAMP,#28, 1.31" - 2.25", Type F Worm

4шт.

9

R13911

HOSE,31.80 mm ID x 101.60 mm ID, SAE 100R3

- low pressure 31.80 mm ID x 101.60 mm ID, SAE 100R3

2шт.

10

D39848

TUBE

- filter to torque converter pump

1шт.

11

D36486

FITTING

STEM - hose, 90 deg.

1шт.

12

218-5010

O-RING,0.116" Thk x 1.171" ID, -916, Cl 6, 90 Duro

SEAL - "O"ring

1шт.

13

D40129

X

TORQUE CONVERTER - engine (Used before tractor serial no. 7072855) Parts list Figure 60 (Order D45351 converter, 218-5063 connector and D45489 tube for service)

1шт.

13

D45351

SPARE PART

TORQUE CONVERTER - engine (Used on tractor serial no 7072855 and after) Parts list Figure 60

1шт.

14

218-5107

90 ELBOW,90 Degree Elbow, 7/8" - 14 Male JIC x 7/8" - 14 Male ORB

- adjustable, 90 deg. (Used with D40129 torque converter only) Incl. reference number 15

1шт.

218-5063

HYD CONNECTOR,7/8" - 14 Male JIC x 1-1/16" - 12 Male ORB

CONNECTOR - tube, straight (Used with D45351 torque converter only) Not shown

1шт.

15

237-6010

O-RING,0.097" Thk x 0.755" ID, -910, Cl 6, 90 Duro

SEAL - "O"ring

1шт.

16

D39860

TUBE

- pump to filter (Used with D40129 converter only)

1шт.

16

D45489

TUBE - pump to filter (Used with D45351 converter only) When stock is exhausted, use 36942 hose

1шт.

16a

36942

HOSE

- pump to filter (44" long)

1шт.

17

218-457

HYD CONNECTOR,7/8" - 14 Male JIC x 3/4" - 14 Male NPTF

ADAPTER - male, straight (Used with D35153 filter)

1шт.

17

218-5063

HYD CONNECTOR,7/8" - 14 Male JIC x 1-1/16" - 12 Male ORB

CONNECTOR - male, straight (Used with D45336 filter)

1шт.

17a

218-5008

O-RING,0.116" Thk x 0.924" ID, -912, Cl 6, 90 Duro

SEAL - "O"ring (Used on 218-5063 connector only)

1шт.

18

D35153

FILTER

- transmission hydraulic oil (Parts list Figure 92) When stock is exhausted, order D45336 filter, 218-5063 adapter, and D45618 tee for service

1шт.

NLS

NO LONGER SERVICED

FILTER - transmission hydraulic oil (Parts list Figure 92)

1шт.

19

75-544

RHMS - 5/16" - 18 NC x 2-3/4"

2шт.

20

92-5

LOCK WASHER,5/16"

2шт.

21

9635082

NUT,5/16" - 18, Gr 5

- hex. (5/16" - 18 NC)

2шт.

22

D31217

BRACKET

- filter

1шт.

23

13-616

BOLT,Hex, 3/8" - 16 x 1", Gr 5, Full Thd

4шт.

24

195-25

WASHER,3/8"

- plain () 3/8"

4шт.

25

131-6

LOCK NUT,3/8"-16, GC

NUT - hex., lock (3/8" - 16 NC)

4шт.

26

D35964

TEE - male, run (Used with D35153 filter)

1шт.

26

218-5294

TEE,37 Degree, 7/8"-14, 1 1/16"-12 O-Ring Run, 7/8"-14

- male (Used with D45336 filter)

1шт.

26a

218-5008

O-RING,0.116" Thk x 0.924" ID, -912, Cl 6, 90 Duro

SEAL - "O"ring (Used on 218-5294 tee only)

1шт.

27

D28117

HOSE

- filter to transmission control valve (23-1/2" long)

1шт.

28

D39856

TUBE

- filter torque converter

1шт.

29

R19576

FITTING

ELBOW - adjustable, 90 deg. (Special)

1шт.

30

237-6010

O-RING,0.097" Thk x 0.755" ID, -910, Cl 6, 90 Duro

SEAL - "O"ring

1шт.

31

RESERVED

1шт.

32

218-1093

ELBOW,45 Degree, 1/2-20" 37 Degree x 1/4"-18, NPTF

- male, 45 deg.

1шт.

33

D39850

TUBE

- torque converter to transmission control valve

1шт.

34

218-1023

HYD CONNECTOR,1/2"-20, 37 Degree x 1/4"-18, NPTF

ADAPTER - male, straight

1шт.

35

214-253

HOSE CLAMP,#10, 0.56" - 1.06", Type F Worm

CLAMP - hose

4шт.

Fitting not shown is P/N 217-182.

1шт.

36

R20848

LARGE HOSE

HOSE - low pressure

2шт.

37

D39847

TUBE

- transmission to torque converter

1шт.

38

R19864

SUN VISOR

STEM - hose, 90 deg. (Special)

1шт.

39

218-5010

O-RING,0.116" Thk x 1.171" ID, -916, Cl 6, 90 Duro

SEAL - "O"ring

1шт.

Выбрано товаров: 49