Запчасти Case 850 (091A) - BASIC TRACTOR HYDRAULICS (07) - HYDRAULIC SYSTEM

Схема запчастей Case 850 - (091A) - BASIC TRACTOR HYDRAULICS (07) - HYDRAULIC SYSTEM
45
35
37
12
17a
4
30
20
22
41
1
49
48
34
25
36
27
15
50
44
1
52
8
49
43
19
52
16a
28
8
38
35
53
40
2
52
10
51
54
35
48
39
44
21
8
3
51
23
1
1
26a
13
17
4
42
42
18
53
16
32
7
5
6
33
36
29
11
46
2
26
14
47
9
9
35
44
24
FIT
1:1
100%

Артикул

Название

Примечание

Количество

40

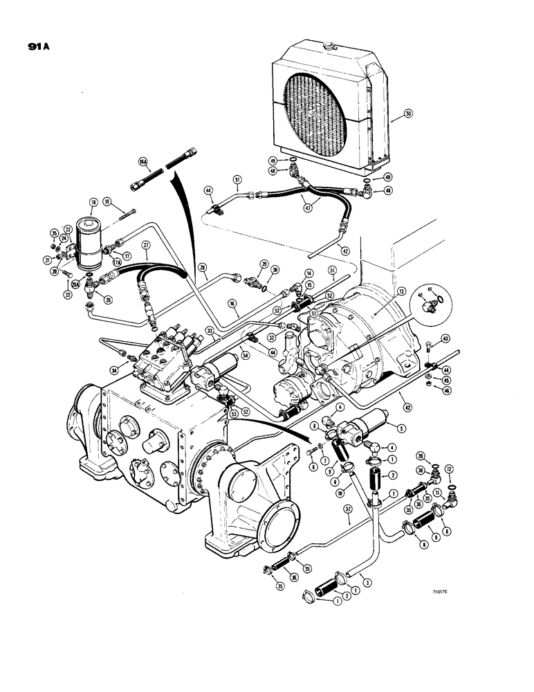
D38975

FITTING

ELBOW - adustable, 90 deg. (Early Production) Includes ref. no. 41 (See page 45 for related parts)

1шт.

D44004

FITTING

TEE - special (Late Production) See page 45 for related parts

1шт.

41

218-5008

O-RING,0.116" Thk x 0.924" ID, -912, Cl 6, 90 Duro

SEAL - "O"ring

1шт.

42

D39858

TUBE

- torque, Serial Range: converter-radiator

1шт.

43

13-514

BOLT,Hex, 5/16" - 18 x 7/8", Gr 5

3шт.

44

49855

CLAMP

- tube

3шт.

45

195-21

WASHER,5/16"

- plain () 5/16"

3шт.

46

131-4

LOCK NUT,5/16"-18, GB

NUT - hex., lock (5/16" - 18 NC)

3шт.

47

D42374

HOSE

- radiator inlet and outlet (26-1/2" long)

2шт.

48

218-5108

ELBOW,90 Degree Elbow, 1-1/16" - 12 Male JIC x 1-1/16" - 12 Male ORB

adjustable 90º, 1 1/16"-12, 37º x 1 1/16"-12, O-Ring

2шт.

49

218-5008

O-RING,0.116" Thk x 0.924" ID, -912, Cl 6, 90 Duro

SEAL - "O"ring

1шт.

50

D40255

RADIATOR

- engine cooling (Parts list page 39)

1шт.

51

D39853

TUBE

-, Serial Range: radiator-transmission,front

1шт.

52

214-256

HOSE CLAMP,#20, 0.81" - 1.75", Type F Worm

CLAMP - hose

4шт.

53

D24728

HOSE

- low pressure

2шт.

54

D39851

TUBE

- radiator to transmission, rear

1шт.

Выбрано товаров: 16