Запчасти Case 850 (176) - EQUIPMENT PRIMARY HYDRAULICS (07) - HYDRAULIC SYSTEM

Схема запчастей Case 850 - (176) - EQUIPMENT PRIMARY HYDRAULICS (07) - HYDRAULIC SYSTEM
8
26
7
2
3
16
2
1
3
13
4
28
14
10
18
9
12
2
19
27
30
15
22
29
25
21
20
24
31
5
6
17
23
2
11
28
FIT
1:1
100%

Артикул

Название

Примечание

Количество

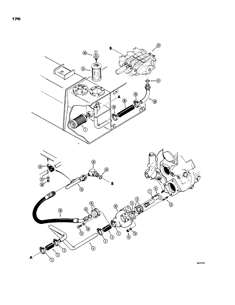
1

D33557

FILTER, ELEMENT

ELEMENT, FILTER Hydraulic tank, suction line

1шт.

2

214-258

HOSE CLAMP,#28, 1.31" - 2.25", Type F Worm

4шт.

3

R14169

HOSE

Low pressure

2шт.

4

D39764

TUBE

Tank to pump, suction

1шт.

5

D35993

FITTING

STEM - hose, 90 deg.

1шт.

6

13-824

BOLT,Hex, 1/2" - 13 x 1-1/2", Gr 5, Full Thd

4шт.

7

92-8

LOCK WASHER,1/2"

4шт.

8

A14157

FLANGE

Split

2шт.

9

A14515

O-RING,0.139" Thk x 1.859" ID, -225, Cl 5, 75 Duro

SEAL, pump inlet

1шт.

10

D42531

HYDRAULIC PUMP

37 G.P.M. at 1780 R.P.M. at 2000 P.S.I. (Tyrone #20250-CG) Parts list Figure 202

1шт.

11

25-108

NUT,1/2"-13, G5

Hex

4шт.

12

92-8

LOCK WASHER,1/2"

4шт.

13

D45312

STUD

Special, pump mounting

4шт.

14

T13224

O-RING,1.484" ID x 1.762" OD x 0.139"

SEAL, pump outlet

1шт.

15

A12301

CLAMP,Half

Split

2шт.

16

92-7

LOCK WASHER,7/16"

4шт.

17

13-724

BOLT,Hex, 7/16" - 14 x 1-1/2", Gr 5

4шт.

18

R21782

HOSE

Special, pump to valve (34-1/2" long)

1шт.

19

D39765

SPARE PART Pump to valve (When stock is exhausted, order D46842 tube and R20720 elbow for service

1шт.

D46842

TUBE

, Serial Range: Pump-valve

1шт.

20

131-4

LOCK NUT,5/16"-18, GB

1шт.

21

195-21

WASHER,5/16"

1шт.

22

49789

CLAMP

SPARE PART Tube

1шт.

23

D39767

SPARE PART Adjustable, 45 deg. (Special) Used with D39765 tube only

1шт.

R20720

FITTING

ELBOW - adjustable, 45 deg. (Special) Used with D46842 tube only

1шт.

24

218-5011

O-RING,0.118" Thk x 1.475" ID, -920, Cl 6, 90 Duro

SEAL

1шт.

25

REF

INSTRUCTION

VALVE - equipment control (See Figure 178 thru 183A for proper valve)

1шт.

26

D39762

SPARE PART Valve to hydraulic tank

1шт.

27

218-5011

O-RING,0.118" Thk x 1.475" ID, -920, Cl 6, 90 Duro

SEAL

1шт.

28

214-258

HOSE CLAMP,#28, 1.31" - 2.25", Type F Worm

2шт.

29

D40107

HOSE

Low pressure

1шт.

30

D35996

VALVE PRESSURE RELIE

1шт.

31

D35995

STRAINER ELEMENT

FILTER - hydraulic tank, return line

1шт.

Выбрано товаров: 33