Запчасти Case 850 (030) - MUFFLER AND DRY TYPE AIR CLEANER (01) - ENGINE

Схема запчастей Case 850 - (030) - MUFFLER AND DRY TYPE AIR CLEANER (01) - ENGINE
7
16
31
28
10
25
4
30
37
19
15
35
3
38
25a
21
17
22
18
20
39
8
12
6
36
23
5
1
29
13
9
11
32
14
26a
2
34
27
24
33
33
FIT
1:1
100%

Артикул

Название

Примечание

Количество

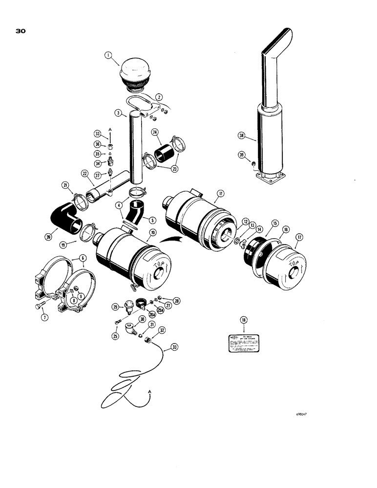
1

A10872

CAP

- air cleaner, screen

1шт.

2

A19955

CLAMP

- stack

1шт.

3

D39589

MUFFLER

STACK - air cleaner

1шт.

4

214-264

HOSE CLAMP,#52, 2.81" - 3.75", Type F Worm

CLAMP - hose

2шт.

5

D39588

LARGE HOSE

HOSE - stack to air cleaner

1шт.

6

70973

BRACKET

- air cleaner mounting

2шт.

Another band used (not a sub) is P/N D52449.

1шт.

7

13-512

BOLT,Hex, 5/16" - 18 x 3/4", Gr 5

4шт.

8

92-5

LOCK WASHER,5/16"

4шт.

9

9635082

NUT,5/16" - 18, Gr 5

- hex. (5/16" - 18 NC)

4шт.

10

D36261

CLEANER

AIR CLEANER - dry type, standard (See Figure 32 for optional oil bath type air clearner)

1шт.

11

NSS

NOT SOLD SEPARAT

BODY - air cleaner

1шт.

12

D37975

FILTER

ELEMENT - air cleaner

1шт.

F91761

WING NUT

AND WASHER ASSEMBLY - wing

1шт.

13

NSS

NOT SOLD SEPARAT

GASKET - wing nut

1шт.

14

NSS

NOT SOLD SEPARAT

NUT - wing

1шт.

15

D37979

BAFFLE

- air cleaner

1шт.

16

R15731

CLAMP

- air cleaner

1шт.

17

D37980

CUP

- air cleaner

1шт.

18

D37974

DECAL

- service instructions

1шт.

19

214-264

HOSE CLAMP,#52, 2.81" - 3.75", Type F Worm

CLAMP - hose

1шт.

20

D32718

FITTING

ELBOW - hose

1шт.

21

214-260

HOSE CLAMP,#36, 1.81" - 2.75", Type F Worm

1шт.

22

D39586

TUBE

- air cleaner to intake manifold

1шт.

23

214-260

HOSE CLAMP,#36, 1.81" - 2.75", Type F Worm

1шт.

24

G46338

INTAKE AIR HOSE,2.25" ID x 3.00", SAE 20R2

- Tube to intake manifold 2.25" ID x 3.00", SAE 20R2

1шт.

25

173-202

SCREW,Rnd Hd, 1/4" - 20 x 3/4"

RHMS - 1/4" - 20 NC x 3/4" (Zinc plated)

1-2шт.

25a

195-18

WASHER,1/4"

- plain () 1/4"

1шт.

26

D41012

CLAMP - indicator (Early Production) Not shown

1шт.

26a

D45064

CLAMP,1 3/8", Insul, 1/4" Bolt

- indicator (Late Production)

1шт.

27

92-4

LOCK WASHER,1/4"

WASHER, LOCK, 1/4"

1-2шт.

28

25-104

NUT,1/4"-20, G5

1-2шт.

29

D41011

INDICATOR

FILTER INDICATOR - air clearner (When stock is exhausted, order D47217 indicator for service)

1шт.

D47217

INDICATOR

FILTER INDICATOR - air cleaner

1шт.

D45588

FITTING

ELBOW ASSEMBLY - special, 90 deg.

1шт.

30

NSS

NOT SOLD SEPARAT

ELBOW - special, 90 deg.

1шт.

31

NSS

NOT SOLD SEPARAT

SLEEVE - elbow

1шт.

32

NSS

NOT SOLD SEPARAT

NUT - elbow

1шт.

33

D41013

TUBE

- indicator inlet tube

1шт.

D35091

PIPE FITTING

CONNECTOR ASSEMBLY - female, straight (Flex tube)

1шт.

34

NSS

NOT SOLD SEPARAT

CONNECTOR - female, straight (Flex tube)

1шт.

35

D37176

SLEEVE

- connector

1шт.

36

D37362

TUBE NUT

- connector

1шт.

37

D36264

FITTING

CONNECTOR - special, filter type

1шт.

38

D35766

MUFFLER

- exhaust (Standard on all models except Forestry) See Figure 34 for spark arresting muffler

1шт.

39

131-906

NUT

- hex., lock (1/2" - 13 NC)

4шт.

Выбрано товаров: 46