Запчасти Case 850 (036) - ENGINE FRAME AND RELATED PARTS (01) - ENGINE

Схема запчастей Case 850 - (036) - ENGINE FRAME AND RELATED PARTS (01) - ENGINE
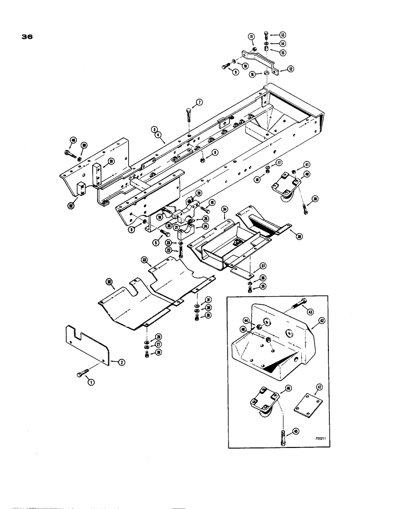
27
3
51
34
1
49
44
41
17
13
16
7
29
21
15
38
33
23
31
50
28
35
24
9
37
18
47
42
39
40
26
6
22
18
14
11
12
46
43
36
2
45
4
FIT
1:1
100%

Артикул

Название

Примечание

Количество

1

13-1216

BOLT,Hex, 3/4" - 10 x 1", Gr 5

2шт.

2

D40100

GUARD

- rear, transmission control valve

1шт.

3

D40002

FRAME - engine

1шт.

4

RESERVED

1шт.

5

13-1260

BOLT,Hex, 3/4" - 10 x 3-3/4", Gr 5

HHCS - 3/4" - 10 NC x 3-3/4"

8шт.

6

D34666

WASHER,33.34mm ID x 63.5mm OD x 2.38mm Thk

- special

8шт.

7

13-1256

BOLT,Hex, 3/4" - 10 x 3-1/2", Gr 5

2шт.

8

230-41112

LOCK NUT,3/4"-10, GA

NUT - hex., lock (3/4" - 10 NC)

2шт.

9

13-1244

BOLT,Hex, 3/4" - 10 x 2-3/4", Gr 5

2шт.

10

D34666

WASHER,33.34mm ID x 63.5mm OD x 2.38mm Thk

- special

2шт.

11

230-41112

LOCK NUT,3/4"-10, GA

NUT - hex., lock (3/4" - 10 NC)

2шт.

12

D36161

SUPPORT

ENGINE MOUNT - front (Used with D40002 frame)

1шт.

13

13-1248

BOLT,Hex, 3/4" - 10 x 3", Gr 5

1шт.

14

D31328

WASHER

- special, upper

1шт.

15

D36157

BUSHING

SPACER - engine mount

1шт.

16

D31852

SPACER

WASHER - special, intermediate

1шт.

17

D34666

WASHER,33.34mm ID x 63.5mm OD x 2.38mm Thk

- special, lower

1шт.

18

230-41112

LOCK NUT,3/4"-10, GA

NUT - hex., lock (3/4" - 10 NC)

1шт.

19

13-1244

BOLT,Hex, 3/4" - 10 x 2-3/4", Gr 5

8шт.

20

D40008

CLAMP

- pivot shaft

2шт.

21

25-1012

NUT,3/4"-10, G5

8шт.

22

13-1464

BOLT,Hex, 7/8" - 9 x 4", Gr 5

HHCS - 7/8" - 9 NC x 4"

4шт.

23

D34667

WASHER,23.02mm ID x 38.1mm OD x 3.57mm Thk

- special

4шт.

24

D39511

CLAMP

CAP - pivot shaft clamp

2шт.

25

D33982

BUSHING

SPACER - cap, front cap screws only

2шт.

26

13-1028

BOLT,Hex, 5/8" - 11 x 1-3/4", Gr 5, Full Thd

18шт.

27

92-10

LOCK WASHER,5/8"

WASHER, LOCK, 5/8"

18шт.

28

195-41

WASHER,5/8"

- plain () 5/8"

18шт.

29

13-1040

BOLT,Hex, 5/8" - 11 x 2-1/2", Gr 5

2шт.

30

92-10

LOCK WASHER,5/8"

WASHER, LOCK, 5/8"

2шт.

31

195-41

WASHER,5/8"

- plain () 5/8"

2шт.

32

D40017

GUARD

- transmission driveshaft

1шт.

33

D41371

GUARD

- driveshaft and torque converter

1шт.

34

D40020

GUARD - engine rear

1шт.

35

13-820

BOLT,Hex, 1/2" - 13 x 1-1/4", Gr 5, Full Thd

D40020 guard Hex, 1/2"-13 x 1 1/4", G5, Full Thd

2шт.

36

92-8

LOCK WASHER,1/2"

2шт.

37

R20471

COVER - access (D40020 guard)

1шт.

38

D40023

TRANSMISSION SLEEVE

- engine, front

1шт.

39

13-1240

BOLT,Hex, 3/4" - 10 x 2-1/2", Gr 5

4шт.

40

71671

PLATE ASSY.

HOOK - pull, front

1шт.

41

25-1012

NUT,3/4"-10, G5

4шт.

42

D40146

COUNTERWEIGHT - front, 1000 lbs.

1шт.

43

13-1680

CAPSCREW,Hex, 1" - 8 x 5", Gr 5

BOLT, Hex, 1"-8 x 5", G5

2шт.

44

25-1016

NUT,1"-8, G5

2шт.

45

13-1272

BOLT,Hex, 3/4" - 10 x 4-1/2", Gr 5

(Used with hook only) Hex, 3/4"-10 x 4 1/2", G5

4шт.

13-1264

BOLT,Hex, 3/4" - 10 x 4", Gr 5

(Used with plate only) Hex, 3/4"-10 x 4", G5

4шт.

46

71671

PLATE ASSY.

HOOK - pull, front (If used)

1шт.

47

74621

WEIGHT

PLATE - counterweight (If used)

1шт.

48

25-1012

NUT,3/4"-10, G5

4шт.

49

13-1220

BOLT,Hex, 3/4" - 10 x 1-1/4", Gr 5

2шт.

50

D34666

WASHER,33.34mm ID x 63.5mm OD x 2.38mm Thk

- special

2шт.

51

D43889

BLOCK - spacer

2шт.

52

R19226

BLOCK

- spacer

2шт.

Выбрано товаров: 53