Запчасти Case 850 (078) - FINAL DRIVE (03) - TRANSMISSION

Схема запчастей Case 850 - (078) - FINAL DRIVE (03) - TRANSMISSION
34
42
11
17
25
8
24
14
31
18
24
19
33
35
3
4
16
32
28
10
30
2
40
21
1
26
5
12
27
15
13
41
20
9
23
29
23
FIT
1:1
100%

Артикул

Название

Примечание

Количество

A50388

NO LONGER SERVICED

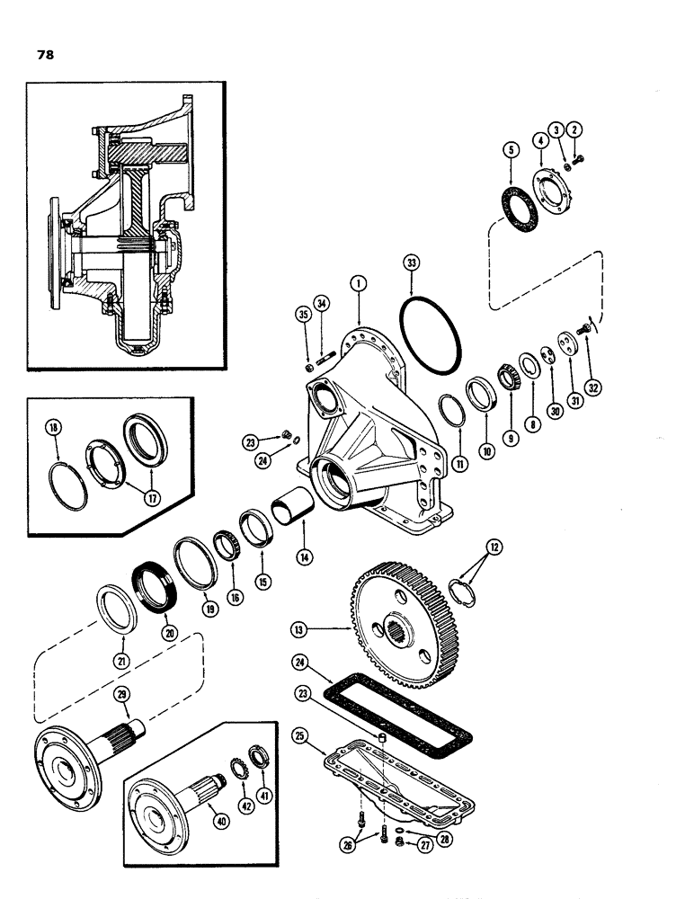
TRANSMISSION & FINAL DRIVE ASSY. - complete (incl. all items Figure 68 thru 82)

1шт.

A50130

DRIVE ASSY.

- final, R.H.

1шт.

A50131

DRIVE

ASSY. - final, L.H.

1шт.

1

A50298

HOUSING

- final drive, R.H.

1шт.

1

A50299

HOUSING

- final drive, L.H.

1шт.

2

13-620

BOLT,Hex, 3/8" - 16 x 1-1/4", Gr 5, Full Thd

5шт.

3

92-6

LOCK WASHER,3/8"

5шт.

4

A50140

COVER

- final drive shaft

1шт.

5

A50139

GASKET

- shaft cover

1шт.

8

A50136

WASHER

- keyed thrust, bearing cone

1шт.

9

A26847

ROLLER BEARING,2.5" ID x 0.866"

CONE - final drive shaft bearing

1шт.

10

A26744

BEARING CUP,110.025 mm OD x 18.875 mm

CUP - drive shaft bearing

1шт.

11

A50132

RING

- snap, cup retainer

1шт.

12

A50163

TUBE,#325, Ext

Ring, Snap, , final drive inter-locking #325, Ext

2шт.

13

A50134

GEAR

- final drive

1шт.

14

NLS

NO LONGER SERVICED

SPACER - sleeve, shaft, Bushing

1шт.

15

A15434

CUP

- outer bearing

1шт.

16

T30649

ROLLER BEARING,3.25" ID x 1.3125"

CONE - outer bearing

1шт.

A50545

KIT

- face seal (Order A50555)

1шт.

17

A50244

SEAL

- face, final drive

1шт.

18

A50546

RING

SNAP RING - face seal, external

1шт.

A50555

SEAL

KIT - face seal, dinal drive (Replaces A50545)

1шт.

19

A50554

SPACER

- final drive

1шт.

20

A50552

SEAL

FACE SEAL - final drive

1шт.

21

A50553

SEAL

SEAT - face seal, final drive

1шт.

23

A50011

SLEEVE

- dowel, drive gear cover

2шт.

24

A50141

GASKET

- drive gear cover

1шт.

25

A50142

COVER

- drive gear, final

1шт.

26

166-87

BOLT,Flg, 1/2" - 13 x 1 1/2", Gr 8

- 1/2 x 1-1/2" N.C., 12 pt. head

10шт.

26

166-88

12 PT SCREW,Flg, 1/2" - 13 x 1 3/4", Gr 8

BOLT - 1/2 x 1-3/4" N.C., 12 pt. head

2шт.

27

A50014

PLUG

- housing drain & fill

2шт.

28

A58608

GASKET

WASHER - fill & drain plug

2шт.

29

A50475

SHAFT

- fnal drive (1st used trans. SN 2663903)

1шт.

30

R21743

SHIM,.020" Thk

Final drive bearing .020" Thk

1шт.

30

R21742

SHIM,.007" Thk

Final drive bearing .007" Thk

1шт.

30

R21741

SHIM,.005" Thk

Final drive bearing .005" Thk

1шт.

31

A50537

PLATE

- lock, drive shaft (1st used trans. SN2663903)

1шт.

32

R19888

SCREW

BOLT - lock plate (1st used trans. SN 2663903)

1шт.

33

A50108

SEALING RING

RING - seal, carrier & housing

2шт.

34

A50021

STUD

- mounting, final drive

30шт.

35

131-194

LOCK NUT,1/2"-13, GC

NUT - lock, 1/2" N.C. hex.

30шт.

40

A50300

SHAFT

- sprocket, (Used prior to trans. SN 2663903) (Order ref. 29, 30, 31 & 32)

2шт.

41

54-1012

NUT

- lock, #12 hex. (Used prior to trans. SN 2663903)

1шт.

42

192-363

LOCK WASHER,Type TW-112

WASHER - lock, #12 (Used prior to trans. SN 2663903)

1шт.

Выбрано товаров: 44