Запчасти Case 850 (079A) - PINION, SHAFT & HOUSING (03) - TRANSMISSION

Схема запчастей Case 850 - (079A) - PINION, SHAFT & HOUSING (03) - TRANSMISSION
12
29
18
2
9
21
22
23
19
24
3
11
28
10
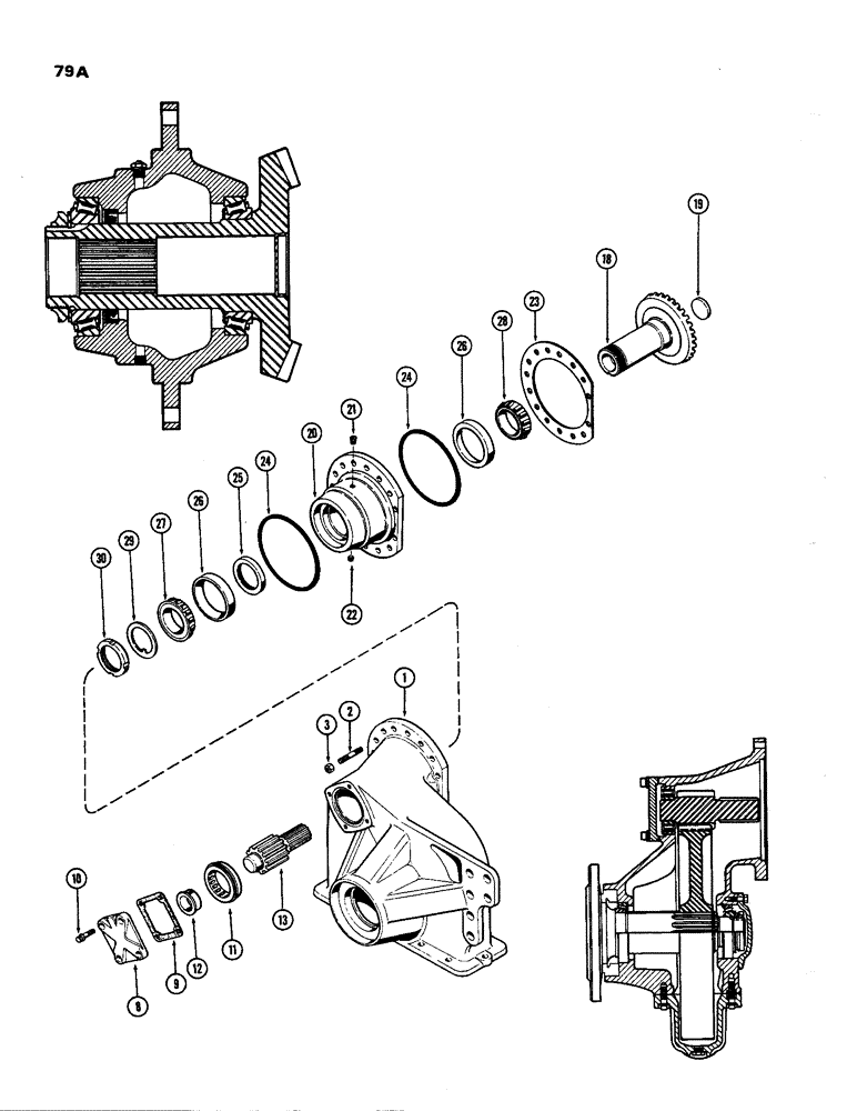
1
26
27
8
13
20
24
30
25
26
FIT
1:1
100%

Артикул

Название

Примечание

Количество

A50388

NO LONGER SERVICED

TRANSMISSION & FINAL DRIVE ASSY. (Incl. all items Figures 68 thru 82)

1шт.

1

A50298

HOUSING

- final drive, right hand (See Drive Assy. Figure 78)

1шт.

1

A50299

HOUSING

- final drive, left hand (See Drive Assy. Figure 78)

1шт.

2

A50021

STUD

- mounting, final drive

30шт.

3

131-194

LOCK NUT,1/2"-13, GC

NUT - mtg. stud (1/2" N.C. hex.)

30шт.

8

A50147

COVER

- bevel shaft outer

2шт.

9

A50146

GASKET

- bevel shaft cover

2шт.

10

61-614

HEX SOC SCREW,3/8"-16 x 7/8"

SCREW - 3/8 x 7/8" N.C., hex. sckt. hd., cap

8шт.

11

A50145

BEARING, ROLLER, CYL,45mm ID x 100mm OD x 25.01mm W

BEARING - pinion shaft, outer race w/rollers & retaining ring

2шт.

12

A50144

ROLLER BEARING,44.99mm ID x 25mm W

BEARING - pinion shaft, inner race

2шт.

13

A50143

SHAFT

- pinion

2шт.

18

A50338

GEAR, BEVEL

GEAR & PINION SET - matched, L.H. & R.H.

2шт.

19

A50099

PLUG

- cup, bevel gear seal

2шт.

20

A50095

CARRIER

- bevel gear, L.H. & R.H.

2шт.

21

A50096

VALVE

- vacuum relief, final drive

2шт.

22

221-1840

PLUG

- 1/8" P.T. hex. sckt. hd.

2шт.

23

A50107

SHIM,.003" Thk

Bevel gear carrier .003" Thk

1шт.

23

A50106

SHIM,.005" Thk

Bevel gear carrier .005" Thk

1шт.

24

A50108

SEALING RING

RING - seal, carrier & housing (8-1/4 x 8-1/2 x 1/8")

4шт.

25

A50419

OIL SEAL

- oil, bevel gear carrier (3 x 4 x 15/32")

2шт.

26

A27146

BEARING, CUP,125.41mm OD x 19.84mm W

CUP - carrier brg., inner & outer (4-15/16" O.D.)

4шт.

27

A50100

ROLLER BEARING,82.55mm ID x 25.4mm W

CONE - carrier brg., outer (3-1/4" I.D.)

2шт.

28

A50102

ROLLER BEARING,3" ID x 1"

CONE - carrier brg., inner (3" I.D.)

2шт.

28

A50103

WASHER

- keyed, thrust, bevel gear

2шт.

30

A50167

NUT

- lock, bevel gear

2шт.

Выбрано товаров: 25