Запчасти Case 850 (086) - BRAKE PEDALS (04) - UNDERCARRIAGE

Схема запчастей Case 850 - (086) - BRAKE PEDALS (04) - UNDERCARRIAGE
27
3
29
24
13
19
6
11
21
27
18
28
10
14
18
1
38
30
18a
40
28
8
26
33
35
5
37
25
24
42
35
2
39
36
23
23
15
32
9
42
41
31
20
16
17
25
4
22
22
7
FIT
1:1
100%

Артикул

Название

Примечание

Количество

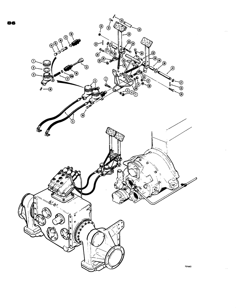
1

D39818

X

SUPPORT - brake mounting

1шт.

2

13-1028

BOLT,Hex, 5/8" - 11 x 1-3/4", Gr 5, Full Thd

2шт.

3

92-10

LOCK WASHER,5/8"

WASHER, LOCK, 5/8"

2шт.

4

25-1010

NUT,5/8"-11, G5

2шт.

5

D39836

HOSE,3.17mm ID x 609.6mm L

- master cylinder to brake (24" long)

2шт.

6

D39824

CYLINDER

- master, brake

2шт.

7

D42448

CAP

- filler

1шт.

8

D42447

GASKET

- cap

1шт.

9

NSS

NOT SOLD SEPARAT

BODY - master cylinder

1шт.

10

221-11

PLUG,Sq Hd, 1/8"-27

- pipe, square head (1/8" NPT)

1шт.

11

D42444

SPRING

- return

1шт.

12

RESERVED

1шт.

13

D42446

ROD

- push

1шт.

D42442

REPAIR KIT

KIT - rebuild, master cylinder

1шт.

14

NSS

NOT SOLD SEPARAT

VALVE AND SEAT - master cylinder

1шт.

15

NSS

NOT SOLD SEPARAT

CUP - master cylinder

1шт.

16

NSS

NOT SOLD SEPARAT

PISTON - master cylinder

1шт.

17

NSS

NOT SOLD SEPARAT

RING - retaining

1шт.

18

D42443

BOOT

- master cylinder

1шт.

18a

D42445

O-RING

SEAL - "O"ring, piston

1шт.

19

13-624

BOLT,Hex, 3/8" - 16 x 1-1/2", Gr 5

HHCS - 3/8" - 16 NC x 1-1/2"

4шт.

20

92-6

LOCK WASHER,3/8"

4шт.

21

25-106

NUT,3/8"-16, G5

- hex. (3/8" - 16 NC)

4шт.

22

25-157

JAM NUT,Jam, 7/16"-20, G5

- hex., lock (7/16" - 20 NF)

2шт.

23

132-26

COTTER PIN

Pin, Split (Cotter), 3/32" x 3/4"

2шт.

24

141-5

CLEVIS PIN,7/16" x 1.190"

PIN - yoke

2шт.

25

D38620

YOKE

- adjustable

2шт.

26

11469

SPRING

- pedal return

2шт.

27

T25683

SNAP RING,#75, Ext

Ring, Snap, #75, Ext

2шт.

28

195-45

WASHER,3/4"

2шт.

29

D42838

PEDAL

- brake, L.H. (When stock is exhausted use D48604 and 219-1 fitting)

1шт.

30

D40392

BUSHING

- D42838 pedal, 1-34/" long

1шт.

29

D48604

PEDAL ASSY.

PEDAL - brake, L.H.

1шт.

30

D48603

BUSHING

- D48604 pedal, 23/32" long

2шт.

31

141-3

CLEVIS PIN,5/16" x .940"

PIN - lock

1шт.

32

D42840

LOCK

- brake pedal

1шт.

33

132-5

COTTER PIN,1/16" x 1/2"

Pin, Split (Cotter), 1/16" x 1/2"

1шт.

34

13-624

BOLT,Hex, 3/8" - 16 x 1-1/2", Gr 5

HHCS - 3/8" - 16 NC x 1-1/2"

2шт.

35

25-146

JAM NUT,Jam, 3/8"-16, G5

- hex., jam (3/8 - 16 NC)

4шт.

36

13-836

BOLT,Hex, 1/2" - 13 x 2-1/4", Gr 5

HCS - 1/2" - 13 NC x 2-1/4"

1шт.

37

92-8

LOCK WASHER,1/2"

1шт.

38

25-108

NUT,1/2"-13, G5

- hex. (1/2" - 13 NC)

1шт.

39

D42837

PEDAL

- brake, L.H. (When stock is exhausted use D48605 pedal and 219-1 fitting)

1шт.

40

D40392

BUSHING

- D42837 pedal, 1-3/4" long

1шт.

39

D48605

BRAKE ASSY.

PEDAL - brake, L.H.

1шт.

40

D48603

BUSHING

- D48605 pedal, 23/32" long

2шт.

41

D34915

SHAFT

- pedal

1шт.

42

219-1

LUBE NIPPLE,1/8" - 27 NPTF

FITTING - grease, straight (1/8" NPT)

2шт.

Выбрано товаров: 48