Запчасти Case 850 (220) - LOCK UP PARTS, PAD LOCK AND KEY (05) - UPPERSTRUCTURE CHASSIS

Схема запчастей Case 850 - (220) - LOCK UP PARTS, PAD LOCK AND KEY (05) - UPPERSTRUCTURE CHASSIS
13
11
8
21
32
14
30
2
24
27
28
4
7
1
3
25
8
23
1
1
11
1
26
5
9
33
35
19
31
22
15
17
9
34
12
6
10
20
16
29
18
1
12
FIT
1:1
100%

Артикул

Название

Примечание

Количество

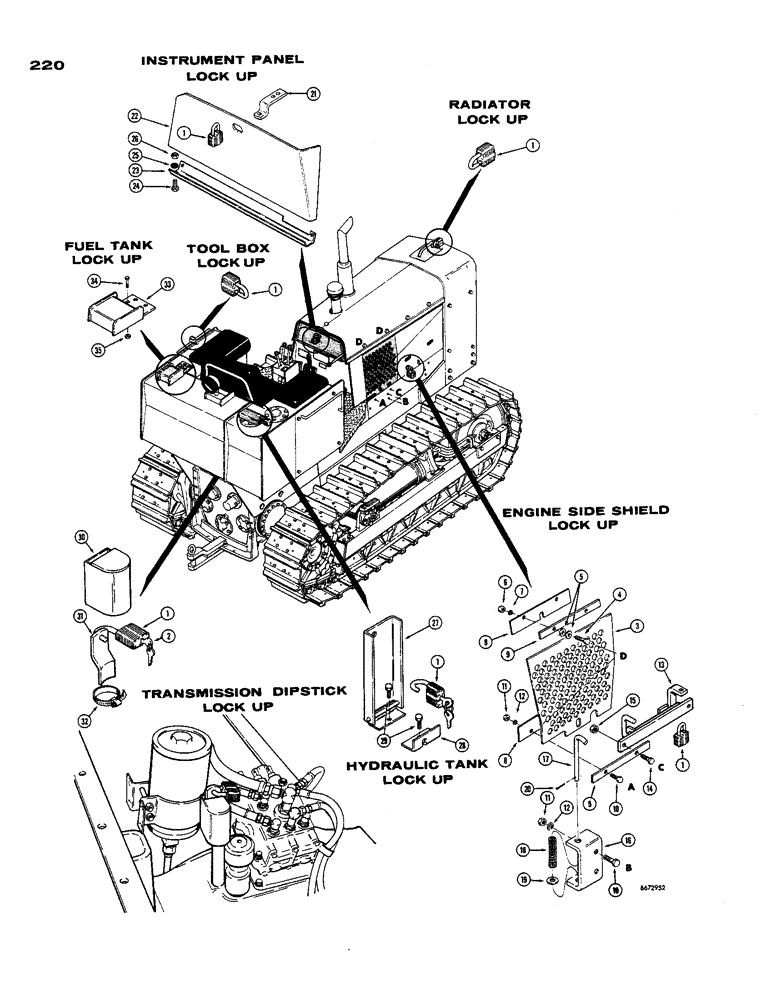
1

D40678

LOCK

PAD LOCK - tractor lock up

7шт.

2

D40679

KEY

- pad lock

2шт.

3

D41342

GUARD

- brush, engine rear (R.H.), side shield, lock up

1шт.

3

D41341

GUARD

- brush, engine rear (L.H.), side shield, lock up, Not Illustrated

1шт.

4

13-620

BOLT,Hex, 3/8" - 16 x 1-1/4", Gr 5, Full Thd

Engine, side shield, lock up Hex, 3/8"-16 x 1 1/4", G5, Full Thd

4шт.

5

195-25

WASHER,3/8"

- plain (), engine, side shield, lock up 3/8"

8шт.

6

25-106

NUT,3/8"-16, G5

- hex. (3/8" - 16 NC), engine, side shield, lock up

4шт.

7

92-6

LOCK WASHER,3/8"

engine, side shield 3/8"

4шт.

8

D41344

RETAINER

- shield, engine, side, lock up

4шт.

9

D41343

BUSHING

SPACER - retainer, engine, side shield, lock up

4шт.

10

13-616

BOLT,Hex, 3/8" - 16 x 1", Gr 5, Full Thd

Engine, side shield, lock up Hex, 3/8"-16 x 1", G5, Full Thd

6шт.

11

25-106

NUT,3/8"-16, G5

- hex. (3/8" - 16 NC), engine, side shield, lock up

4шт.

12

92-6

LOCK WASHER,3/8"

engine, side shield 3/8"

8шт.

13

D41726

LOCK ASSY

LOCK - side shield, engine, lock up

2шт.

14

13-620

BOLT,Hex, 3/8" - 16 x 1-1/4", Gr 5, Full Thd

Engine, side shield, lock up Hex, 3/8"-16 x 1 1/4", G5, Full Thd

4шт.

15

131-179

LOCK NUT,3/8"-16, GA

NUT - hex., lock (3/8" - 16 NC), engine, side shield, lock up

4шт.

16

D41345

BRACKET

- latch mounting, engine, side shield, lock up

2шт.

17

D41346

LATCH

- shield or guard, engine, side, lock up

2шт.

18

A31171

SPRING

- latch, engine, side shield, lock up

2шт.

19

195-33

WASHER,1/2"

- plain (), engine, side shield, lock up 1/2"

2шт.

20

132-67

COTTER PIN,5/32" x 3/4"

Pin, Split (Cotter), , Engine, side shield, lock up 5/32" x 3/4"

2шт.

21

D41733

WASHER

TAB - locking, instrument panel

1шт.

22

D41729

GUARD ASSY.

GUARD - instrument panel, lock up

1шт.

23

D41728

BRACKET

- instrument panel guard, lockup

1шт.

24

13-48

BOLT,Hex, 1/4" - 20 x 1/2", Gr 5

Instrument panel, lock up Hex, 1/4"-20 x 1/2", G5, Full Thd

1шт.

25

92-4

LOCK WASHER,1/4"

WASHER, LOCK, , Instrument panel, lock up 1/4"

1шт.

26

25-104

NUT,1/4"-20, G5

Instrument panel, lock up 1/4"-20, G5

1шт.

27

D41245

GUARD

- hydraulic tank, lock up

1шт.

28

D41242

BRACKET

- hydraulic tank, lock up

1шт.

29

13-616

BOLT,Hex, 3/8" - 16 x 1", Gr 5, Full Thd

Hydraulic tank, lock up Hex, 3/8"-16 x 1", G5, Full Thd

2шт.

30

D41240

CAP

- transmission dipstick, lock up

1шт.

31

D41253

STRAP

- locking, transmission dipstick

1шт.

32

214-256

HOSE CLAMP,#20, 0.81" - 1.75", Type F Worm

CLAMP - dipstick lock, transmission

1шт.

33

D41224

GUARD

- fuel cap, tank, lock up

1шт.

34

13-616

BOLT,Hex, 3/8" - 16 x 1", Gr 5, Full Thd

Fuel tank, lock up Hex, 3/8"-16 x 1", G5, Full Thd

2шт.

35

131-179

LOCK NUT,3/8"-16, GA

NUT - hex., lock (3/8" - 16 NC), fuel tank, lock up

2шт.

Выбрано товаров: 36