Запчасти Case 850 (048) - ALTERNATOR, (301) DIESEL ENGINE (06) - ELECTRICAL SYSTEMS

Схема запчастей Case 850 - (048) - ALTERNATOR, (301) DIESEL ENGINE (06) - ELECTRICAL SYSTEMS
3
35
7
41
15
10
42
8
17
29
47
45
14
20
21
2
23
43
5
13
37
40
46
34
36
4
21
44
9
1
32
28
12
22
49
27
24
48
26
38
20
33
18
25
16
11
39
21
6
FIT
1:1
100%

Артикул

Название

Примечание

Количество

A41360

ALTERNATOR

ALTERNATOR ASSY. - (35 amp.) (Motorola #MH24N-901)

1шт.

87297298

REMAN-ALTERNATOR

Remanufactured Alternator

1шт.

87297299

CORE-ALTERNATOR

Return Number

1шт.

104021A1R

REMAN-ALTERNATOR

Remanufactured 24 Volt, 35 Amp Alternator

1шт.

104021A1C

CORE-ALTERNATOR

Return Number, 24 Volt, 35 Amp Alternator

1шт.

A167152

ALTERNATOR

ALTERNATOR - 24 Volt 40 AMP

1шт.

104260A1R

REMAN-ALTERNATOR

Remanufactured 24 Volt, 40 Amp Alternator

1шт.

104260A1C

CORE-ALTERNATOR

Return Number, 24 Volt, 40 Amp Alternator

1шт.

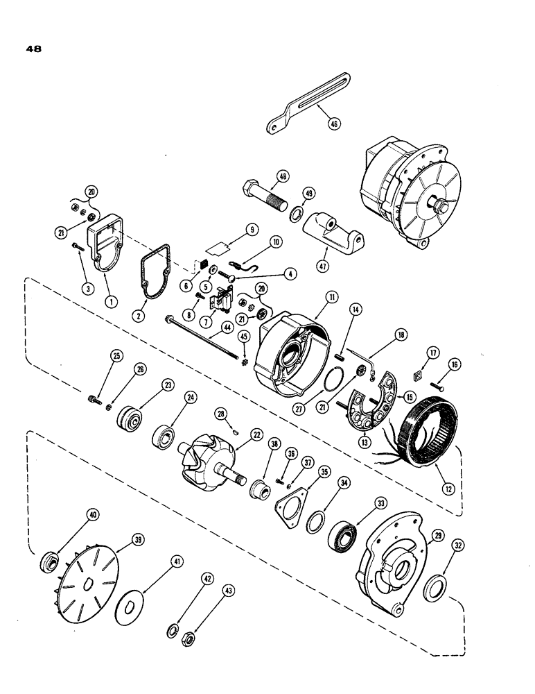
1

A41435

COVER ASSY

COVER - rear housing

1шт.

2

A41341

GASKET

GASKET -, Serial Range: cover-body

1шт.

3

187-482

SPARE PART SCREW - #8 x 3/4" hex. hd. self-tapping

2шт.

4

A41036

SCREW

BOLT - field wire, #10-24 rd. hd.

1шт.

5

G49045

WASHER

WASHER - 17/64 x 39/64" x 16 Gauge

1шт.

6

A41041

INSULATOR

INSULATOR - alternator brush

1шт.

7

A41048

BRUSH, COMMUTATOR

BRUSH HOLDER ASSY. - brush

1шт.

8

187-480

SCREW,Hex Hd, #8 x 1/2"

SCREW - #8 x 1/2" hex. hd., self-tapping

2шт.

9

A41042

INSULATOR

INSULATOR - alternator brush, shunt lead

1шт.

10

A41046

ELECTRICAL WIRE

WIRE CABLE - internal field

1шт.

11

A41045

COVER

HOUSING - rear

1шт.

12

A42809

STATOR

STATOR ASSY. - alternator

1шт.

13

A42808

DIODE

DIODE ASSY. - negative, black

1шт.

14

A41040

INSULATOR

SLEEVE - nylon-13/64 x 17/64 x 68" (cut as req.)

2шт.

15

A41443

DIODE ELEMENT

DIODE ASSY. - positive, red

1шт.

16

A41436

SCREW

STUD - rectifier ring

1шт.

17

A41041

INSULATOR

INSULATOR - rectifier stud

1шт.

18

A41432

CABLE PULLING GRIP

CABLE - phase tap

1шт.

20

A41060

LOCK NUT

LOCKNUT PACKAGE

1шт.

21

A41038

WASHER

WASHER - 13/64 x 3/4 x 1/16"

7шт.

22

A42807

ROTOR

ROTOR ASSY. - alternator

1шт.

23

A41032

SLIP RING

RING - slip

1шт.

24

A42076

BEARING ASSY,0.6693" ID x 1.5748" OD x 0.4724"

BEARING - sealed, 21/32 x 1-37/64 x 15/32"

1шт.

25

163-4

SCREW,Hex, #10 - 32 x 5/8"

SCREW - #10 x 5/8" sckt. hd., cap

1шт.

26

192-18

LOCK WASHER,Helical Spring, #10, 0.196" ID, CST, ZND

WASHER, LOCK, #10

1шт.

27

A42806

RING

RETAINER - rear bearing

1шт.

28

126-111

WOODRUFF KEY,#5, 1/8" x 5/8", HT

WOODRUFF KEY, #5, 1/8" x 5/8", HT

1шт.

29

A41437

HOUSING

HOUSING - front

1шт.

32

A41047

SEAL ASSY.

SEAL - bearing, front housing

1шт.

33

A42075

BEARING ASSY,0.9839" ID x 2.0472" OD x 0.5906"

BEARING - sealed, front, 63/64 x 2-3/64 x 19/32"

1шт.

34

A41039

RETAINER

WASHER - 1-1/4 x 1-5/8 x 3/32"

1шт.

35

A41050

SPARE PART RETAINER - front bearing

1шт.

36

182-84

SCREW,Slotted Pan Hd, #8-32 x 3/8"

SCREW - #8 x 3/8" N.C. sltd. pan hd.

3шт.

37

192-16

LOCK WASHER,Helical Spring, #8, 0.17" ID, CST, ZND

Washer, Lock, #8

3шт.

38

A41052

SLEEVE

SLEEVE - shaft

1шт.

39

A42431

FAN

FAN - alternator ventilating

1шт.

40

A42432

SPACER

SPACER - fan

1шт.

41

A41051

SPACER

SPACER - pulley

1шт.

42

192-25

LOCK WASHER,5/8"

WASHER, LOCK, 5/8"

1шт.

43

A41035

NUT

NUT - pulley mounting, 5/8" - 18 hex.

1шт.

44

A41037

BOLT

BOLT - rear housing

4шт.

45

193-41

WASHER,Ext-Int Tooth, #8

WASHER, LOCK, Ext-Int Tooth, #8

4шт.

46

A34548

STRAP

STRAP - adjusting

1шт.

47

A34704

BRACKET

BRACKET - mounting

1шт.

48

13-1244

BOLT,Hex, 3/4" - 10 x 2-3/4", Gr 5

BOLT, Hex, 3/4"-10 x 2 3/4", G5

1шт.

49

92-12

LOCK WASHER,3/4"

WASHER, LOCK, 3/4"

1шт.

Выбрано товаров: 54