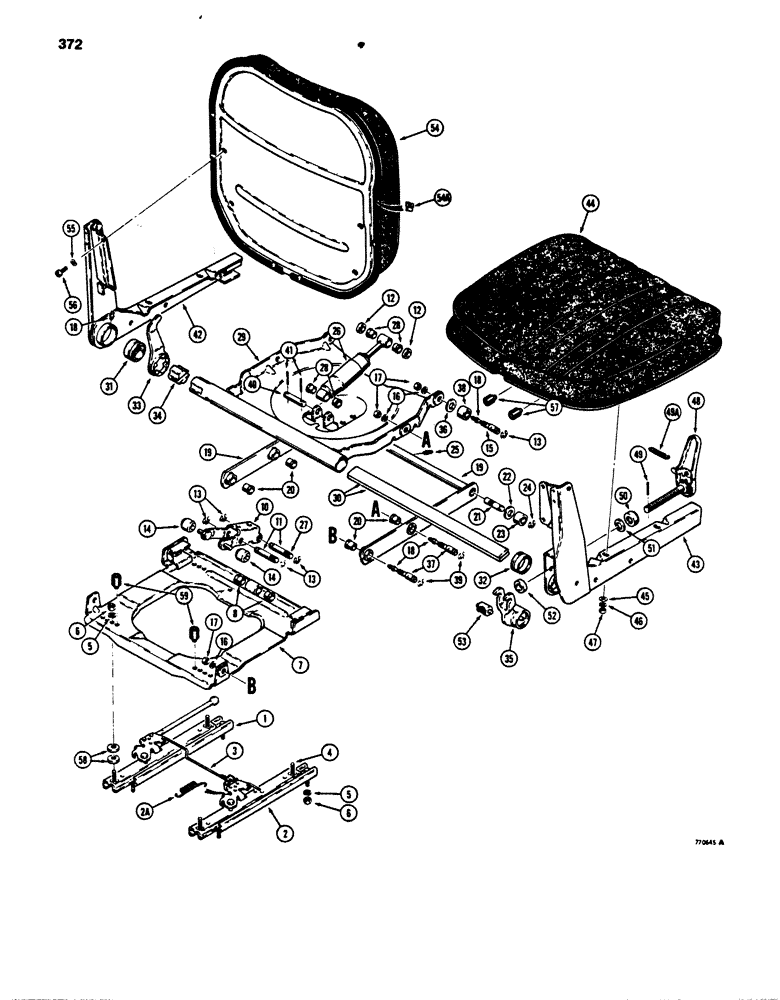
Запчасти Case 850B (372) - SUSPENSION SEAT ASSEMBLY, USED WITHOUT BACKHOE (05) - UPPERSTRUCTURE CHASSIS

Схема запчастей Case 850B - (372) - SUSPENSION SEAT ASSEMBLY, USED WITHOUT BACKHOE (05) - UPPERSTRUCTURE CHASSIS
46
19
33
19
31
54
12
17
43
12
48a
42
3
7
28
15
52
24
18
6
13
13
5
26
45
16
58
40
2
57
22
35
59
17
44
28
49
28
56
6
37
54b
18
25
23
39
48
55
8
21
38
1
18
14
50
53
34
2a
27
16
29
36
4
51
5
36
41
28
32
13
47
11
18
14
FIT
1:1
100%

Артикул

Название

Примечание

Количество

R36082

SEAT

SUSPENSION SEAT ASSEMBLY - optional, Includes: P/N D64865 and Ref.#s1 - 59

1шт.

D64865

KIT

- seat slide, Includes: Ref.#s1 - 3

1шт.

1

NSS

NOT SOLD SEPARAT

SLIDE - left-hand, with handle

1шт.

2

NSS

NOT SOLD SEPARAT

SLIDE - right-hand, Includes: Ref.#2A

1шт.

2a

NSS

NOT SOLD SEPARAT

SPRING - seat adjuster

1шт.

3

D64866

BAR

- locking, seat adjustment

1шт.

4

13-516

BOLT,Hex, 5/16" - 18 x 1", Gr 5

4шт.

5

192-20

LOCK WASHER,Helical Spring, 0.318" ID, CST, ZND

WASHER, LOCK, 5/16"

8шт.

6

9635082

NUT,5/16" - 18, Gr 5

8шт.

D74519

BASE

SUPPORT ASSEMBLY - seat, Includes: Ref.#s7 & 8

1шт.

7

NSS

NOT SOLD SEPARAT

SUPPORT - seat, serial number attached

1шт.

8

D64843

FLANGED BEARING,0.508" ID x 0.753" OD x 0.562"

BEARING - with flange

2шт.

D64853

LEVER

ASSEMBLY - shock absorber, Includes: Ref.#s10 & 11

1шт.

10

NSS

NOT SOLD SEPARAT

LEVER - shock absorber

1шт.

11

D64854

SHAFT

- shock absorber lever, included with D64855 kit, see below

2шт.

12

195-2066

WASHER,33/64" x 7/8" x .180"

- 1/2", plated

2шт.

13

D66299

SNAP RING,#50, .392" Dia, E-Type

Ring, Retaining, , shaft #50, .392" Dia, E-Type

6шт.

14

D64864

ROLLER

- nylon

2шт.

15

D66298

STUD

- base, seat adjustment

2шт.

16

92-6

LOCK WASHER,3/8"

6шт.

17

25-106

NUT,3/8"-16, G5

- hex, 3/8" - 16 NC

6шт.

18

219-411

LUBE NIPPLE,3/16" NPTF

GREASE FITTING - straight, 3/16"

8шт.

D64844

LEVER

BRACE ASSEMBLY - seat support to adjustment base, Includes: Ref.#s19 & 20

1шт.

19

NSS

NOT SOLD SEPARAT

BRACE - adjustment

1шт.

20

D64845

FLANGED BEARING,0.504" ID x 0.763" OD x 0.687"

BEARING - with flange

4шт.

21

D64846

AXLE PIN

PIN - drive

2шт.

22

195-533

WASHER,1/2", SAE

- flat, 1/2"

2шт.

23

D66297

BEARING ASSY

BEARING - roller

2шт.

24

D66299

SNAP RING,#50, .392" Dia, E-Type

Ring, Retaining, , pin #50, .392" Dia, E-Type

2шт.

25

219-4

LUBE NIPPLE,1/8" - 27 NPTF

GREASE FITTING - special extra short, 1/8" NPT

1шт.

D64855

SHOCK ABSORBER

ASSEMBLY - seat, Includes: Ref.#s26 - 28

1шт.

26

NSS

NOT SOLD SEPARAT

SHOCK ABSORBER - seat

1шт.

27

D64854

SHAFT

- shock absorber hinge

1шт.

28

D64856

FLANGED BEARING,0.503" ID x 0.625" OD x 0.5"

BEARING - shock absorber, with flange

4шт.

D64847

BASE

ASSEMBLY - seat adjustment, Includes: Ref.#s 29 - 33

1шт.

29

NSS

NOT SOLD SEPARAT

BASE - seat adjustment

1шт.

30

D64851

BAR

TORSION BAR - set of two

2шт.

31

D64848

HOUSING

- torsion bar, left-hand

1шт.

32

D64849

HOUSING

- torsion bar, right-hand

1шт.

33

D64850

LEVER

INDICATOR - seat level

1шт.

34

D64857

RETAINER

- torsion bar

1шт.

35

D64858

ADJUSTER

- yoke

1шт.

REF

INSTRUCTION

SUSPENSION SEAT ASSEMBLY

1шт.

36

195-533

WASHER,1/2", SAE

- flat, 1/2"

2шт.

37

D66298

STUD

- brace, seat adjuster

4шт.

38

D66297

BEARING ASSY

BEARING - roller, seat adjustment base

2шт.

39

D66299

SNAP RING,#50, .392" Dia, E-Type

Ring, Retaining, , stud #50, .392" Dia, E-Type

4шт.

40

D66300

SHAFT

- retaining, shock absorber

1шт.

41

138-96

LOCK PIN,3/16" x 1", Slotted

COTTER PIN - 3/16" x 1"

2шт.

42

D75832

SUPPORT

- seat cushion, left-hand

1шт.

43

D75833

SUPPORT

- seat cushion, right-hand

1шт.

44

D75835

CUSHION ASSY.

CUSHION - seat

1шт.

44 - Brown use N8683

1шт.

45

195-103

WASHER,5/16"

- flat, plated 5/16"

4шт.

46

192-20

LOCK WASHER,Helical Spring, 0.318" ID, CST, ZND

WASHER, LOCK, 5/16"

4шт.

47

9635082

NUT,5/16" - 18, Gr 5

4шт.

48

D75834

HANDLE

- seat adjustment, Includes: Ref.#s49 & 49A

1шт.

49

138-57

LOCK PIN,1/8" x 3/4", Slotted

PIN, 1/8" x 3/4", Slotted

1шт.

49a

D75837

SPRING

- handle

1шт.

50

D65136

BEARING

- thrust

1шт.

51

195-541

WASHER,5/8", SAE

- flat, 5/8", plated

1шт.

52

D64863

WASHER

- special

1шт.

53

D64862

PIN

RETAINER - handle, adjuster

1шт.

54

D75836

CUSHION ASSY.

CUSHION - back, Includes: Ref.#54A

1шт.

54 - Brown use N8684

1шт.

54a

NSS

NOT SOLD SEPARAT

CLIP - cushion

12шт.

55

192-20

LOCK WASHER,Helical Spring, 0.318" ID, CST, ZND

WASHER, LOCK, 5/16"

4шт.

56

113-118

BOLT,Hex, 5/16" - 18 x 5/8", Gr 5

4шт.

57

D64867

BUMPER

- front

2шт.

58

195-2173

WASHER,3/8" x 1" x .180"

- spacer

8шт.

59

D75479

BUMPER

- rear

2шт.

Выбрано товаров: 71