Запчасти Case 850B (254) - EQUIPMENT CONTROL VALVE MOUNTING (07) - HYDRAULIC SYSTEM

Схема запчастей Case 850B - (254) - EQUIPMENT CONTROL VALVE MOUNTING (07) - HYDRAULIC SYSTEM
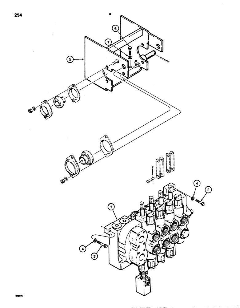
1
3
4
4
5
7
2
6
FIT
1:1
100%

Артикул

Название

Примечание

Количество

1

REF

INSTRUCTION

CONTROL VALVE - equipment, see Fig. 266 - 288 for correct valve

1шт.

2

13-624

BOLT,Hex, 3/8" - 16 x 1-1/2", Gr 5

- hex head, 3/8" - 16 NC x 1-1/2"

2шт.

3

13-628

BOLT,Hex, 3/8" - 16 x 1-3/4", Gr 5

1шт.

4

92-6

LOCK WASHER,3/8"

3шт.

5

R36418

BRACKET

- control valve mounting

1шт.

6

13-616

BOLT,Hex, 3/8" - 16 x 1", Gr 5, Full Thd

4шт.

7

92-6

LOCK WASHER,3/8"

4шт.

Выбрано товаров: 7