Запчасти Case 850B (194) - MANUAL BRAKES (04) - UNDERCARRIAGE

Схема запчастей Case 850B - (194) - MANUAL BRAKES (04) - UNDERCARRIAGE
12
25
2
5
24
8
6
17
4
15
11
27
13
1
26
18
3
23
27
19
10
14
22
7
10
20
9
16
8
11
21
FIT
1:1
100%

Артикул

Название

Примечание

Количество

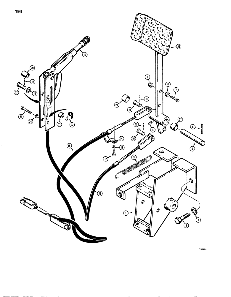
1

R36720

FRAME - brake mounting

1шт.

2

13-824

BOLT,Hex, 1/2" - 13 x 1-1/2", Gr 5, Full Thd

2шт.

3

92-8

LOCK WASHER,1/2"

2шт.

4

219-1

LUBE NIPPLE,1/8" - 27 NPTF

GREASE FITTING - straight, 1/8" NPT

1шт.

5

R34200

SHAFT - pedal

1шт.

6

138-136

LOCK PIN,1/4" x 1 1/4", Slotted

PIN, 1/4" x 1 1/4", Slotted

1шт.

7

13-520

BOLT,Hex, 5/16" - 18 x 1-1/4", Gr 5

- hex head, 5/16" - 18 NC x 1-1/4"

1шт.

8

25-145

JAM NUT,Jam, 5/16"-18, G5

- hex, jam, 5/16" - 18 NC

2шт.

9

R33370

SPRING

- brake

1шт.

10

141-53

CLEVIS PIN,5/16" x .940"

plated 5/16" x .940"

2шт.

11

132-26

COTTER PIN

- Split (Cotter), 3/32" x 3/4"

2шт.

12

13-612

BOLT,Hex, 3/8" - 16 x 3/4", Gr 5, Full Thd

2шт.

13

92-6

LOCK WASHER,3/8"

2шт.

14

R26118

CLAMP

- brake pedal cable

2шт.

15

R34094

CABLE

- pedal

1шт.

D40687

LEVER

BRAKE LEVER ASSEMBLY - parking, Includes: Ref.#16 - 19

1шт.

16

NSS

NOT SOLD SEPARAT

LEVER - brake

1шт.

17

D42458

PIN

CLEVIS PIN - brake lever

1шт.

18

95-5

WASHER,3/8" x 7/8" x .083"

- flat, 5/16"

1шт.

19

132-26

COTTER PIN

- Split (Cotter), 3/32" x 3/4"

1шт.

20

D40685

SPACER

- long, upper

1шт.

21

D30863

TUBE

SPACER - short, lower

1шт.

22

D40684

CLAMP,12.7mm ID, 8.78mm Bolt Hole, P Type

- P-style, hand lever cable

1шт.

23

26-524

BOLT,Hex, 5/16" - 18 x 1-1/2", Gr 8

- hex head, 5/16"-18 NC x 1-1/2", grade 8

2шт.

24

92-5

LOCK WASHER,5/16"

2шт.

25

R34093

CABLE

- hand lever

1шт.

26

R34245

PEDAL ASSY.

PEDAL - parking brake, Includes: Ref.#27

1шт.

27

R29752

BUSHING

- pedal

2шт.

Выбрано товаров: 28