Запчасти Case 850C (200) - DOZER ANGLE HYDRAULIC CIRCUIT, GRILLE TO CYLINDERS (07) - HYDRAULIC SYSTEM

Схема запчастей Case 850C - (200) - DOZER ANGLE HYDRAULIC CIRCUIT, GRILLE TO CYLINDERS (07) - HYDRAULIC SYSTEM
7
11
13
2
14
12
3
9
17
5
1
4
15
4
16
9
11
3
3
6
7
15
10
8
8
16
10
FIT
1:1
100%

Артикул

Название

Примечание

Количество

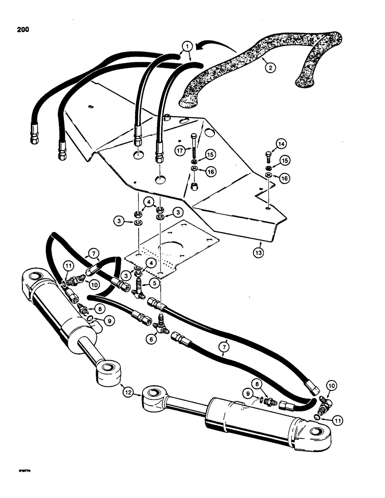
1

R34010

HOSE

- to leveling beam, 50" (1270 mm) long

2шт.

2

R46372

SLEEVE

- nylon, hoses

1шт.

3

D35268

SHIM,1/32" Thk

Washer, Special 1/32" Thk

3шт.

4

218-1255

BHD LOCK NUT,Blkhd, 3/4"-16

NUT, LOCK, Blkhd, 3/4"-16

3шт.

5

R28969

FITTING

TEE - bulkhead, left-hand

1шт.

6

218-805

TEE,3/4"-16, 37 Degree, Blkhd

- bulkhead, right-hand

1шт.

7

W11468

HOSE

- to cylinders, 29" (737 mm) long

4шт.

8

218-5060

HYD CONNECTOR,3/4" - 16 Male JIC x 7/8" - 14 Male ORB

straight, Incl. Ref 9 3/4"-16, 37º x 7/8"-14, O-Ring

2шт.

9

237-6010

O-RING,0.097" Thk x 0.755" ID, -910, Cl 6, 90 Duro

- connector

1шт.

10

218-5121

ELBOW,90 Degree Elbow, 3/4" - 16 Male JIC x 7/8" - 14 Male ORB

- 90 degree, adjustable, Includes: Ref. 11

2шт.

11

237-6010

O-RING,0.097" Thk x 0.755" ID, -910, Cl 6, 90 Duro

- elbow

1шт.

12

G103467

CYLINDER ASSY.

CYLINDER - angle, parts list figure 230

2шт.

13

R46377

GUARD

- cylinders and hose connectors

1шт.

14

13-816

BOLT,Hex, 1/2" - 13 x 1", Gr 5, Full Thd

2шт.

15

92-8

LOCK WASHER,1/2"

4шт.

16

195-33

WASHER,1/2"

- flat, 1/2"

4шт.

17

13-856

BOLT,Hex, 1/2" - 13 x 3-1/2", Gr 5

2шт.

Выбрано товаров: 17