Запчасти Case 850C (156) - TRACK FRAMES AND RELATED PARTS (04) - UNDERCARRIAGE

Схема запчастей Case 850C - (156) - TRACK FRAMES AND RELATED PARTS (04) - UNDERCARRIAGE
25
21
32
10
6
4
17
32
28
33
1
2
9
3
27
20
29
13
4
19
35
16
24
7
14
12
5
11
33
18
31
34
30
4
23
22
2
15
8
29
26
FIT
1:1
100%

Артикул

Название

Примечание

Количество

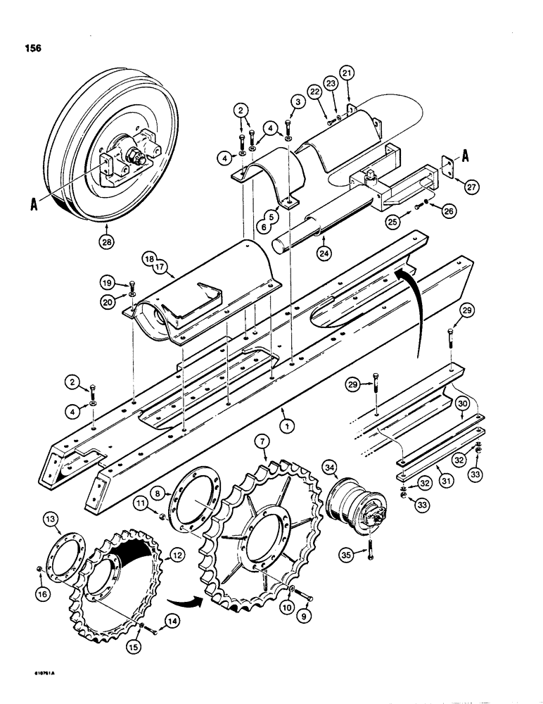
1

R32505

TRACK FRAME - tilt dozer models, left-hand

1шт.

1

R32506

TRACK FRAME - tilt dozer models, right-hand

1шт.

1

R34148

FRAME

TRACK FRAME - loader and angle tilt dozer models and drawbar models

2шт.

2

26-1232

BOLT,Hex, 3/4" - 10 x 2", Gr 8

use with Hex, 3/4"-10 x 2", G8

1шт.

NSS

NOT SOLD SEPARAT

Loctite 242 (blue)

20шт.

3

26-1224

BOLT,Hex, 3/4" - 10 x 1-1/2", Gr 8

2шт.

4

D34666

WASHER,33.34mm ID x 63.5mm OD x 2.38mm Thk

- hardened

22шт.

5

R35422

COVER

- yoke, left-hand

1шт.

6

R35423

COVER

- yoke, right-hand

1шт.

7

R45906

DRIVE SPROCKET

SPROCKET - track drive, with 10 bolt holes, used on loader, standard 60" (1524 mm) gauge dozer, and drawbar models

2шт.

8

R46160

SHIM,.032" Thk

R45906 sprocket, with 10 bolt holes .032" Thk

1шт.

9

R27954

BOLT

- special

20шт.

10

D34666

WASHER,33.34mm ID x 63.5mm OD x 2.38mm Thk

- hardened, 3/4"

20шт.

11

280375

NUT,3/4"-10, GC

NUT - hex, self-locking, 3/4" - 13 - 10 NC

20шт.

12

R43967

DRIVE SPROCKET

SPROCKET - track drive, with 12 bolt holes, used on 70" (1778 mm) gauge LGP dozer models

2шт.

13

R27241

SHIM,1/32" Thk

R43967 sprocket, with 12 bolt holes 1/32" Thk

1шт.

14

R31277

BOLT

- special

24шт.

15

D34666

WASHER,33.34mm ID x 63.5mm OD x 2.38mm Thk

- hardened, 3/4"

24шт.

16

280375

NUT,3/4"-10, GC

NUT - hex, self-locking, 3/4" - 10 NC

24шт.

17

R44849

HOUSING

RECOIL HOUSING - left-hand

1шт.

18

R44850

HOUSING

RECOIL HOUSING - right-hand

1шт.

19

13-1020

BOLT,Hex, 5/8" - 11 x 1-1/4", Gr 5, Full Thd

12шт.

20

T53576

LARGE PLATE

WASHER - hardened

12шт.

21

R46855

GUARD

- track adjuster

2шт.

22

13-820

BOLT,Hex, 1/2" - 13 x 1-1/4", Gr 5, Full Thd

4шт.

23

R24323

WASHER

- hardened, 1/2"

4шт.

24

R32467

ADJUSTER

TRACK ADJUSTER ASSEMBLY - yoke, parts list figure 158

2шт.

25

13-824

BOLT,Hex, 1/2" - 13 x 1-1/2", Gr 5, Full Thd

Use with Loctite 242 (blue) Hex, 1/2"-13 x 1 1/2", G5, Full Thd

4шт.

26

92-8

LOCK WASHER,1/2"

4шт.

27

R37875

SHIM,0.813mm Thk

(.032"), Track adjuster 0.813mm Thk

1шт.

28

REF

INSTRUCTION

IDLER ASSEMBLY - track, for correct assembly and components, see figures 158 and 159A

2шт.

29

13-1040

BOLT,Hex, 5/8" - 11 x 2-1/2", Gr 5

8шт.

30

CASR32491

SHIM

- idler, lower 1/32" (0.762 mm) thick

1шт.

31

R32465

BAR

WEAR PLATE - idler, lower

4шт.

32

92-10

LOCK WASHER,5/8"

WASHER, LOCK, 5/8"

8шт.

33

25-1010

NUT,5/8"-11, G5

8шт.

34

R33552

ROLL

TRACK ROLLER - single flange, parts list figure 162

10шт.

35

13-1248

BOLT,Hex, 3/4" - 10 x 3", Gr 5

Use with Loctite 242 (blue) Hex, 3/4"-10 x 3", G5

40шт.

Выбрано товаров: 38