Запчасти Case 850C (294) - ANGLE TILT DOZER C-FRAME (05) - UPPERSTRUCTURE CHASSIS

Схема запчастей Case 850C - (294) - ANGLE TILT DOZER C-FRAME (05) - UPPERSTRUCTURE CHASSIS
2
6
10
18
19
13
8
16
20
7
21
17
12
21
6
20a
24
25
23
14
11
3
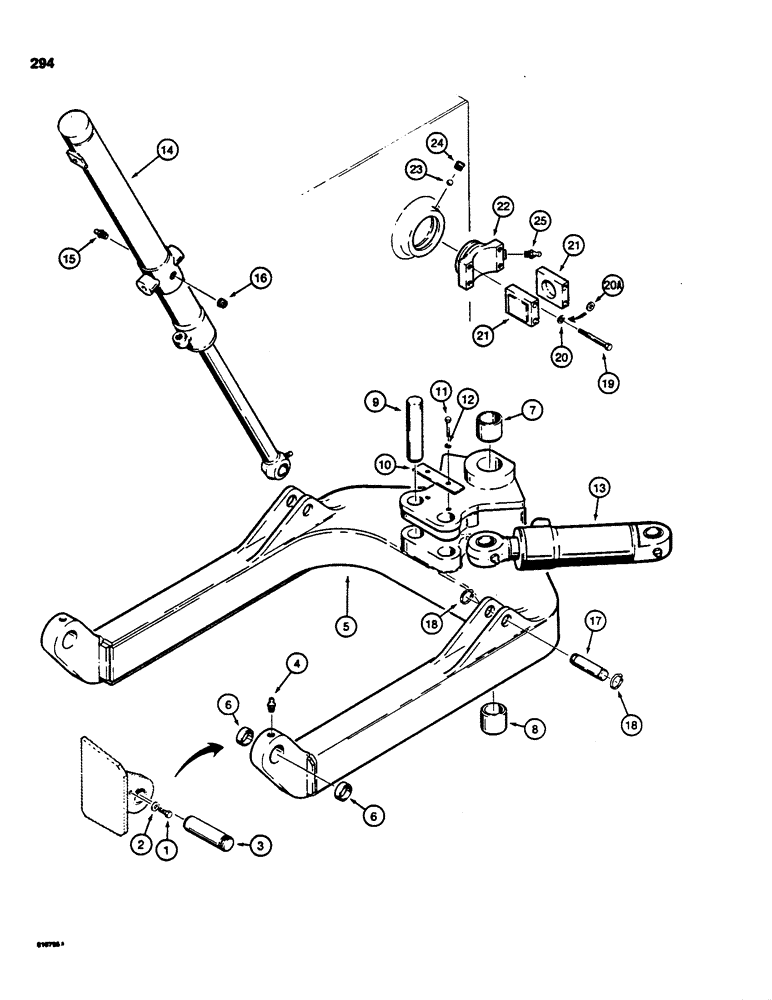
1
22
18
15
4
8
5
FIT
1:1
100%

Артикул

Название

Примечание

Количество

1

113-2628

LOCK BOLT,Locking, 5/8"-11 x 1 1/4", G5, Full Thd

BOLT - hex head, 5/8" - 11 NC x 1-1/4", grade 8

2шт.

2

70523

WASHER,16.67mm ID x 47.63mm OD x 6.35mm Thk

- hardened, 5/8"

2шт.

3

R45977

AXLE PIN,50.8mm OD x 139.7mm L

PIN - mounting, C-frame to main frame

2шт.

4

219-1

LUBE NIPPLE,1/8" - 27 NPTF

GREASE FITTING - straight, 1/8" NPT

2шт.

5

R44030

CHASSIS

C-FRAME - angle tilt dozer, Includes: Ref. 6 - 8

1шт.

6

D33678

BUSHING,51.02mm ID x 63.5mm OD x 22.3mm L

- C-frame mounting, ends

4шт.

7

R31914

BUSHING,63.75mm ID x 76.2mm OD x 53.34mm L

- front, upper

1шт.

8

R27011

BUSHING,63.75mm ID x 76.2mm OD x 63.5mm L

- front, lower

1шт.

9

R31966

AXLE PIN

PIN - mounting, angle, Serial Range: cylinders-C-frame

2шт.

10

R31891

LARGE PLATE

PLATE - pin retaining

1шт.

11

13-616

BOLT,Hex, 3/8" - 16 x 1", Gr 5, Full Thd

2шт.

12

92-6

LOCK WASHER,3/8"

2шт.

13

G103467

CYLINDER ASSY.

CYLINDER - angle, parts list figure 230

2шт.

14

G101217

CYLINDER

- lift, parts list figure 222

2шт.

15

219-1

LUBE NIPPLE,1/8" - 27 NPTF

GREASE FITTING - straight, 1/8" NPT

2шт.

16

221-849

PLUG,Hex Soc, 1/8"-27

- square socket, 1/4" NPT

2шт.

17

D51045

PIN,38.1mm OD x 111.25mm L

- lift, Serial Range: cylinders-C-frame

2шт.

18

D25279

SNAP RING,M35, Int

- pin retaining

4шт.

19

26-856

BOLT,Hex, 1/2" - 13 x 3-1/2", Gr 8

- hex head, 1/2" - 13 NC x 3-1/2", grade 8, use with Loctite 242 and flat washer (ref 20A)

8шт.

20

92-8

LOCK WASHER,1/2"

no longer used, replace with ref 20A 1/2"

8шт.

20a

R24323

WASHER

- flat, hardened, 1/2"

8шт.

21

R31981

BLOCK

- cylinder retaining

4шт.

22

R47420

TRUNNION

- pivot, lift cylinder

2шт.

23

211-17

BALL,3/4" Dia

- steel, 3/4" (19 mm) diameter

38шт.

24

R32031

PLUG

- trunnion

2шт.

25

219-1

LUBE NIPPLE,1/8" - 27 NPTF

GREASE FITTING - straight, 1/8" NPT

2шт.

Выбрано товаров: 26